37 john deere f525 mower deck belt diagram
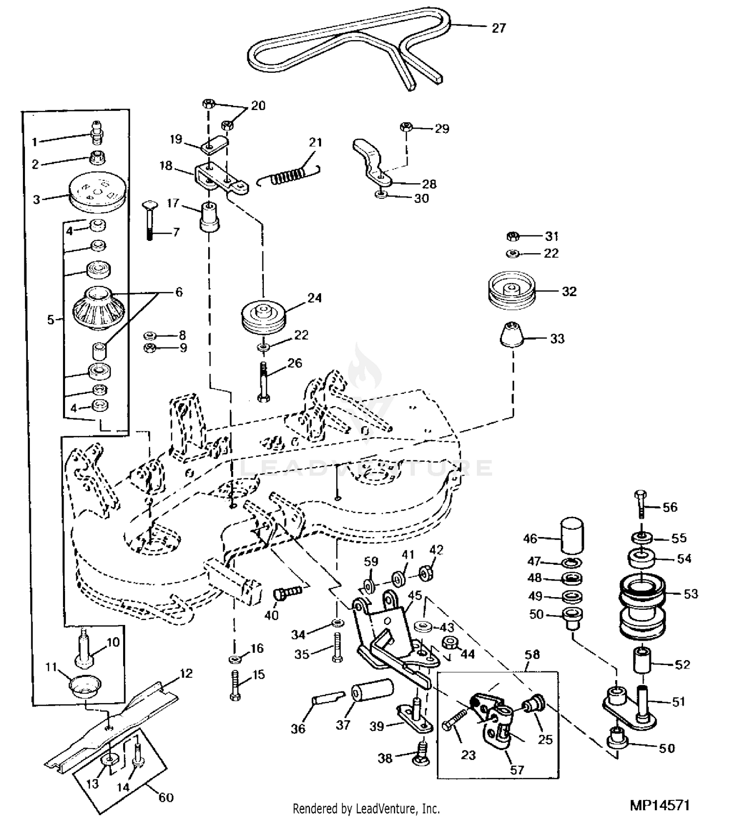
Mower Drive Belt,Sheaves,Spindles & Blades 1.22 M 48" - 130000: MOWER DECK Mower Drive Belt,Sheaves,Spindles & Blades 1.22 M 48" 130001 - : MOWER DECK Mower Drive Belt,Sheaves,Spindles & Blades 97 Cm 38" - 130000: MOWER DECK Manual John Deere F910 and F930 Mower Service Manual Riding Mower Deck Belt Diagrams DIY Repair Manual AYP - MTD, John Deere, Sears Craftsman John Deere F525 mower \"creeps\" forward John Deere 6800 Tractor Service Repair Manual - TM4516John Deere Tractors 670, 770, 790, 870, 970, 1070 Compact Utility Tractors -
also john deere snowblower belt diagram in addition john deere 38 mower deck belt diagram. Jan 12, · The John Deere F, a front cutting machine, has 3 fuses. 20 Amp 15 Amp 10 Amp Check the 15 amp fuse. I believe this supports the PTO clutch. If you replace the fuse and it blows again, check the electric clutch.See wiring diagram john deer f ...

John deere f525 mower deck belt diagram
My mother inlaw has a john deere f525 lawn tractor with 48 inch mower. Her mower belt would pop off almost instantly when mower engaged. I also have a f525 as her belt was worn i put my mower belt on to see if that was the problem. Now my mower belt stayed on till her pto belt shreded about 5 minutes. TCU26966. John Deere 54" 7-Iron Deck Spindle Drive Sheave - TCU26966. In Stock. $57.82. $57.82. 19. AUC16478. John Deere Idler Pulley - AUC16478. I find that on uneven ground my mower deck scalps my yard. The dealer told me the mower deck wheels should really never touch/ride on the ground. So I put the wheel as high as they go and that’s when the scalping occurs. I cut my grass at 3inchs if anyone has any recommendations I would appreciate it.
John deere f525 mower deck belt diagram. John Deere Mower Deck Blade Spindle - M122465. (4) $37.74. Usually available. John Deere F525 Riding Mower Kevlar Blue V-Belt (1/2" X 111" ) (Belt, Deck 48" Secondary) John Deere F525 Lawn & Garden & Specialty Belts | Riding Mower | A109KThe Kevlar Blue V-Belt is an e.. $25.23 I have a JD f525 front end mower that fires right up and runs for about 30 minutes before bogging down and stalling. I can prevent it stalling by disengaging the PTO and backing down the throttle halfway. After idling at half throttle for 5 or 10 minutes I can resume mowing for another 20 minutes before the issue happens again. So far I've replaced the fuel filter, air filter, oil filter, fuel pump, spark plug, and ignitor. I've exhausted my troubleshooting ideas. Anyone have any ideas of what c... So my ever week mower decided to take a dump and am stuck push mowin mu massive yard. It takes almost an entire day with breaks in between to get it mowed. And my Huskee will take about 200 bucks to fix so im almost at the point of just buying ankther mower at this point. But i do have a nice barn find 1970s john deere 214 that has only minor issues but will take a few months to get it up and in mowing shape. However i have found a nice john deere 111 mower that runs and drives great on craigsli...
Description. Secondary deck drive belts power the lawn mower blades. Used with primary deck drive belt (M95121) that pulls power from the engine. John Deere belts contain strong material to prevent stretching and roll over which provides smooth engagement and consistent power to the mower deck. Fits F525 Serial Numbers Below 130,000. So my dad got a f525 mower and got it running but we don't know how to put it in reverse if it even has reverse if anyone can tell use how it would be appreciated CALL US AT (855) 669-7278 John Deere F525 Front Mower Parts 46 Mower Deck Quick Reference Guide. Click the part number below to view and order John Deere F525 Front Mower Parts 46 Mower Deck, or search illustrated diagrams to determine the part you need. Order John Deere Lawn Tractor Parts Online. Same Day & Flat Rate Shipping! 1990 John Deere F525 w/ 48" deck Up for sale is a nice clean John Deere F525 with a 48" deck and 652 hours. Has an oil leak which we'll fix for asking price or take $350 off. Get Shipping Quotes Apply for Financing
46-inch Mower Deck Parts for F525 - Before machine serial number 100,000. ... John Deere Deck Drive Belt - M95087 (2) $70.39. Usually available. Add to Cart. Quick View. John Deere Deck Roller Spacer Bushing - M122688 (0) $7.82. Usually available. V-Belt - V-BELT, 2/3" X 88": Find parts & diagrams for your John Deere equipment. ... V-BELT, 2/3" X 88": Find parts & diagrams for your John Deere equipment. Search our parts catalog, order parts online or contact your John Deere dealer. ... 38 in. deck Maintenance Reminder Sheet - F510 Front Mower Lawn Tractor - 46 in. deck Maintenance ... On a john deere f525 lawn mower why does it backfire with starting fluid but will not start? ... A picture of the wiring diagram for john deer f525? yes. ... How install belt for john deere f525 ... Follow the steps carefully to put on the belt on the mower: Take Off The Shields All you have to do to take off the previous belt is to take off the shield. The shields should be secured with a few bolts. Take them off to unhook the shields. Make sure you take off the shields on both sides. Take Out The Old Belt Afterward, take the old belt out.
Service Schedule Parts for a John Deere F525 Front Mower & Parts List. While your John Deere machine is certainly built with quality parts, they have a limited life. Good news is you can easily service your machine yourself using a John Deere maintenance kit or service kits or by getting the specific John Deere part needed to keep your John Deere mower or tractor running for a long time.
John Deere F525 Parts The F525 Front Mount Lawn Mower came standard with 17HP K Series 1-cylinder, 4 cycle John Deere Engine; 4.3 L oil capacity; and 2.75 gal Fuel Tank Capacity. Regular Maintenance should be performed on the F525 every 50 hours and should include Air Filter, Oil Filter with fresh oil, and sharpening or replacing mower blades.
John Deere AG, Lawn & Garden and CWP Equipment Parts Search. John Deere parts lookup tool and diagram is an incredible online source. It is a complete catalog that shows you detailed parts diagrams of every part of your machine. This online parts catalog is robust and easy to use. Searching for your John Deere parts online has never been easier.
62c deck. The old belt was all black but the new belt came wit the white coating
John deere x304 traction drive belt replacement seeing help. For example the operators manual parts diagram reference guides safety info etc. It is a complete catalog that shows you detailed parts diagrams of every part of your machine. Joined Jan 14 2014. I need a belt diagram for secondary belt on a john deere f525 with a 48 inch deck.
Changing your Deck Blade is Simple!Always stock a spare belt for yours!https://www.ebay.com/itm/121952250906Oil change https://www.youtube.com/watch?v=0VvP5...
This is a complete revision for TM1475ÐF510 and F525 Residential Front Mowers. Discard TM1475 dated (01MAY92) and replace with this manual. New information added to this manual includes: 1. Updated engine repair procedures and specifications. 2. New engine adjustment procedures. 3. New electrical wiring harness diagrams. 4.
70 MOWER DECK F510 - MOWER, FRONT EPC John Deere online advisor sale parts diagram catalog
John deere belt diagram 48 ions s with pictures fixya john deere f525 diagram basic electronics wiring f620 wiring diagram tutorial john deere d160 lawn tractor parts service mower. John Deere La100 La110 La120 La130 La140 La150 Riding Lawn Tractors Technical Service Manual Tm2371 Truck.
Belt sizes for John Deere lawn and garden belts. Application, parts number, and belt sizes available.
TM1475 (23OCT95) F510/F525 Front Mowers 131295 PN=4 JOHN DEERE DEALERS This is a complete revision for TM1475—F510 and F525 Residential Front Mowers. Discard TM1475 dated (01MAY92) and replace with this manual. New information added to this manual includes: 1. Updated engine repair procedures and specifications. 2.
I installed a new belt on my JD L100 mower, but it keeps slipping off. I followed the manufacture’s directions, used a genuine JD belt, and it works through 1/2 my mow, then slips off. Can anyone tell me what I might be doing wrong? Or if there is a way to tighten the belt after I reinstall it again. Thanks!!!
John Deere F525 Riding Lawn Mower Replacement Belt Original Equipment Manufacturer John Deere OEM Part Number A81K Machine Riding Lawn Mower Model F525 Belt Type 4LK/AK Aramid VBG Replacement Id APPL664834 Technical Specifications: (Inches) (mm) Outside Circumference 83.00 2108.20 Top Width 0.50 12.70 Belt Depth 0.3125 7.9375 Bands Single Belt
John Deere Original Equipment Primary Mower Belt M95121 fits models F510 and F525 with 38" or 48" mowing decks. This is a genuine John Deere part. Thanks for looking!
Replace voltage regulator on John Deere F525 riding mower John Deere F525 Deck Belt Replacement DIY Save Money Lawn Mower Repair John Deere Coil Test X485 {Kawasaki} John Deere F525 Mower Owners ... John Deere F525 Parts Diagram JOHN DEERE 655 755 855 955 756 856 COMPACT UTILITY TRACTOR Repair Manual.pdf; John Deere 8100_8200_8300_8400 Tractors ...
So, I have a john deere f525. It will not crank and the battery light comes on with a brand new battery installed. Now the engine will crank just fine if I jump the positive terminal to the switch post on the solenoid so I know the starter is fine. I have also tested the solenoid with a multimeter according to the repair manual and that tests ok. I think the problem is elsewhere in the circuit. I have cleaned every ground I can find and checked all the plug connectors all over the tractor inclu...
HD Switch 10 AMP OEM Upgrade Blade Clutch Engagement PTO Switch Replaces John Deere F510 F525 F620 F680 F687 F710 F725 F735
Diagram group F510 and F525 Front Mowers John Deere : 20 ENGINE AND POWER TRAIN CCE. 30 FUEL AND AIR CCE. 40 ELECTRICAL CCE. 50 STEERING, BRAKES AND FOOT CONTROL LINKAGES CCE. 60 WHEELS, NON-POWERED AXLES, FRAME, SHEET METAL AND OPERATOR'S STATION CCE. 70 MOWER DECK CCE. 90 LABELS CCE.
Description. Factory Technical Repair Manual TM For John Deere Front Mower F, F Step by step detailed instructions, illustrations, diagrams for service, preventative maintenance, repair, overhaul, tune-up. inch Mower Deck Parts for F - After machine serial number ,Lx Wiring Diagram - Wiring Diagram SchematicsJohn Deere F Front Mower Parts
John Deere F510 and F525 Front Mowers Service Manual John Deere F525 Deck Belt Replacement DIY Save Money Lawn Mower Repair john deere f525 LOT 1784A John Deere ... Deere Tractor Pto Wiring Diagram John Deere F525 in Operation John Deere F525 Owners Manual F510 and F525 PIN (120001 -) Introduction. ...
John Deere Parts Diagrams, John Deere F510 & F525 Front Mount Mower Decks 48" Mower Deck -PC2262 ... Mower Deck Lift Linkage & Caster Wheels 1.17m 46" - 100000: MOWER ...
I find that on uneven ground my mower deck scalps my yard. The dealer told me the mower deck wheels should really never touch/ride on the ground. So I put the wheel as high as they go and that’s when the scalping occurs. I cut my grass at 3inchs if anyone has any recommendations I would appreciate it.
TCU26966. John Deere 54" 7-Iron Deck Spindle Drive Sheave - TCU26966. In Stock. $57.82. $57.82. 19. AUC16478. John Deere Idler Pulley - AUC16478.
My mother inlaw has a john deere f525 lawn tractor with 48 inch mower. Her mower belt would pop off almost instantly when mower engaged. I also have a f525 as her belt was worn i put my mower belt on to see if that was the problem. Now my mower belt stayed on till her pto belt shreded about 5 minutes.
0 Response to "37 john deere f525 mower deck belt diagram"
Post a Comment