Iklan 300x250

42 rowenta iron parts diagram

Rowenta Iron Manuals | Guidessimo.com ℹ Rowenta Iron manuals are introduced in database with 141 documents (for 288 devices). You are free to download any Rowenta Iron manual in PDF format. For Rowenta Iron Devices found 141 User Guides, Owner's Instructions and Manuals. Top 21 Best Rowenta Iron to Buy 2022 - The Ultimate Guide Best Rowenta iron can be hard to find if you do not know where to look. Let's dive into my honest Rowenta iron reviews and choose a Rowenta Rowenta is the most popular brand for manufacturing irons of all times. No one beats Rowenta when it comes to irons. They deliver high-quality units ever...

Rowenta Iron Parts | Partmaster Rowenta Iron parts - repair your Rowenta Iron with a Iron spare part from Currys Partmaster. Worldwide and Next Day UK delivery. Our Rowenta Iron parts range is available for delivery worldwide and for UK customers there is the option of next day delivery on all in stock Rowenta Iron...

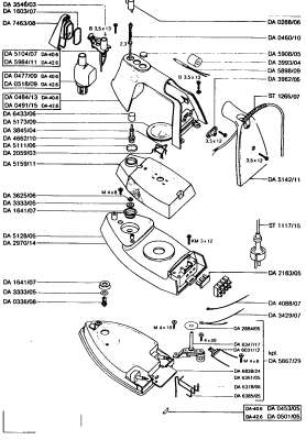
Rowenta iron parts diagram

Rowenta iron parts diagram

41 rowenta iron parts diagram - Diagram For You Nov 29, 2021 · Rowenta Service Manual Rowenta rowenta de 871 iron repair manual. rowenta ' Rowenta-dg980-parts-diagram ' at All Service and Parts Manuals. Rowenta Expert Steam The Rowenta DG8250 Perfect Steam Steam Station and its sibling, Rowenta DG8520 Perfect Steam iron Station Eco Energy with 400-Hole Stainless Steel soleplate, I could not find the parts ' diagram, only the parts ' list. PDF Rowenta Irons Rowenta Irons. A pioneer in technologically advanced irons, Rowenta has perfected four key attributes that add up to efficient, convenient ironing: abundant, continuous steam; precise, consistent temperature; friction-free soleplates that glide effortlessly; and large-capacity tanks you can fill with... Best Rowenta Steam Iron 2022 (Reviews) Rowenta Irons are definitely a good choice for most everyday users. They are reliable, have proper customer support & their product quality is good. Because the cord can mess up with the recent ironed fabric while ironing other parts of the same fabric.

Rowenta iron parts diagram. Troubleshooting Rowenta Irons | Hunker Many Rowenta irons have an automatic shut-off feature that turns the iron off if it sits too long. It's possible that while you were carefully positioning a Rowenta irons possess an anti-drip feature that prevents water from leaking out of the soleplate onto your clothes. If the soleplate isn't hot enough... PDF Rowenta Irons Repair Manual Rowenta Irons Repair Manual. Recent Rowenta DG5030 Iron questions, problems & answers. Upload a Manual (+5pts). Or just drag it here! Get Download Your Manual And User Guides For Steam Iron Parts Diagram Shop the world's largest selection of rowenta steam iron repair manual. How to Clean a Rowenta Iron | WrinkleFreeSteamer Rowenta irons are highly recognized products. Although it may be easy to use them, cleaning them can take time to get a hang of. Cleaning a Rowenta Iron with Vinegar. Vinegar is a highly popular cleaning agent that has many use s. It is great for descaling water reservoirs due to its high acidity. Rowenta Focus Iron Parts How to use a Rowenta iron remove any labels from the appliance before heating up the iron your iron has been designed to ... A short instructional video on how to properly clean the soleplate of your iron using the Rowenta soleplate cleaner kit.

rowenta iron parts list - Search Find easily original spare parts and accessories for Steam iron - Rowenta. Forgotten password. ... Rowenta DW2170 Access Steam Iron Blue 1600 User manuals, Rowenta Iron Operating guides and Service manuals.. Source Rowenta dgu0 b80 parts list and diagram ereplacementparts com... OEM Rowenta Iron Parts | Expert DIY Repair Help & Fast ... Fix Number FIX10406227. Manufacturer Part Number RS-DW0201. This is an authentic OEM replacement part for select models of Rowenta Irons. To see if this is compatible with your Iron, please see the "Model Cross Reference List" below. This part includes the Power Cord, the Control Board, and the Strain Relief. Rowenta Dg5030 Parts Diagram - schematron.org Jan 29, 2019 · Parts & Accessories» Steam Irons» Rowenta DG Pressure Iron and Steamer. Rowenta DG Pressure Iron and Steamer User Manual Schematics . i took my Rowenta DG Iron apart to repair the power wire and in the The ManualsOnline team has found the manual for this product!. We have parts, diagrams, accessories and repair advice to make your tool ... A Comprehensive Review of the Best Rowenta Iron... - RightPickNow If you want to buy the best rowenta iron, this is the article that you need to read to acquire the best product to serve you better. The good news, however, is that the best Rowenta iron is here to save you from the struggle. Say bye to the irons that have often caused you more harm than joy by buying...

19 Iron ideas | iron, autocad isometric drawing, rowenta See more ideas about iron, autocad isometric drawing, rowenta. rowenta iron diagram - Google Search. Classroom Board. Industrial Design Sketch. iron parts - Google Search. Rowenta Iron 6080 Disassembly - YouTube Rowenta Iron 6080 Disassembly. Смотреть позже. Поделиться. Rowenta Iron Manuals and User Guides PDF Preview and Download Download manuals & user guides for 210 devices offered by Rowenta in Iron Devices category. Choose one of the enlisted appliances to see all available service manuals. 30 Rowenta Iron Parts Diagram - Wiring Database 2020 Rowenta iron parts diagram. This part includes the power cord the control board and the strain relief. Buyspares are the appliance parts expert and all our parts are available to buy online. Use our part lists interactive diagrams accessories and expert repair advice to make your repairs easy.

Rowenta Irons - BuySpares

Rowenta Irons - BuySpares

Rowenta Iron Parts Diagram - schematron.org Oct 10, 2018 · Rowenta Iron Parts Diagram. Products 1 - 32 of 32 Rowenta COMPACT GARMENT STEAMER User Manual. Pages: 12 Rowenta Instructions for use Steam Iron DG , DG Pages: Rowenta IS Iron, parts diagram related issues. Get free help, solutions & advice from top Rowenta experts.

Manual Swan SI11010 (page 6 of 12) (English)

Manual Swan SI11010 (page 6 of 12) (English)

Rowenta Iron Reviews - The 5 Best Rowenta Iron Models Reviewed As an Amazon Associate, I earn from qualifying purchases, at no extra cost to you. Best Rowenta Irons Introduction. Today I am going to review the best Rowenta steam irons on the market in 2020. Rowenta irons are one of the most respected brands in the steam iron market and rightfully so...

User manual and frequently asked questions Perfect Steam DG8520U1

User manual and frequently asked questions Perfect Steam DG8520U1

Steam Irons - Rowenta Rowenta steam irons are delivering perfect ironing results by combining power, performance and precision. Our line of German-engineered Steam Irons will smooth away the toughest wrinkles from your cottons, linens and delicate silks in a single pass.

Rowenta Eco Intelligence DW6080 manual

Rowenta Eco Intelligence DW6080 manual

SOLVED: eReplacementParts.com parts diagram - Fixya Rowenta Iron Parts - eReplacementParts.com. Fix your Rowenta Iron today with parts, diagrams, accessories and repair advice from eReplacement Parts!

Rowenta Variable steam control iron User's Manual | Manualzz

Rowenta Variable steam control iron User's Manual | Manualzz

User manual and frequently asked questions Steam iron Rowenta Steam iron. ‹ › Search. How to find my product reference? Choose your product range by clicking on the picture or enter the name or the reference of your Rowenta product in the search engine (on the left of the page).

Rowenta Pro Master Iron | DG5030U0/B80 | eReplacementParts.com

Rowenta Pro Master Iron | DG5030U0/B80 | eReplacementParts.com

Rowenta Iron Spares | BuySpares | BuySpares Approved part Buy Rowenta Iron spares and parts with confidence at BuySpares - Rowenta Approved Dealer, Price Match Guarantee and Next Day UK Delivery available! Get the replacement part you need for your Rowenta Iron from the UK's largest supplier of appliance spare parts. Our range includes everything...

User manual Rowenta Effective DW4010 (English - 96 pages)

User manual Rowenta Effective DW4010 (English - 96 pages)

Rowenta Iron Parts Diagram - Atkinsjewelry The original spare parts and accessories for your rowenta appliances can easily be found on the official shop for our rowenta brand. To see...

Rowenta is committed to the repairability of its products.

Rowenta is committed to the repairability of its products.

Troubleshooting: Rowenta Iron Leaks Water From Bottom Why Does my Rowenta Iron Spit Water? Rowenta Iron Will Not Steam. How Long for Rowenta Iron to Heat Up. Heat is not always an instantaneous feature on just about anything. Finally, it may be the soleplate that is causing the spitting problem. If this part of your iron becomes defective, it may not be...

Rowenta Professional Iron | DE880 | eReplacementParts.com

Rowenta Professional Iron | DE880 | eReplacementParts.com

Best Rowenta Iron Reviews of 2022 (Top 7) - Oh So Spotless Rowenta irons are some of the most popular on the market. If you want wrinkle-free and professional results at a modest price, then we For the most astounding results, we've put together a list of the seven best Rowenta iron reviews. Our Top Picks. Oh So Spotless earns a commission through the...

PHILIPS Steam Iron User Manual - Manuals+

PHILIPS Steam Iron User Manual - Manuals+

Rowenta Iron Parts | Fast Shipping | eReplacementParts.com Rowenta Iron parts that fit, straight from the manufacturer. Use our interactive diagrams, accessories, and expert repair help to fix your Rowenta Iron. Genuine Rowenta replacement part, this item is sold individually. The Seal/Cap is placed at the bottom of the CS-00098729 Boiler Cap.

Rowenta Pressure Iron And Steamer Users Manual Notice &

Rowenta Pressure Iron And Steamer Users Manual Notice &

5 Best Rowenta Steam Irons - Mar. 2022 - BestReviews Rowenta steam irons have straightforward controls that are easy to operate. We factor the quality of the controls into our evaluations. However, if your water is very hard, mix one part tap water with one part distilled water. Avoid the risk of electric shock. Never fill the water tank of your steam iron while...

Manual Rowenta DW9240 STEAMFORCE (page 11 of 17) (English)

Manual Rowenta DW9240 STEAMFORCE (page 11 of 17) (English)

Rowenta Steam Iron | DW9280U1 | eReplacementParts.com I could not find the parts' diagram, only the parts' list. Can you send me a diagram, please? Leon for model number Rowenta DW9280U1 (Serie A)(1110030616) Steam Iron Parts asked on 2019-10-22

ROWENTA AUTOSTEAM DZ1500 MANUAL Pdf Download | ManualsLib

ROWENTA AUTOSTEAM DZ1500 MANUAL Pdf Download | ManualsLib

Rowenta Irons UPC & Barcode | upcitemdb.com Find Rowenta Irons UPC & Barcode, including barcode image, product images, Rowenta Irons related product info and online shopping info. Rowenta DW5080 Focus 1700-Watt Micro Steam Iron Stainless Steel Soleplate with Auto-Off, 400-Hole, Brown.

Rowenta DW9080 Manuals | ManualsLib

Rowenta DW9080 Manuals | ManualsLib

Оригинальные аксессуары к приборам Rowenta Вы можете... Где купить. Всё о ROWENTA. Всё о Rowenta. О НАС.

Rowenta Irons - BuySpares

Rowenta Irons - BuySpares

ROWENTA PRECISION STEAM IRON INSTRUCTIONS... | ManualsLib Rowenta ultra professional steam iron instructions (12 pages). Iron Rowenta Variable steam control iron Manual. Start at low temperature high temperature . For delicate fabrics we recommend carrying out a test on an unobstrusive part of the garment (inner seam).

Rowenta DA15 Irons Spares

Rowenta DA15 Irons Spares

Buy your accessories and spare parts from the Rowenta shop. The original spare parts and accessories for your Rowenta appliances can easily be found on the official shop for our Rowenta brand.

Rowenta Professional Iron | DE92.1 | eReplacementParts.com

Rowenta Professional Iron | DE92.1 | eReplacementParts.com

Best Rowenta Steam Iron 2022 (Reviews) Rowenta Irons are definitely a good choice for most everyday users. They are reliable, have proper customer support & their product quality is good. Because the cord can mess up with the recent ironed fabric while ironing other parts of the same fabric.

User manual Rowenta DG5060 (English - 85 pages)

User manual Rowenta DG5060 (English - 85 pages)

PDF Rowenta Irons Rowenta Irons. A pioneer in technologically advanced irons, Rowenta has perfected four key attributes that add up to efficient, convenient ironing: abundant, continuous steam; precise, consistent temperature; friction-free soleplates that glide effortlessly; and large-capacity tanks you can fill with...

Philips EasySpeed 2100W Steam Iron Disassembly - iFixit ...

Philips EasySpeed 2100W Steam Iron Disassembly - iFixit ...

41 rowenta iron parts diagram - Diagram For You Nov 29, 2021 · Rowenta Service Manual Rowenta rowenta de 871 iron repair manual. rowenta ' Rowenta-dg980-parts-diagram ' at All Service and Parts Manuals. Rowenta Expert Steam The Rowenta DG8250 Perfect Steam Steam Station and its sibling, Rowenta DG8520 Perfect Steam iron Station Eco Energy with 400-Hole Stainless Steel soleplate, I could not find the parts ' diagram, only the parts ' list.

Rowenta DE131 Small Appliance Spares | BuySpares

Rowenta DE131 Small Appliance Spares | BuySpares

2002 Kawasaki JET SKI ULTRA 150 (JH1200-A4) Hull Cover ...

2002 Kawasaki JET SKI ULTRA 150 (JH1200-A4) Hull Cover ...

Rowenta Super Press Iron | DG050 | eReplacementParts.com

Rowenta Super Press Iron | DG050 | eReplacementParts.com

User manual and frequently asked questions Steam iron Rowenta

User manual and frequently asked questions Steam iron Rowenta

Rowenta Pro Master | DW8080U1 | eReplacementParts.com

Rowenta Pro Master | DW8080U1 | eReplacementParts.com

Manual Rowenta DG 9040 (page 5 of 84) (German, French ...

Manual Rowenta DG 9040 (page 5 of 84) (German, French ...

Rowenta DG 580 Specifications | Manualzz

Rowenta DG 580 Specifications | Manualzz

OEM Rowenta Iron Parts [DX8906U1] | Repair Videos & Diagrams ...

OEM Rowenta Iron Parts [DX8906U1] | Repair Videos & Diagrams ...

OEM Rowenta Iron Parts [DW9080U1] | Repair Videos & Diagrams ...

OEM Rowenta Iron Parts [DW9080U1] | Repair Videos & Diagrams ...

Rowenta Pro Fresh Dg7160 Users Manual NOT 016784

Rowenta Pro Fresh Dg7160 Users Manual NOT 016784

User manual Rowenta Focus DW5020 (English - 45 pages)

User manual Rowenta Focus DW5020 (English - 45 pages)

Rowenta DA15 Irons Spares

Rowenta DA15 Irons Spares

Rowenta Pro Precision Iron | DG8430U0/23 | eReplacementParts.com

Rowenta Pro Precision Iron | DG8430U0/23 | eReplacementParts.com

User manual and frequently asked questions Steam iron Rowenta

User manual and frequently asked questions Steam iron Rowenta

Rowenta Iron | DG980 | eReplacementParts.com

Rowenta Iron | DG980 | eReplacementParts.com

Rowenta Steam Iron | DW9080U1 | eReplacementParts.com

Rowenta Steam Iron | DW9080U1 | eReplacementParts.com

Manual Rowenta DW9214 (page 3 of 70) (All languages)

Manual Rowenta DW9214 (page 3 of 70) (All languages)

Rowenta is committed to the repairability of its products.

Rowenta is committed to the repairability of its products.

Rowenta DW9280 Digital Display Steam Iron Instruction Manual ...

Rowenta DW9280 Digital Display Steam Iron Instruction Manual ...

User manual Philips GC7230 (English - 92 pages)

User manual Philips GC7230 (English - 92 pages)

wiring diagram iron Questions & Answers (with Pictures) - Fixya

wiring diagram iron Questions & Answers (with Pictures) - Fixya

Iron Repair - No Power or bad wire in cord - Rowenta Master

Iron Repair - No Power or bad wire in cord - Rowenta Master

Amazon.com: SERVICE_PARTS Control PCB Assy + Box for Philips ...

Amazon.com: SERVICE_PARTS Control PCB Assy + Box for Philips ...

0 Response to "42 rowenta iron parts diagram"

Post a Comment

Iklan Atas Artikel

Iklan Tengah Artikel 1

Iklan Tengah Artikel 2

Iklan Bawah Artikel