42 troy bilt pulley diagram
42 troy bilt mower drive belt diagram - Wiring Diagram Images Troy Bilt Pony 7 Speed Belt Diagram. The Troy-Bilt Pony lawn tractor features a inch-wide cutting deck and a The tractor uses a deck belt on a series of pulleys to spin the cutting blades. 7. Locate the deck lift rod on the mower deck, and remove the bow-tie pin. Drive Belt Replacement in a Cub Cadet Series · Install a Deck Belt on a Inch. Troy-Bilt 23AAAA8X766 - Troy-Bilt FLEX Mower Attachment (2019 ... General Assembly diagram and repair parts lookup for Troy-Bilt 23AAAA8X766 - Troy-Bilt FLEX Mower Attachment (2019) The Right Parts, Shipped Fast! ... SPINDLE ASSEMBLY-W/PULLEY 5.08 DIA. Usually ships in 5 to 10 days $ $ 116.71. Add to Cart 0. 2.
42 troy bilt mower deck diagram - Wiring Diagrams Manual Troy bilt mower deck diagram. Place the bar back into the mount of the front of the deck and secure it with the pin. Place the bars back through the desired mounts and secure them with the spin to reattach the rear of the deck. Using the bar control lever on the mower, raise the deck back to the desired position.

Troy bilt pulley diagram
Troy Bilt 13wv78ks011 Drive Belt Diagram - Diagram World Troy Bilt 13wv78ks011 Drive Belt Diagram. Parts diagrams and manuals available. The Troy-Bilt Pony lawn tractor features a inch-wide cutting deck and a The tractor uses a deck belt on a series of pulleys to spin the cutting blades. Troy Bilt 13wv78ks011 Bronco 15 Lawn Tractor Partswarehouse. Troy-Bilt 5411 - Troy-Bilt Pony VI Rear-Tine Tiller (SN ... ENGINE PULLEY & BELTS diagram and repair parts lookup for Troy-Bilt 5411 - Troy-Bilt Pony VI Rear-Tine Tiller (SN: S0204133 - S0242649) 13WN77BS211 Pony (2017) Transmission Pulley - Jacks ... Troy Bilt 13WN77BS211 Pony (2017) Transmission Pulley Exploded View parts lookup by model. Complete exploded views of all the major manufacturers.
Troy bilt pulley diagram. Troy bilt bronco drive belt diagram Troy Bilt Bronco Drive Belt Diagram If you're searching for troy bilt bronco drive belt diagram pictures information related to the troy bilt bronco drive belt diagram keyword, you have pay a visit to the ideal site. Our site frequently gives you hints for seeking the highest quality video and image content, please kindly search and locate more informative video articles and graphics that ... Troy-Bilt Parts Diagrams Lookup Parts by Diagram. Use our parts diagram tool below to find the parts you need for your machine. Select the model and year, then browse the parts diagrams to find the right part. Add to cart when you're ready to purchase and we'll ship it to you as soon as possible! Financing Now Available for Online Purchases.*. Learn More. Troy-Bilt 13AN77TG766 - Troy-Bilt Pony Lawn ... - PartsTree Drive diagram and repair parts lookup for Troy-Bilt 13AN77TG766 - Troy-Bilt Pony Lawn Tractor (2007) The Right Parts, Shipped Fast! ... Pulley Assy, Variable Speed (Superseded to 956-04015B) ... Troy Bilt Bronco Riding Mower Belt Diagram - schematron.org Sep 13, 2018 · Begin with the placing the belt over the engine pulley. Slowly work the belt to the rear of the mower. Pull the slack (loose part of the belt) to rear of the mower. Slide the belt over the transaxle pulley.SOLVED: Where can I get all three belt diagrams for a troy - FixyaTroy-Bilt 13WX78KS Parts List and Diagram - (Bronco) : schematron.org
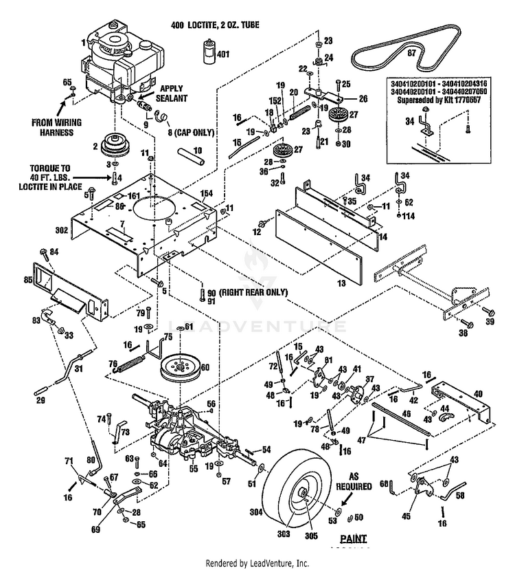
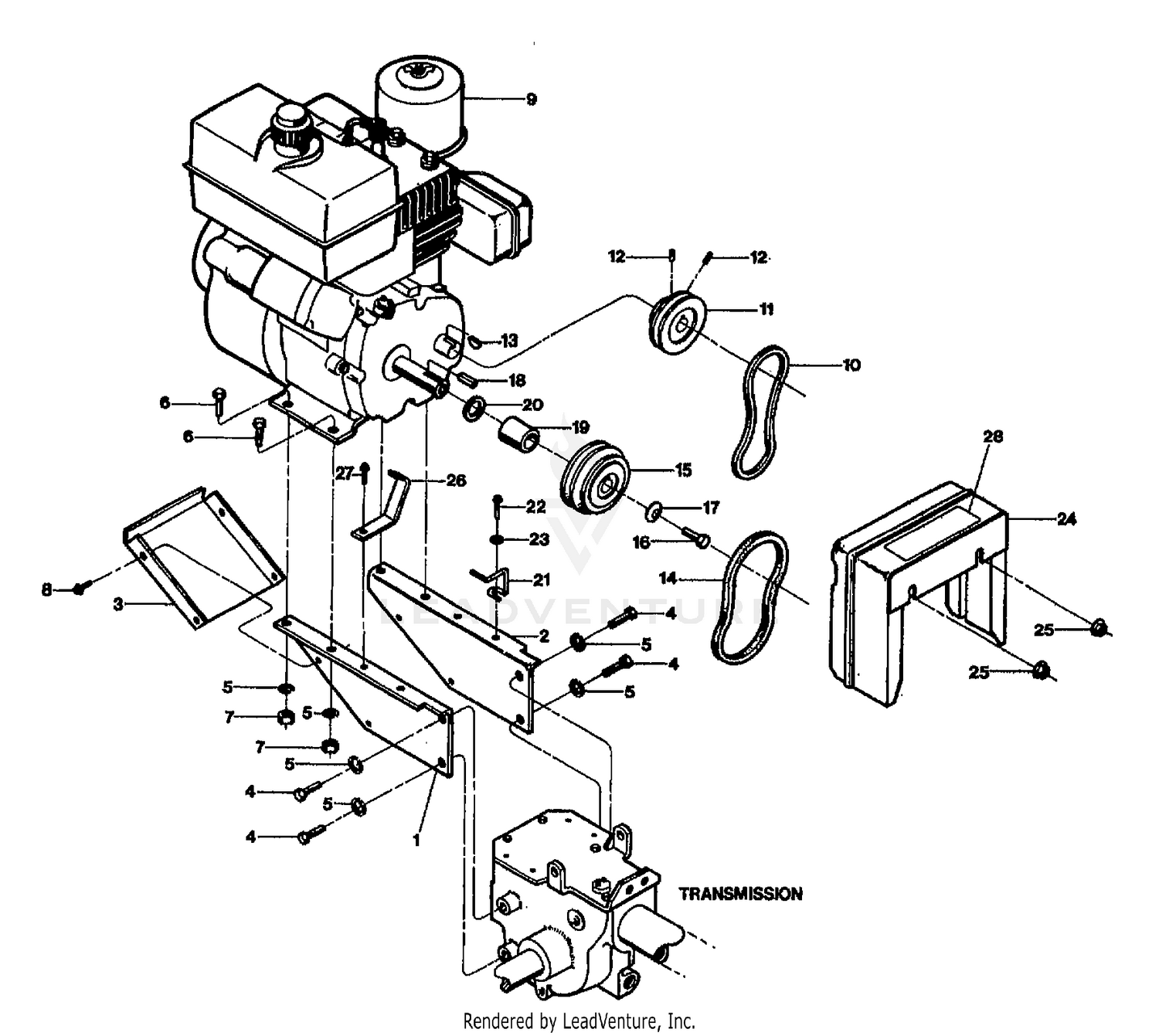
Troy Bilt 13WV78KS011 Bronco (2016) Parts Diagrams Troy Bilt 13WV78KS011 Bronco (2016) Parts Diagrams. Parts Lookup - Enter a part number or partial description to search for parts within this model. There are (315) parts used by this model. CAP VINYL .29 X . Troy-Bilt Horse II - Troy-Bilt Rear-Tine Tiller, 8hp (SN ... ENGINE, PULLEYS, BELTS, HANDLES & SHIFTS diagram and repair parts lookup for Troy-Bilt Horse II - Troy-Bilt Rear-Tine Tiller, 8hp (SN: 001001 - 639999) Troy Bilt 46 Inch Riding Mower Belt Diagram - Diagram ... Replacement mower belts are available online and at specific retailers. My troy bilt bronco riding mower deck belt comes off the pulleys after i disengage the pto. Order you troy bilt blade spindle assembly kit from psep.biz where you will find low priced, quality replacements. troy bilt 46 inch riding mower belt diagram Troy Bilt 13WN77BS011 Pony (2017) Parts Diagrams - Jacks ... Troy Bilt 13WN77BS011 Pony (2017) Exploded View parts lookup by model. ... Spindle Pulley Assembly ... Found on Diagram: Transmission Pulley.
Troy Bilt 13WM77KS011 Pony (2015) Mower Deck 42-Inch ... Troy Bilt 13WM77KS011 Pony (2015) Mower Deck 42-Inch Exploded View parts lookup by model. ... See: Ariens exploded parts diagrams. We sell parts & accessories for your Briggs & Stratton equipment. ... Cap Idler Pulley . $4.70 Add to Cart. 43. 78308510A0638 . COVER DECK BELT(MTD/Troy-Bilt Red) $11.30 Add to Cart ... TB42 7-Speed (13B277KS066) (2017) Drive Pulley - Jacks ... Troy Bilt TB42 7-Speed (13B277KS066) (2017) Drive Pulley Parts Diagram. SWIPE SWIPE Previous Diagrams Next Diagrams. Troy Bilt Pony 7 Speed Belt Diagram - schematron.org Troy Bilt Pony 7 Speed Belt Diagram. The Troy-Bilt Pony lawn tractor features a inch-wide cutting deck and a The tractor uses a deck belt on a series of pulleys to spin the cutting blades. 7. Locate the deck lift rod on the mower deck, and remove the bow-tie pin. Drive Belt Replacement in a Cub Cadet Series · Install a Deck Belt on a Inch. Troy Bilt 13YX78KS011 Bronco (2013) Parts Diagrams Troy Bilt 13YX78KS011 Bronco (2013) Exploded View parts lookup by model. Complete exploded views of all the major manufacturers. ... See: Ariens exploded parts diagrams. ... Flat Idler Pulley. Options Add to Cart. 75604325 . Idler V Pulley. $17.66 Options Add to Cart. 78304536B0637 . BRACKET PEDAL SUPP. $4.22 Options ...
Troy Bilt Pony Drive Belt Diagram Jan 11, 2018 · The upper drive belt on the inch Troy-Bilt lawn mower is the only serviceable Draw a diagram of how the belt routes around the pulleys on the mower deck. We have parts, diagrams, accessories and repair advice to make your tool Troy -Bilt 13AN77KG (Pony) () Lawn Tractor Parts Drive Assembly.Troy Bilt 13ANG Pony () Drive Exploded View parts ...
Troy-Bilt Tillers Horse Parts with Diagrams - PartsTree Troy-Bilt Tillers Horse parts with OEM Troy-Bilt parts diagrams to find Troy-Bilt Tillers Horse repair parts quickly and easily. The Right Parts, Shipped Fast!
Shop Troy-Bilt Parts | MTD Parts Find all the genuine replacement parts for Troy-Bilt on our Parts Diagram. We carry everything for your machine and the Parts Diagram helps visualize every component found in your equipment. Give it a try and if you can't find what you are looking for or need assistance installing the new part, call 1-800-269-6215 today.
Troy-Bilt : eReplacementParts.com In stock: Order by 4pm EST and your order will ship today. $24.10. Troy- Bilt Pulley. Part Number: 756-04087B. Replaces: 753-05542, 756-04087, 756-04087A, 756-04087B. Special order: Leaves our warehouse within 4 - 9 business days. $9.43. Troy- Bilt Hub, Pulley, 5/ 8 Spline. Part Number: 718-04407.
Troy Bilt 17ARCACQ011 Mustang 50 XP (2015) Parts Diagram ... Troy Bilt 17ARCACQ011 Mustang 50 XP (2015) Mower Deck 50-Inch Exploded View parts lookup by model. Complete exploded views of all the major manufacturers. It is EASY and FREE
Idler Pulley Kit - 4.25" Dia - 753-08171 | Troy-Bilt US Idler Pulley Kit - 4.25" Dia - 753-08171 | Troy-Bilt US. Service & Parts. Shop By Part Type. Pulleys. Idler Pulley Kit - 4.25" Dia. Item#: 753-08171. Free Shipping on Parts*. $29.69. No rating value average rating value is 0.0 of 5.
Troy Bilt 13WN77BS011 Pony (2017) Transmission Pulley ... Troy Bilt 13WN77BS011 Pony (2017) Transmission Pulley Exploded View parts lookup by model. Complete exploded views of all the major manufacturers. It is EASY and FREE
Riding Mower Pulleys | Troy-Bilt US Searching for Riding Mower Pulleys? We have the OEM Troy-Bilt parts that you're looking for! Parts orders over $45 ship free. All orders placed before 5 pm ship next day.
Troy-Bilt TB 2454 (13AAA2KW066) - Troy-Bilt Lawn Tractor ... Mower Deck 54-Inch diagram and repair parts lookup for Troy-Bilt TB 2454 (13AAA2KW066) - Troy-Bilt Lawn Tractor (2015) Weather Notice: Shipments may be delayed due to inclement weather. The Right Parts, Shipped Fast!
Troy Bilt 13AN77BS011 Pony (2017) Parts Diagrams ... Troy Bilt 13AN77BS011 Pony (2017) Exploded View parts lookup by model. ... Spindle Pulley Assembly ... Found on Diagram: Transmission Pulley.
Tiller and Cultivator Pulleys | Troy-Bilt US Searching for Tiller and Cultivator Pulleys? We have the OEM Troy-Bilt parts that you're looking for! Parts orders over $45 ship free. All orders placed before 5 pm ship next day.
Troy Bilt Horse Xp Belt Diagram Troy Bilt 13WX79KT Horse XP () Mower Deck Parts Diagram. SWIPE SWIPE Previous . Deck Belt Cover $ Extension Spring. They're more concerned with making it difficult for the belt to come off. of the small pulleys (#75 in the diagram) pivots and give you enough slack to fit the whole thing properly. On a Horse XP there is only one drive pulley.
Troy Bilt Pony 42 Deck Belt Diagram - Diagram Finder Oct 21, 2021 · The Troy Bilt Pony 42 deck belt is designed to connect the crankshaft to the lawn mower blade and cause them to turn. If you notice a problem with your mower blades or the deck belt, you might need the setup diagram to help you put things in order. In this piece, you will find the Troy Bilt Pony 42 Deck Belt Diagram as well as a helpful guide ...
13AN77BS011 Pony (2018) Transmission Pulley - Jacks ... Troy Bilt 13AN77BS011 Pony (2018) Transmission Pulley Exploded View parts lookup by model. Complete exploded views of all the major manufacturers.
Troy-Bilt Operator's Manuals & Illustrated Parts Diagrams Yes, printed Troy-Bilt Operator's Manuals, Illustrated Parts Lists and Troy-Bilt / MTD Engine Manuals are available for purchase. The price for a pre-printed manual is typically less than $20+s/h, but can range up to $45+s/h for larger documents. To order a pre-printed Troy-Bilt manual, have your Model & Serial Number handy and call our ...
Mtd Variable Speed Pulley Diagram Nov 07, · The mower wants to go, problem is, the Flat Idler Pulley now comes into contact with the variator (variable speed pulley) THE EXPLODED VIEW FOR THIS MOWER SAYS THE PULLEY SHOULD BE MOUNTED IN THE HOLE CLOSEST TO THE PIVOT POINT. Good used variable speed pulley This are from a troy bilt mtd made mower This may work on other models ...
13AN77BS011 Pony (2017) Transmission Pulley - Jacks ... Troy Bilt 13AN77BS011 Pony (2017) Transmission Pulley Exploded View parts lookup by model. Complete exploded views of all the major manufacturers.
13WN77BS211 Pony (2017) Transmission Pulley - Jacks ... Troy Bilt 13WN77BS211 Pony (2017) Transmission Pulley Exploded View parts lookup by model. Complete exploded views of all the major manufacturers.
Troy-Bilt 5411 - Troy-Bilt Pony VI Rear-Tine Tiller (SN ... ENGINE PULLEY & BELTS diagram and repair parts lookup for Troy-Bilt 5411 - Troy-Bilt Pony VI Rear-Tine Tiller (SN: S0204133 - S0242649)
Troy Bilt 13wv78ks011 Drive Belt Diagram - Diagram World Troy Bilt 13wv78ks011 Drive Belt Diagram. Parts diagrams and manuals available. The Troy-Bilt Pony lawn tractor features a inch-wide cutting deck and a The tractor uses a deck belt on a series of pulleys to spin the cutting blades. Troy Bilt 13wv78ks011 Bronco 15 Lawn Tractor Partswarehouse.
0 Response to "42 troy bilt pulley diagram"
Post a Comment