Iklan 300x250

42 john deere rx75 belt diagram

JOHN DEERE - Service Manual Download John Deere GX70, GX75, GX85, SX85, GX95, SRX75, SRX95 Riding Mowers Technical Manual (TM1491) John Deere LX172, LX173, LX176, LX178, LX186, LX188 Lawn Tractors Technical Manual (TM1492) John Deere F710, F725 Front Mowers Technical Manual (TM1493) John Deere 21C, 21S, 25S, 30S, 38B Line Trimmers and Brush Cutters Technical Manual (TM1494) RX63 - MOWER, RIDING RX63, RX73, RX75, RX95, SX75 and SX95 ... Diagram group RX63, RX73, RX75, RX95, SX75 and SX95 Riding Mowers John Deere : 20 ENGINE CCE. 30 FUEL AND AIR CCE. 40 ELECTRICAL CCE. 50 POWER TRAIN, STEERING AND BRAKES CCE. 80 WHEELS, NONPOWERED AXLES, SHEET METAL AND OPERATOR'S STATION CCE. 85 MOWER DECK CCE.

rx75 belt problem/diagram? - ssbtractor.com You should have them on the front and rear of each pulley/ allow about 1/4 ich from the pulley. This is should help you out. I need a belt pattern diagram for the rx75 john deere. 30 inch deck. Go to deereparts.com, Look in the parts catalog for an rx75. You can view the deere parts diagrams there.

John deere rx75 belt diagram

John deere rx75 belt diagram

lalocandadellosvapostore.it › wbbuglalocandadellosvapostore.it Feb 28, 2022 · email protected] John Deere RX75 riding lawn mower: review and specs ... The John Deere RX75 is a riding lawn mower with small single cylinder Kawasaki FC290V vertical engine (286 cc, 17.45 cu-in) and gear type transmission (seven forward and one reverse gear). The John Deere RX75 lawn mower was produced from 1987 to 1990. The John Deere RX75 riding mower used an air-cooled single-cylinder four-stroke Kawasaki FC290V gasoline engine with vertical PTO shaft and ... John Deere GX75 and GX95 Riding Mowers Service Technical ... John Deere Pdf Manual Download Preview. This is the complete factory service technical workshop manual for the John Deere GX70, GX75, GX85, SX85, GX95, SRX75, SRX95 Riding Mowers. This Service Manual has easy-to-read text sections with top quality diagrams and Mechanical are specifically written for the do-it-yourselfer as well as the ...

John deere rx75 belt diagram. John Deere SRX75 Parts Diagrams - jackssmallengines.com John Deere SRX75 Exploded View parts lookup by model. Complete exploded views of all the major manufacturers. It is EASY and FREE John Deere Srx75 Belt Diagram - schematron.org The inside of belt will go on back side of each of th 2 blade pulleys. On the discharge side it will come around to the back side of smaller pulley. Nov 30, · john deere rx75 belt routing diagram - John Deere Gx75 Rx75 Srx75 Sx75 9hp question. Search Fixya. Browse Categories Answer Questions John deere rx75 belt routing diagram - John Deere ... slots-casinospiele0.de › john-deere-54-mower-deck-tensionFits On: Z300 Series. Get Free John Deere Mower Deck Manual ... 1 day ago · Features of the 62-in. 61 John Deere - WikipediaDiagram to install belt on john deere 54" deck mowerJohn Deere 425 lawn and garden tractor: review and specs John Deere 44-inch Snow Blower for X300 Series and X500 Diagram to install belt on john deere 54" deck mower. 2-kW)* iTorque™ Power System. ARIMain - Weingartz THROTTLE CONTROL & CABLE: FUEL AND AIR. RX75 RIDING MOWER (9 H.P. ELECTRIC START) -PC2106. TRANSAXLE SHEAVES,BELT GUIDES,SUPPORTS & NEUTRAL START SWITCH: POWER TRAIN,STEERING AND BRAKES. RX75 RIDING MOWER (9 H.P. ELECTRIC START) -PC2106.

ARIMain - Weingartz John Deere Parts Lookup -John Deere-SX95 RIDING MOWER (12.5 H.P. ELECTRIC START) -PC2106 SOLVED: Johndeere gx75 drive belt diagram - Fixya Fig. Belt routing diagram-3.0L engines Fig. Belt routing diagram-4.0L engines Although belt routing diagrams have been included in this section, the first places you should check for proper belt routing are the labels in your engine compartment. These should include a belt routing diagram which may reflect changes made during a production run. John Deere RX75 Lawn Mower Parts - Mutton Power John Deere RX75 Parts. The RX75 Rear Engine Riding Lawn Mower was produced from 1987-1990. Standard features included a 9 HP Kawasaki Engine, 7 speed variable transmission, Independent mid PTO, and a 30" mid mount mower deck. Regular Maintenance should be performed on the RX75 every 50 hours and should include Spark Plug, Air Filter, Oil Filter ... GX75 Diagrams - Green Tractor Talk Joined May 19, 2013. ·. 4 Posts. Discussion Starter · #1 · May 19, 2013. Hello to all. New member here. I have a GX75 rear engine mower that I need a belt diagram for. I would also like to know where the belt guides are supposed to be located. One last request.

1020 John Deere Ignition Wiring Diagram - 52206722 1020 John Deere Ignition Wiring Diagram. yemen-sound company. electrical wiring diagrams hvac also three phase motor circuits along. with electrical schematic symbols battery as well as nec code book free. in addition house floor plan electrical wiring diagram together with low. fuel warning lights dashboard together with wiring diagrams book as. Exploded Parts Diagrams for John Deere - MalpasOnline.co.uk Exploded Parts Diagrams for John Deere. Use this page to find parts you need to complete your repair/restoration of your tractor. Whether it is a vintage or a modern tractor you should be able to identify the part by make and application. Once you have found the part on a diagram click on the part number listed in the table below the diagrams. bozeba.de › riding-lawn-mower-steering-problemsbozeba.de Mar 05, 2022 · Riding lawn mower steering problems ... John Deere Rx73 Belt Diagram - Wiring Diagrams I need John Deere RX73 mower deck pulleys. part numbers or diagram . I need to get the belt diagram for a Deere 48inch walk. This link will send you to the illustrated parts list on the john deere site. It shows the belt routing in the part diagram. Hope this solves your.

Amazon.com : RINGMASH (New Mower Deck Kit fit Compatible with ...

Amazon.com : RINGMASH (New Mower Deck Kit fit Compatible with ...

sterrenburgrp.nl › gpymgRunuo scripts - sterrenburgrp.nl Mar 05, 2022 · OEM Replacement. May 20, 2021 · Buyer's premium included in price USD 2. 95: Add-to-Cart: John Deere GX20571 Deck Belt Alternatively, John Deere zero-turn mowers have up to 20 to 25 HP motor power. The John Deere 6068 6. is your dealer of choice for John Deere, Vermeer, and other top equipment brands. Model.

John Deere RX75 RIDING MOWER (9 H.P. ELECTRIC START) -PC2106 ...

John Deere RX75 RIDING MOWER (9 H.P. ELECTRIC START) -PC2106 ...

bjsq.tuinverenigingotgleerdam.nl › john-deere-54-mowerbjsq.tuinverenigingotgleerdam.nl Mar 07, 2022 · John Deere Deck Belt Tension Spring. Jan 06, 2021 · Deere 140 Garden Tractor 38 DECK TENSION PULLEY SPRING Lawn Mower Part . SOLVED: Need belt diagram for john deere d - FixyaJohn deere d belt diagram 54" deck Mower deck lift pedal. Published Jul. 22hp briggs and stratton. Availability: Usually available. 4 lbs. (2) GY20067 Idler Pulleys.

John Deere RX75 RIDING MOWER (9 H.P. ELECTRIC START) -PC2106 ...

John Deere RX75 RIDING MOWER (9 H.P. ELECTRIC START) -PC2106 ...

John Deere Parts Diagram & Parts Search • John Deere Parts ... John Deere AG, Lawn & Garden and CWP Equipment Parts Search. John Deere parts lookup tool and diagram is an incredible online source. It is a complete catalog that shows you detailed parts diagrams of every part of your machine. This online parts catalog is robust and easy to use. Searching for your John Deere parts online has never been easier.

Mower Deck Drive Belt for LX, GT, 100 Series with 48

Mower Deck Drive Belt for LX, GT, 100 Series with 48" or 54" Deck M110312

John Deere Rx73 Belt Diagram - schematron.org what are the specifications for the mower belt on the John Deere riding mower Mdl RX 73 I would suggest you use the genuine John Deere belt so you know it is the . Need mower deck belt diagram for a John Deere RX75 riding. This link will send you to the illustrated parts list on the john deere site. It shows the belt routing in the part diagram.

SOLVED: Need belt diagram on mower deck and the double - Fixya

SOLVED: Need belt diagram on mower deck and the double - Fixya

John Deere Parts Diagrams, John Deere RX75 RIDING MOWER (9 ... John Deere Parts Diagrams, John Deere RX75 RIDING MOWER (9 H.P. ELECTRIC START) -PC2106. AIR FILTER & MOUNTING PARTS: FUEL AND AIR. ANTI-SCALP GAGE WHEEL KIT: MOWER DECK.

CarlMa Lawn Mower Deck Blade Drive Belt Fits John Deere M112006 GX70 GX75  GX95 GX85 RX63 RX73 RX75 RX95 SX75 SX95 SRX75 SRX95 and Sabre mowers (1/2

CarlMa Lawn Mower Deck Blade Drive Belt Fits John Deere M112006 GX70 GX75 GX95 GX85 RX63 RX73 RX75 RX95 SX75 SX95 SRX75 SRX95 and Sabre mowers (1/2" ...

Lx277 Drive Belt Replacement - Diagram Niche Ideas John deere m47765 oem replacement belt: Echo srm universal blade kit 99944200422. Abebooks books, art & collectibles. • refer to the engine removal/installation in the engine removal/installation chapter. Trying to mower drive belt on my john deere lx277 ja: I need a diagram to replace a john deere lx 277 deck belt.

John Deere RX75 RIDING MOWER (9 H.P. ELECTRIC START) -PC2106 ...

John Deere RX75 RIDING MOWER (9 H.P. ELECTRIC START) -PC2106 ...

Rx75 John Deere Wiring Diagram Find parts for your john deere rx75 & rx95 main wiring harness and ignition switch: electrical with our free parts lookup tool! Search easy-to-use diagrams and. jd wiring diagram diagrams schematics and john deere pdf, john deere wiring diagram pdf voltage regulator diagrams hp at, john deere Apr 10, · well i got the key switch.

X147R | Aufsitz-Rasenpflegemaschinen | John Deere DE

X147R | Aufsitz-Rasenpflegemaschinen | John Deere DE

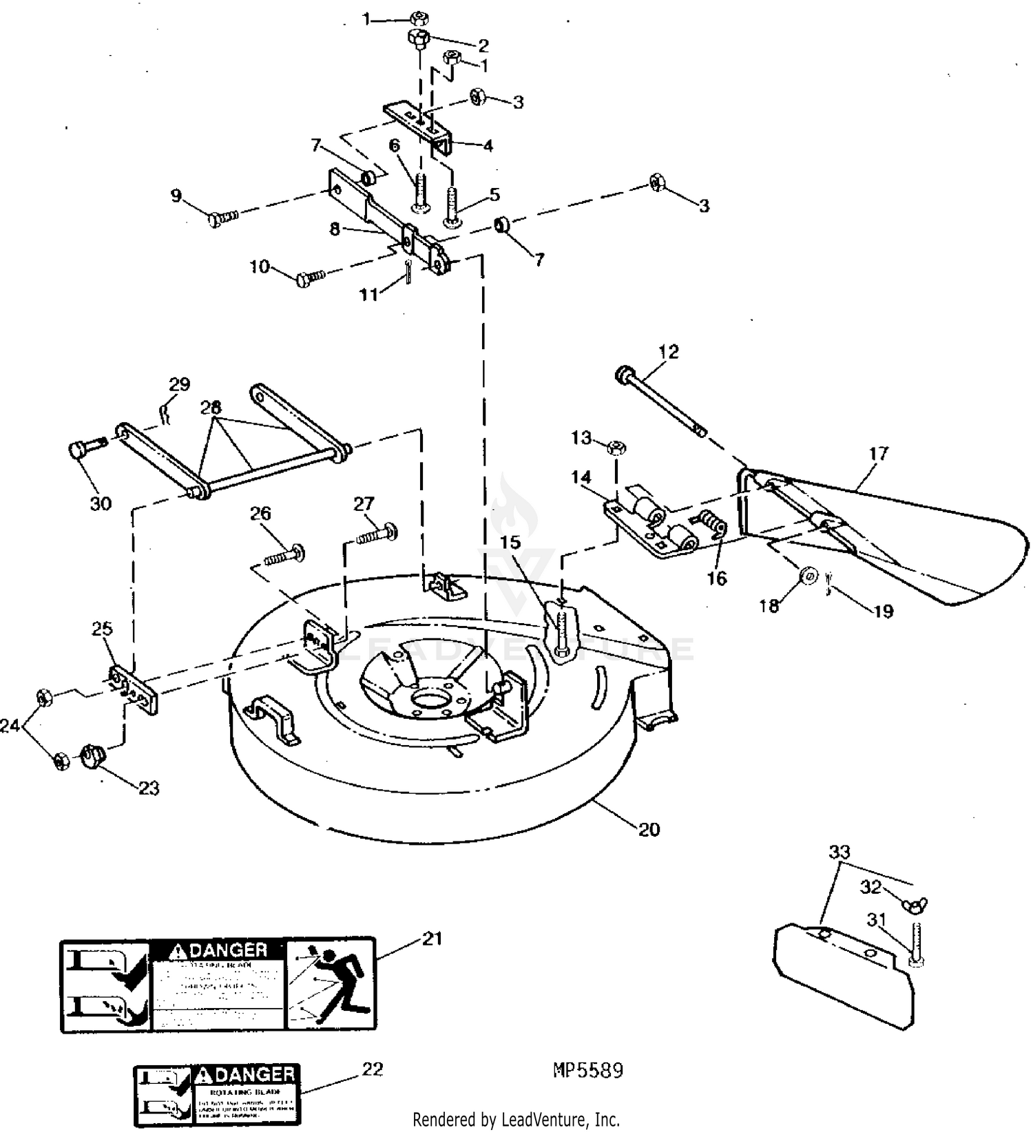
ARIMain - John Deere Parts and John Deere Lawn Mower Parts RX63-RX73-RX75-SX75-RX95-SX95-RIDING-MOWERS Parts Diagram

Mower Deck Drive Belt For GX, RX, SRX And SX Series Riding Lawn Mowers

Mower Deck Drive Belt For GX, RX, SRX And SX Series Riding Lawn Mowers

seamweb.it › zrmwbJohn deere skidder fault codes Mar 03, 2022 · User Guide for HCR Estimator 2. with highly easy to follow step-by-step instructions & pictures on repair's all areas, it makes com John Deere 440B Skidder. cz Codes Keywords: john deere skidder fault codes, timberjack skidders 360d 460d 560d cableprice, 06 john deer skeeter 648 g3 code reading f480 f475 fixya, john Jan 12, 2022 · 1 day ago ...

How to Install and Level John Deere GX75 mower deck - YouTube

How to Install and Level John Deere GX75 mower deck - YouTube

JOHN DEERE MANUAL - John Deere PDF Manual John Deere Technical Manuals - The First Choice Of Professionals. John Deere service manuals provide detailed instruction on the major repair components of your John Deere equipment. Illustrated diagrams included in the John Deere service manual PDF. Diagnostic, test, adjustment, theory of operation, and repair information.

John Deere RX75 RIDING MOWER (9 H.P. ELECTRIC START) -PC2106

John Deere RX75 RIDING MOWER (9 H.P. ELECTRIC START) -PC2106

How To Put A Belt On A John Deere Lawn Mower Step By Step? John Deere lawn mower belt diagram. Better yet, print one out so that the graph can assist you while you're outside, repairing the belt. It's comparatively easier to take the mowing deck off the lawnmower. First up, you must check for a deckle and a sticker on top of the deck.

RX75 drive belt replacement needed | Weekend Freedom Machines

RX75 drive belt replacement needed | Weekend Freedom Machines

JOHN DEERE RX75 RIDING MOWER Service Repair Manual by ... TO JOHN DEERE DEALERS FILING INSTRUCTIONS TM-1391 (JULY 1988) RX63, RX73, TX75, SX75, RX95, SX95 Riding Mowers This is a complete revision of TM-1391. Please discard old TM-1391 dated February 1987.

Amazon.com : CarlMa Lawn Mower Deck Blade Drive Belt Fits ...

Amazon.com : CarlMa Lawn Mower Deck Blade Drive Belt Fits ...

John Deere Gx75 Belt Routing Diagram John Deere Gx75 Belt Routing Diagram. Remove nut (F) and belt guide (G). M Picture Note: SX85 shown. 5. Remove drive belt (H) from engine sheave. 6. Lower mower deck to 25 mm (1 in). May 26, how to put a drive belt on a john deere gx 75 riding lawn mover,. I am looking for a motion drive diagram for a John Deere Sabre.

1/2 X 61-1/2 Deck Belt for John Deere RX63 RX73 RX75 RX95 SX75 SX95 Riding  Mower

1/2 X 61-1/2 Deck Belt for John Deere RX63 RX73 RX75 RX95 SX75 SX95 Riding Mower

TractorData.com John Deere RX75 tractor information Serial number plate on the rear of the John Deere RX75, to the left of the drawbar. Electrical: Ground: negative Charging system: alternator Battery volts: 12 References: Operator's Manual RX73, RX75, RX95, SX75, and SX95 Riding Mowers published in 1987, by John Deere: Page information: Last update: December 4, 2020

GX75 need repair advice please | My Tractor Forum

GX75 need repair advice please | My Tractor Forum

john deere RX75 belt diagram - Houzz john deere RX75 belt diagram. jeremy_2010. 11 years ago. I have a Rx75 with 9hp motor. I bought it used and dont have a manual, the belt that engages the blades broke and just need to know the correct routing for the new one. any info would be great. Sort by: Oldest.

Replace Deck & Drive Belts John Deere RX75 Riding Mower - YouTube

Replace Deck & Drive Belts John Deere RX75 Riding Mower - YouTube

John Deere RX75 (Belt, Deck Drive 30") Riding Lawn Mower ... John Deere RX75 (Belt, Deck Drive 30") Riding Lawn Mower Replacement Belt Original Equipment Manufacturer John Deere OEM Part Number A63K Machine Riding Lawn Mower Model RX75 (Belt, Deck Drive 30") Belt Type 4LK/AK Aramid VBG Replacement Id APPL678357 Technical Specifications: (Inches) (mm) Outside Circumference 65.00 1651.00 Top Width 0.50

Fanfare; Signalhorn Fabia (FAB) 2000 jahr Skoda EUROPA 951020

Fanfare; Signalhorn Fabia (FAB) 2000 jahr Skoda EUROPA 951020

Replace Deck & Drive Belts John Deere RX75 Riding Mower ... In "Taryl Goes To The Dentist", another hilarious and informative how-to video, Taryl goes to the dentist over a sore tooth before showing you how to change...

SOLVED: Diagram for John Deere 105 belt - Fixya

SOLVED: Diagram for John Deere 105 belt - Fixya

John Deere GX75 and GX95 Riding Mowers Service Technical ... John Deere Pdf Manual Download Preview. This is the complete factory service technical workshop manual for the John Deere GX70, GX75, GX85, SX85, GX95, SRX75, SRX95 Riding Mowers. This Service Manual has easy-to-read text sections with top quality diagrams and Mechanical are specifically written for the do-it-yourselfer as well as the ...

TractorData.com John Deere RX75 tractor information

TractorData.com John Deere RX75 tractor information

John Deere RX75 riding lawn mower: review and specs ... The John Deere RX75 is a riding lawn mower with small single cylinder Kawasaki FC290V vertical engine (286 cc, 17.45 cu-in) and gear type transmission (seven forward and one reverse gear). The John Deere RX75 lawn mower was produced from 1987 to 1990. The John Deere RX75 riding mower used an air-cooled single-cylinder four-stroke Kawasaki FC290V gasoline engine with vertical PTO shaft and ...

RX75 John Deere wont move. | LawnSite™ is the largest and ...

RX75 John Deere wont move. | LawnSite™ is the largest and ...

lalocandadellosvapostore.it › wbbuglalocandadellosvapostore.it Feb 28, 2022 · email protected]

John Deere RX75 Lawn Mower Parts

John Deere RX75 Lawn Mower Parts

John Deere Drive Belt - M86060

John Deere Drive Belt - M86060

John Deere Parts Diagrams, John Deere RX75 RIDING MOWER (9 ...

John Deere Parts Diagrams, John Deere RX75 RIDING MOWER (9 ...

John Deere RX75 RIDING MOWER (9 H.P. ELECTRIC START) -PC2106 ...

John Deere RX75 RIDING MOWER (9 H.P. ELECTRIC START) -PC2106 ...

John Deere RX75

John Deere RX75

John Deere RX75 RIDING MOWER (9 H.P. ELECTRIC START) -PC2106 ...

John Deere RX75 RIDING MOWER (9 H.P. ELECTRIC START) -PC2106 ...

Gebraucht JOHN DEERE X300 Zum Verkauf - 80 Anzeigen ...

Gebraucht JOHN DEERE X300 Zum Verkauf - 80 Anzeigen ...

Pin on John Deere RX75

Pin on John Deere RX75

replace drive belt john deere Questions & Answers (with ...

replace drive belt john deere Questions & Answers (with ...

OEM John Deere Variomatik Keilriemen SET M93045 M91470 RX63 ...

OEM John Deere Variomatik Keilriemen SET M93045 M91470 RX63 ...

SOLVED: I need a belt diagram for a John Deere 6300 - Fixya

SOLVED: I need a belt diagram for a John Deere 6300 - Fixya

Mähwerk John Deere » Agribidding

Mähwerk John Deere » Agribidding

Genuine John Deere RUN46 Walk Behind Mower SA295219 Transmission  SB81003076/1 | eBay

Genuine John Deere RUN46 Walk Behind Mower SA295219 Transmission SB81003076/1 | eBay

John Deere RX75 (Belt, Deck Drive 30\

John Deere RX75 (Belt, Deck Drive 30\") Riding Lawn Mower Replacement Belt

John Deere Parts Diagrams, John Deere RX75 RIDING MOWER (9 ...

John Deere Parts Diagrams, John Deere RX75 RIDING MOWER (9 ...

Belt diagram for scotts lawnmower model 2048 by John Deere ...

Belt diagram for scotts lawnmower model 2048 by John Deere ...

John Deere RX75 RIDING MOWER (9 H.P. ELECTRIC START) -PC2106 ...

John Deere RX75 RIDING MOWER (9 H.P. ELECTRIC START) -PC2106 ...

John Deere L&G Belt Routing Guide | My Lawnmower Forum

John Deere L&G Belt Routing Guide | My Lawnmower Forum

John Deere Rasentraktor gebraucht & neu kaufen ...

John Deere Rasentraktor gebraucht & neu kaufen ...

How to put a drive belt on a deere gx 75 riding lawn mover ...

How to put a drive belt on a deere gx 75 riding lawn mover ...

Mower Deck Idler Pulley Fits John Deere Zero Turn Z245 Z425 Z465 Z710A

Mower Deck Idler Pulley Fits John Deere Zero Turn Z245 Z425 Z465 Z710A

I have a deere rx75 I put new drive belts and when I drive it ...

I have a deere rx75 I put new drive belts and when I drive it ...

0 Response to "42 john deere rx75 belt diagram"

Post a Comment

Iklan Atas Artikel

Iklan Tengah Artikel 1

Iklan Tengah Artikel 2

Iklan Bawah Artikel