Iklan 300x250

41 craftsman snowblower parts diagram

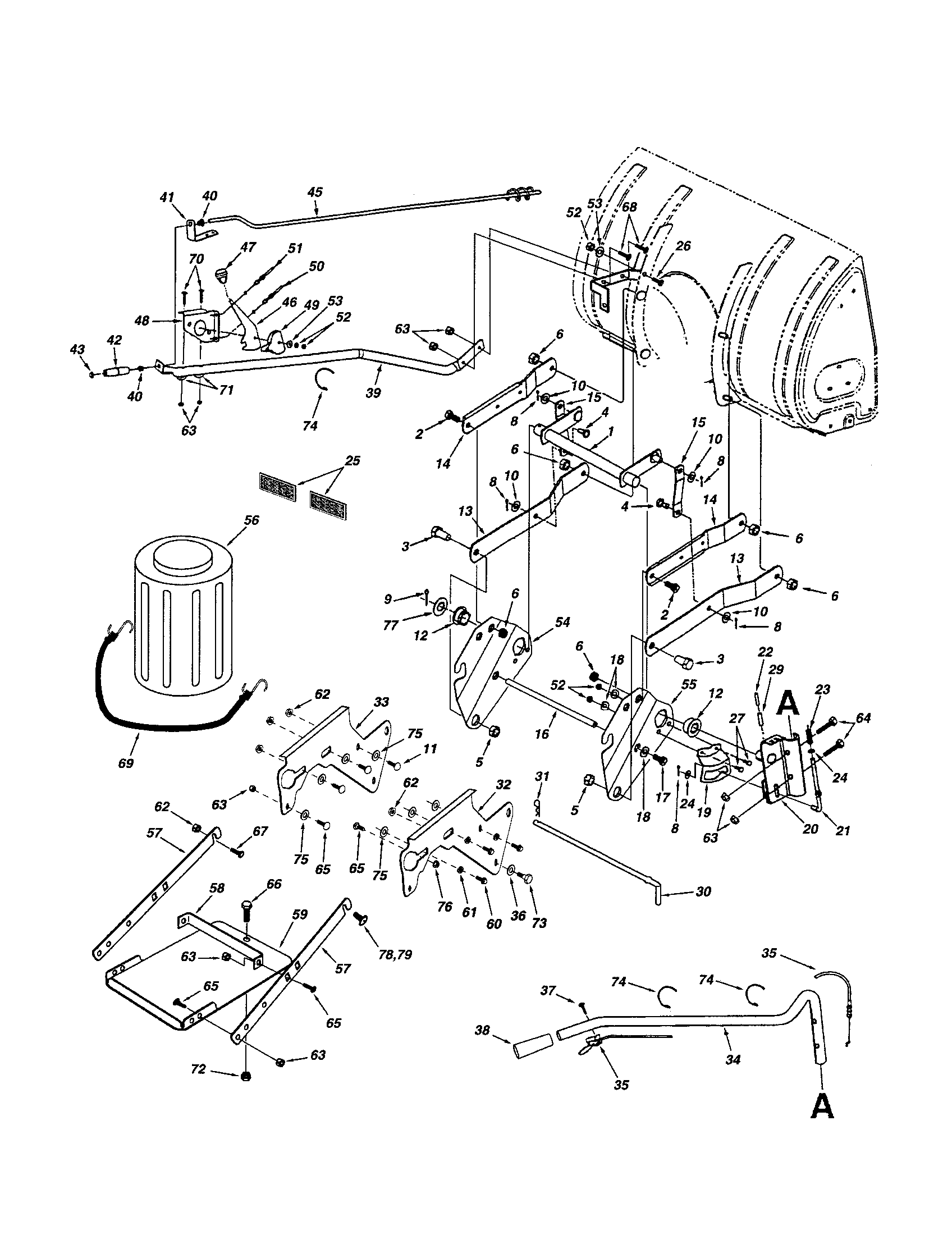
PDF 12.5 Horsepower 33 Inch Dual Stage ... - Sears Parts Direct 4 REPAIR PARTS ..... 33 7 13 ENGINE REPAIR PARTS ..... 51 20 SPANISH (ESPAI_IOL) ..... 60 23 PARTS ORDERING/SERVICE .. 96 LIMITED TWO-YEAR WARRANTY ON CRAFTSMAN SNOW THROWER For two years from the date of purchase, when this Craftsman Snow thrower is maintained, lubricated, and tuned up according to the operating and maintenance instructions in ... 247.886910 (31AM53TF799) - Craftsman Snow Thrower (2009 ... Repair parts and diagrams for 247.886910 (31AM53TF799) - Craftsman Snow Thrower (2009) (Sears)

Craftsman 536885000 gas snowblower parts | Sears PartsDirect Craftsman 536885000 gas snowblower parts - manufacturer-approved parts for a proper fit every time! We also have installation guides, diagrams and manuals to help you along the way!

Craftsman snowblower parts diagram

Craftsman snowblower parts diagram

Snow Blower Parts | MTD Parts CA MTD Parts Canada carries snow blower parts for Troy-Bilt, Craftsman, Yard Machines, Columbia, Remington, Yard-Man, Bolens and many more. Browse our wide selection of snow blower parts, or use our Parts Lookup Page to easily find the parts you need. MTD 31AS6BCE799 (247.88355) (2005-2) Parts Diagrams MTD 31AS6BCE799 (247.88355) (2005-2) Exploded View parts lookup by model. Complete exploded views of all the major manufacturers. It is EASY and FREE Craftsman 26" Snowblower | 24788970 | eReplacementParts.com Use our part lists, interactive diagrams, accessories and expert repair advice to make your repairs easy. Please note shipping times may be longer than expected due to carrier delays. ... Repair Parts Home Lawn Equipment Parts Craftsman Parts Craftsman Snowblower Parts Craftsman 24788970 26" Snowblower Parts.

Craftsman snowblower parts diagram. MTD CMXGBAM1054541 31AS6BEE793 (2019) Parts Diagram for ... MTD CMXGBAM1054541 31AS6BEE793 (2019) Engine Drive Exploded View parts lookup by model. Complete exploded views of all the major manufacturers. It is EASY and FREE 247.88199 / 2014 Craftsman Snow Thrower Parts & Free ... The best way to find parts for Craftsman snow thrower model 247.88199 / 2014 is by clicking one of the diagrams below. You can also browse the most common parts for Craftsman snow thrower model 247.88199 / 2014. Craftsman 24" Snowblower | 247889571 | eReplacementParts.com Use our part lists, interactive diagrams, accessories and expert repair advice to make your repairs easy. Please note shipping times may be longer than expected due to carrier delays. ... Repair Parts Home Power Tool Parts Craftsman Parts Craftsman Snowblower Parts Craftsman 247889571 24" Snowblower Parts. Craftsman Snow Blower - Model 31AM6BHF793 | MTD Parts Find parts for your Craftsman SB450 26" Two-Stage Snow Blower CMXGBAM1054542. Parts diagrams and manuals available. Free shipping on parts orders over $45.

Craftsman 5Hp 22" Snowblower - e Replacement Parts Use our part lists, interactive diagrams, accessories and expert repair advice to make your repairs easy. Please note shipping times may be longer than expected due to carrier delays. ... Repair Parts Home Lawn Equipment Parts Craftsman Parts Craftsman Snowblower Parts Craftsman 536886120 5Hp 22" Snowblower Parts. Shop Craftsman Parts | MTD Parts Find Parts by Diagram. Find all the genuine replacement parts for Craftsman on our Parts Diagram. We carry everything for your machine and the Parts Diagram helps visualize every component found in your equipment. Give it a try and if you can't find what you are looking for or need assistance installing the new part, call 1-800-269-6215 today. SB 470 (CMXGBAM1054543) (31AM6CSG793) - Craftsman Snow ... SB 470 (CMXGBAM1054543) (31AM6CSG793) - Craftsman Snow Blower (2019) Parts & Diagrams Parts Lists & Diagrams. Snow Blower. Recommended Parts Show $ $ SB 470 (CMXGBAM1054543) (31AM6CSG793) - Craftsman Snow Blower (2019) > Parts Diagrams (19) Hide .Quick Reference. 2-Way Chute Control ... Craftsman 28" Snowblower | 24788690 | eReplacementParts.com Use our part lists, interactive diagrams, accessories and expert repair advice to make your repairs easy. Please note shipping times may be longer than expected due to carrier delays. ... Repair Parts Home Lawn Equipment Parts Craftsman Parts Craftsman Snowblower Parts Craftsman 24788690 28" Snowblower Parts.

30, Craftsman, Snowblower, Parts, Diagram - FULL HD ... 30, Craftsman, Snowblower, Parts, Diagram posted in Parts Diagram category and wallpaper original resolution is 1696x2200 px.. 30, Craftsman, Snowblower, Parts, Diagram HD Desktop Background was Posted on March 28, 2022. Craftsman Snow Blowers & Snow Throwers Parts with Diagrams ... Craftsman Snow Blowers & Snow Throwers Parts Lookup & Diagrams Craftsman Snow Blowers & Snow Throwers ( 380 Models ) 247.116830 (31A-2M5E799) - Craftsman Snow Thrower (2011) Craftsman snowblower parts | Sears PartsDirect We have snowblower parts for Craftsman 24" snowblower models such as Craftman 88173 parts. We also have Craftsman 29 inch 90 hp snowblower parts. Enter your Craftsman snow blower model numbers in the search bar and use the exploded parts drawings on our Sears PartsDirect website to easily find the Sears snow thrower parts you need to get your ... Craftsman Snowblower Carburetor Diagram - schematron.org Craftsman Snowblower Carburetor Diagram. A snowblower carburetor is responsible for maintaining and combining the air Make the necessary adjustment to set the desired engine idle-speed of your. This article will teach you the process of repairing or rebuilding the carburetor in a snowblower. If it snows a whole lot where you live, you may find ...

Craftsman 8Hp 26

Craftsman 8Hp 26" Snowblower | 536886280 | eReplacementParts.com

Amazon.com: craftsman snowblower parts 22 Pcs Shear Pin+ 22 Pcs Cotter Pin for Snowblower, Replace 738-04124 & 714-04040, Compatible with MTD Craftsman Cub Cadet Troy-Bilt Snow Throwers, Premium Shear Pins Replacement for Winter Snow Day. 4.5 out of 5 stars. 26.

Craftsman Snowblower | 536881851 | eReplacementParts.com

Craftsman Snowblower | 536881851 | eReplacementParts.com

OEM Craftsman Snow Blower Parts [536881800] | Repair ... Shop for Craftsman Snow Blower 536881800 repair parts today! Find parts by name, location or by symptoms like drive system does not work & will not blow snow .

Craftsman Snowblower | 247882902 | eReplacementParts.com

Craftsman Snowblower | 247882902 | eReplacementParts.com

Craftsman Snow Blower - Model 31AS6HEG799 | MTD Parts Find parts for your Craftsman 28" Two-Stage Snow Blower 247.881900 . Parts diagrams and manuals available. Free shipping on parts orders over $45.

Murray 1695385 - C950-52751-0, Craftsman Dual Stage Snow ...

Murray 1695385 - C950-52751-0, Craftsman Dual Stage Snow ...

Craftsman Snow Blower - Model 31A-2M1E793 | MTD Parts Find parts for your Craftsman B210 21" Single-Stage Snow Blower CMXGBAM1054538. Parts diagrams and manuals available. Free shipping on parts orders over $45.

944.528251 Manual for Craftsman 27

944.528251 Manual for Craftsman 27" Two-Stage Snow Thrower ...

Craftsman Snowblower Parts | Fast Shipping ... Craftsman Snowblower parts that fit, straight from the manufacturer. Use our interactive diagrams, accessories, and expert repair help to fix your Craftsman Snowblower . Please note shipping times may be longer than expected due to carrier delays. 877-346-4814. Departments ...

Welcome to ToolBoxHero. I will help you get parts, free ...

Welcome to ToolBoxHero. I will help you get parts, free ...

SB 450 (CMXGBAM1054542) (31AM6BHF793) - Craftsman Snow ... SB 450 (CMXGBAM1054542) (31AM6BHF793) - Craftsman Snow Blower (2020) Parts & Diagrams Parts Lists & Diagrams. Snow Blower. Recommended Parts Show $ $ SB 450 (CMXGBAM1054542) (31AM6BHF793) - Craftsman Snow Blower (2020) > Parts Diagrams (16) Hide .Quick Reference. Auger Gearbox Assembly ...

Craftsman snowblower Parts Manual 944.524420

Craftsman snowblower Parts Manual 944.524420

MTD 31AE5HTG799 (247.88790) (2006) Parts Diagrams MTD 31AE5HTG799 (247.88790) (2006) Parts Diagrams. Parts Lookup - Enter a part number or partial description to search for parts within this model. There are (202) parts used by this model. SPACER .513 ID X .

Murray 88140000NC - 536.881400 Craftsman 4.0HP Single Stage ...

Murray 88140000NC - 536.881400 Craftsman 4.0HP Single Stage ...

Craftsman Snowblower Parts - PartsBay.ca Craftsman snowblower parts Canada. Get your Craftsman Snowblower Parts in Canada. Know Your Part #? Please identify you model to order parts. How to Find Your Part #? Scroll to select the your model number from diagrams below. Locate the parts you need and note the part number. Go to Parts Finder, enter part # ONLY, Add to cart & checkout ...

SOLVED: Sno trac snow blower parts manual - Fixya

SOLVED: Sno trac snow blower parts manual - Fixya

Craftsman 26" Snowblower | 24788970 | eReplacementParts.com Use our part lists, interactive diagrams, accessories and expert repair advice to make your repairs easy. Please note shipping times may be longer than expected due to carrier delays. ... Repair Parts Home Lawn Equipment Parts Craftsman Parts Craftsman Snowblower Parts Craftsman 24788970 26" Snowblower Parts.

Craftsman 536.88113 Snow Blower User Manual | Manualzz

Craftsman 536.88113 Snow Blower User Manual | Manualzz

MTD 31AS6BCE799 (247.88355) (2005-2) Parts Diagrams MTD 31AS6BCE799 (247.88355) (2005-2) Exploded View parts lookup by model. Complete exploded views of all the major manufacturers. It is EASY and FREE

Canadiana Snowblower Illustr Parts List 1982-1983 Sears Model 522(  C950-520240) | eBay

Canadiana Snowblower Illustr Parts List 1982-1983 Sears Model 522( C950-520240) | eBay

Snow Blower Parts | MTD Parts CA MTD Parts Canada carries snow blower parts for Troy-Bilt, Craftsman, Yard Machines, Columbia, Remington, Yard-Man, Bolens and many more. Browse our wide selection of snow blower parts, or use our Parts Lookup Page to easily find the parts you need.

Craftsman snowblower parts | Sears PartsDirect

Craftsman snowblower parts | Sears PartsDirect

247.886910 (31AM53TF799) - Craftsman Snow Thrower (2009 ...

247.886910 (31AM53TF799) - Craftsman Snow Thrower (2009 ...

Craftsman 24788690 gas snowblower parts | Sears PartsDirect

Craftsman 24788690 gas snowblower parts | Sears PartsDirect

Craftsman 536886280 gas snowblower parts | Sears PartsDirect

Craftsman 536886280 gas snowblower parts | Sears PartsDirect

Craftsman 24788690 gas snowblower parts | Sears PartsDirect

Craftsman 24788690 gas snowblower parts | Sears PartsDirect

Craftsman snowblower Parts Manual 944.528411

Craftsman snowblower Parts Manual 944.528411

Craftsman 536881651 gas snowblower parts | Sears PartsDirect

Craftsman 536881651 gas snowblower parts | Sears PartsDirect

Craftsman 247.883550 (31AS6BCE799) - Craftsman Snow Thrower ...

Craftsman 247.883550 (31AS6BCE799) - Craftsman Snow Thrower ...

Craftsman snowblower Parts Manual 944.528220

Craftsman snowblower Parts Manual 944.528220

Briggs & Stratton Yard Power (formerly Murray)_ ...

Briggs & Stratton Yard Power (formerly Murray)_ ...

Craftsman Snow Blower - Model 31AS2T5D793 | MTD Parts

Craftsman Snow Blower - Model 31AS2T5D793 | MTD Parts

Murray 536.881800 - Craftsman Dual Stage Snow Thrower (2004 ...

Murray 536.881800 - Craftsman Dual Stage Snow Thrower (2004 ...

Craftsman 88782 21

Craftsman 88782 21" 208cc Single-Stage Snow Blower With ...

Craftsman 247.985360 (31AS63EE793) - Craftsman Snow Thrower ...

Craftsman 247.985360 (31AS63EE793) - Craftsman Snow Thrower ...

Craftsman snowblower Parts Manual 944.528271

Craftsman snowblower Parts Manual 944.528271

Craftsman 536887251 User Manual 24 5.5 HP SNOW THROWER ...

Craftsman 536887251 User Manual 24 5.5 HP SNOW THROWER ...

Craftsman 26

Craftsman 26" Snowblower | 247889702 | eReplacementParts.com

Craftsman Snowblower Disassembly – Snowblower Repair Help

Craftsman Snowblower Disassembly – Snowblower Repair Help

Craftsman 486248381 snowblower attachment parts | Sears ...

Craftsman 486248381 snowblower attachment parts | Sears ...

Craftsman by MTD 31AS62EE799 (247.889571) (2010) Snow Blower ...

Craftsman by MTD 31AS62EE799 (247.889571) (2010) Snow Blower ...

Craftsman Snowblower | 536887990 | eReplacementParts.com

Craftsman Snowblower | 536887990 | eReplacementParts.com

Craftsman 247883961 gas snowblower parts | Sears PartsDirect

Craftsman 247883961 gas snowblower parts | Sears PartsDirect

Craftsman Snowblower | 31AM63TF799 | eReplacementParts.com

Craftsman Snowblower | 31AM63TF799 | eReplacementParts.com

950.527290 (1695382) - Craftsman 24

950.527290 (1695382) - Craftsman 24" Snow Thrower (2007 ...

C459-52923 Craftsman Snowblower Parts List 31AM32AD599 – DR ...

C459-52923 Craftsman Snowblower Parts List 31AM32AD599 – DR ...

Craftsman C950-52544-2 (1696615-02) - Craftsman 24

Craftsman C950-52544-2 (1696615-02) - Craftsman 24" Snow ...

Craftsman 247.887940 (31AM5CSF799) - Craftsman Snow Thrower ...

Craftsman 247.887940 (31AM5CSF799) - Craftsman Snow Thrower ...

how to separate Craftsman blower & replace belts ...

how to separate Craftsman blower & replace belts ...

CRAFTSMAN SB210 21-in 123-cu cm Single-stage with Auger ...

CRAFTSMAN SB210 21-in 123-cu cm Single-stage with Auger ...

Craftsman 32

Craftsman 32"-10 H.p. Snowblower | 536882700 ...

0 Response to "41 craftsman snowblower parts diagram"

Post a Comment

Iklan Atas Artikel

Iklan Tengah Artikel 1

Iklan Tengah Artikel 2

Iklan Bawah Artikel