Iklan 300x250

38 ford focus wiring diagram

2008 Ford Focus Radio Wiring Diagram - easywiring Ford focus wiring diagrams pdf pdf. 2008 ford focus radio wiring diagram. White red radio ground wire. White brown right front speaker positive wire. Ford focus ewd wiring diagram jpg. Violet red left front speaker positive wire. Ford mondeo ford focus. I am looking for a wiring diagram of the stock radio on the 2008 ford focus s model. 2010 Ford F150 Fuse Diagram — Ricks Free Auto Repair ... 26.01.2018 · 2010 Ford F150 Fuse Diagram Ford F150 Fuse Diagram for Battery Junction Box and Smart Junction Box. This 2010 Ford F150 Fuse Box Layout post shows two fuse boxes; the Battery Junction Box/Power Distribution Box located under the hood and the Smart Junction Box/Passenger Compartment Fuse Panel . There’s lots more information on this site for your …

PAF® 36th Anniversary Neck - DiMarzio Here are the characteristics that make a great vintage humbucker: a soft magnetic field, sweet tone, perfect balance between warmth and clarity, the ability to go from clean to distorted by pick attack alone. For our PAF® 36th Anniversary Neck we wanted to continue in the path of pioneers such as Seth Lover (designer of the original Patent Applied For humbucker) and …

Ford focus wiring diagram

Ford focus wiring diagram

FORD Car Radio Stereo Audio Wiring Diagram Autoradio ... Ford Focus 5000 RDS . Ford Focus stereo removal installation . Ford 6000 CD . Ford focus MK1 . Ford Explorer I - 1993-1994 . FORD 4R3T-18C815-HU . Ford 6CD Mustang 2005 . FORD CD132-MP3 CDS . FORD series 100MM Bezel Radios. FORD series 100MM Bezel Radios . FORD YU3F . Ford 1996 F-150 F-250 F-350 F-Super Duty and Bronco stereo wiring . Ford … Ford Focus Full Wiring Schematics Mk2/2.5 And Mk3 - Ford ... A little gift , here are the PDF electrical wiring diagrams for the Ford Focus Focus Mk2/2.5 + ST PDF dated 2010 - Click Here Fetching info... Focus Mk3 PDF dated 2011 , not ST - Click Here Fetching info... Very usefull indeed if your trying to figure out additions to your car or find wiring Regards Preee Focus 2011 Wiring.pdf 2009 Ford Focus Wiring Diagram Manual Original Model-Years Covered Written for dealership mechanics, this wiring diagram shows you how to follow the wiring from bumper-to-bumper. It will help you understand connector configurations, and locate and identify circuits, relays, and grounds. You will not find these wiring diagrams in the factory shop manual.

Ford focus wiring diagram. Ford Focus 2010 Service Manual Wiring Diagrams - PDF Download On the first pages of the Ford Focus service manuals are placed instructions. Important to each car owner information on conducting regular maintenance on their own, electrical connections ( wiring diagrams ) Ford Focus models, are included in separate sections of this repair manual. 2013 Ford Focus Radio Wiring Diagram - U Wiring Ford is a well-known factory car stereo. 2012 Ford Focus Stereo Wiring Diagram. Architectural wiring diagrams be in the approximate locations and interconnections of receptacles lighting and permanent electrical services in a building. It is very simple to find a Ford Focus wiring diagram on the Internet. 2013 Ford Focus Owner Manuals - Ford Motor Company Find your 2013 Ford Focus Owner Manual here. Print, read or download a PDF or browse an easy, online, clickable version. Access quick reference guides, a roadside assistance card and supplemental information if available. 2013 Ford Focus Wiring Diagram Pdf - U Wiring Ford Focus Wire Diagram 2011 01 09 033903 1 Gif Gif Image 604 410 Pixels Ford F150 Ford Truck Diagram 70 Awesome Tail Light Wiring Diagram Ford F150 Ford F150 Diagram House Wiring Pin On Fred Best Of Nissan Versa Radio Wiring Diagram Nissan Altima Nissan Versa Nissan Maxima

› havalHAVAL - Car PDF Manual, Wiring Diagram & Fault Codes DTC Hello nice to meet you I got problem with my R300 BT (Radio), and need R300 BT wiring diagram for opel astra K 2017 sport tourer to repair it, can you plaeas send the diagram or pins info from R300 BT wiring diagram opel. Thnx ikramidis@hotmail.com #159. Ghaly (Saturday, 12 September 2020 16:36) Ford Focus Service Repair Manual - Ford Focus PDF Downloads ford focus st 2008 workshop manual & wiring diagram 2008 Ford Vehicles Workshop Repair Service Manual - 2.1GB DVD! Ford Focus 2008-2011 Workshop Repair Service Manual PDF Ford Wiring Diagrams Online - U Wiring Ford Focus Wiring Diagramsjpg. We have 30 Ford Vehicles Diagrams Schematics or Service Manuals to choose from all free to download. Select your Year Make and Model. Alternator Voltage Regulator Instrument Panel Starter and Drive Distributor. Then choose the wiring diagram that best fits the repair issue or problem. Ford Ranger Free Workshop and Repair Manuals Ford Ranger. Ranger is Ford’s attempt in a crowded compact pickup truck, whose production spans for several decades and four generations. Throughout these years, it held a considerable market share and rack up respectable sales figures of over 7 million units sold. This story, just like many other things in the automotive industry, starts ...

performanceparts.ford.com › cobra-jetCobra Jet - by Ford Performance - The ultimate drag racing ... Just as the Ford Mustang kicked off the pony car era in 1964, the Ford Mustang Cobra Jet raised the bar at the track in 1968. To commemorate the 50th Anniversary, Ford Performance Parts will build 68 units. Ford Wiring Diagrams - FreeAutoMechanic Free Ford wiring diagrams for your car or truck engine, electrical system, troubleshooting, schematics, free ford wiring diagrams. Ford Wiring Diagrams. We are proud to have the ability to make vehicle specific free wiring diagrams available on request. Select your Year, Make and Model. Then choose the wiring diagram that best fits the repair ... No crank no start Ford — Ricks Free Auto Repair Advice ... 28.07.2012 · No crank no start Ford Fix a no crank no start on Ford. No crank no start Ford issues are pretty easy to diagnose. Click on the illustration below and download the PDF wiring diagram of a typical Ford starting system. You’ll see that the system consists of a fuse, ignition switch, starter relay, transmission range selector (neutral safety ... 2014 Ford Focus Wiring Harness Diagram - easywiring 2014 Ford Focus Wiring Harness Diagram by Vallery Masson on April 29, 2021 It reveals the elements of the circuit as simplified shapes and the power and signal connections between the tools. Ford focus 2010 wiring diagrams pdf pdf. Delphi Radio Wiring Diagram Radio Diagram Electrical Wiring Diagram Ford focus ewd wiring diagram jpg.

Does anyone have a trunk wiring diagram? | Focus Fanatics Forum

Does anyone have a trunk wiring diagram? | Focus Fanatics Forum

2005 Ford Focus Electrical Wiring Diagrams Original ... 2005 Ford Focus Electrical Wiring Diagrams. All Including Focus ZX3 S, Focus ZX3 SE, Focus ZX3 SES, Focus ZX4 S, Focus ZX4 SE, Focus ZX4 SES, Focus ZX4 ST, Focus ZX5 S, Focus ZX5 SE, Focus ZX5 SES, Focus ZXW SE & Focus ZXW SES | Hatchback, Sedan & Wagon | 2.0L I4 & 2.3L I4 Engines. Published by the Ford Motor Company

2001 Ford Focus Wiring Diagram Manual Original: Ford: Amazon ...

2001 Ford Focus Wiring Diagram Manual Original: Ford: Amazon ...

Ford Focus Mk2 Wiring Diagram Pdf - U Wiring Dec 20 2016 Download Free 2013 Ford Focus Electric Wiring Diagram pdf - Super Duty F-Series and select e-Series Super Duty vehicles are equipped with a number of conveniently located taps wiring electric. We have all types including power heated turn signal and towing. Forgot to buckle up buckle up sensor malfunction short in electric circuit.

2012 focus sony mft wiring diagram

2012 focus sony mft wiring diagram

2002 Ford Focus Headlight Wiring Diagram Pics - Wiring ... In case there's a surface wire, it will be a water piping wire held in place by a attach on the same side since the fairly neutral terminal. The actual distinction between the wires will allow you to wire your home properly and avoid the high voltage of swapping the neutral and hot. 3. Three-inch guideline

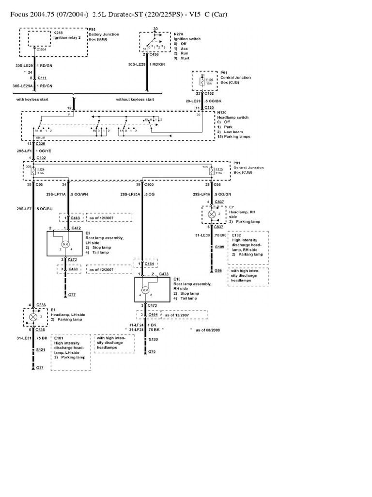
FORD FOCUS MK2 2.5 PH8M5T FULL WIRING DIAGRAM Service Manual ...

FORD FOCUS MK2 2.5 PH8M5T FULL WIRING DIAGRAM Service Manual ...

2012- Ford Focus Vehicle Wiring Chart and Diagram 2012- Ford Focus Wiring Diagram Printer Friendly Version Listed below is the vehicle specific wiring diagram for your car alarm, remote starter or keyless entry installation into your 2012- Ford Focus . This information outlines the wires location, color and polarity to help you identify the proper connection spots in the vehicle.

2015 Focus MK3.5 Stereo wiring diagram? | Focus Fanatics Forum

2015 Focus MK3.5 Stereo wiring diagram? | Focus Fanatics Forum

› Ford_Focus_manualy › mk1Focus Wiring Diagrams - Ford Focus Focus Wiring Diagrams FOR1-0726c100-00-00p01-02r1-UK 11/2002 2002 Focus Group 1 - General Information ... Published by Ford Motor Company Ltd/Ford Werke AG. No part of this publication may be reproduced, stored in a retrieval system or transmitted in any form, electronic, mechanical,

Wiring Diagram Diagnostics: #1 2007 Ford Focus Heated Seats Inoperative

Wiring Diagram Diagnostics: #1 2007 Ford Focus Heated Seats Inoperative

ricksfreeautorepairadvice.com › 2011-ford-f1502011 Ford F150 Fuse Diagram — Ricks Free Auto Repair Advice ... Jun 24, 2021 · 2011 Ford F150 Fuse Diagram for Power Distribution Box. 1 Powertrain control module (PCM) relay (3.7L, 5.0L and 6.2L engines) 2 Starter relay 3 Blower motor relay

Help Locate a Connector: I Did An Engine Swap on a 2003 Ford ...

Help Locate a Connector: I Did An Engine Swap on a 2003 Ford ...

All Wiring Diagrams for Ford Focus SE 2009 model - Wiring ... AIR CONDITIONING Manual A/C Wiring Diagram (1 of 2) for Ford Focus SE 2009 Manual A/C Wiring Diagram (2 of 2) for Ford Focus SE 2009ANTI-LOCK BRAKES Anti-lock Brakes Wiring Diagram, with Dynamic Stability Control for Ford Focus SE 2009 Anti-lock Brakes Wiring Diagram, without Dynamic Stability Control for Ford All Wiring Diagrams for Ford Focus SE 2009 model

2022 quick fix for 2013 Ford Focus starting problem after ...

2022 quick fix for 2013 Ford Focus starting problem after ...

Ford Ignition Switch Wiring Diagram - Wirings Diagram Ford Ignition Switch Wiring Diagram - 1969 ford ignition switch wiring diagram, 78 ford ignition switch wiring diagram, ford 3000 ignition switch wiring diagram, Every electric arrangement is made up of various different parts. Each part ought to be placed and connected with different parts in particular way. If not, the structure won't function as it should be.

No crank no start Ford — Ricks Free Auto Repair Advice Ricks ...

No crank no start Ford — Ricks Free Auto Repair Advice Ricks ...

Wiring diagram - Ford Focus ST Forum Wiring diagram. Jump to Latest Follow 1 - 3 of 3 Posts. San-Juan ... We're the premiere Ford Focus ST forum with discussions on the 2013+ Focus ST. Join the community and see the latest news, photos, videos, classifieds, reviews, events and more! Full Forum Listing. Explore Our Forums.

2002 ford focus wiring | Ford Automobiles

2002 ford focus wiring | Ford Automobiles

Ford Focus Stereo Wiring Diagram | Wiring Diagram Ford Focus Radio Wiring Diagram - A wiring diagram is a detailed representation of an electric system. It is a graphic Continue reading

Headlight plug wiring diagram | Ford Focus ST Forum

Headlight plug wiring diagram | Ford Focus ST Forum

carmanualshub.com › ford-wiring-diagramsFord Wiring Diagrams Free Download | Carmanualshub.com Ford Workshop Repair Manual Ford Owners Manuals Here are wiring diagrams for Ford Escort, F-series, Fiesta, Focus, Mustang, Ranger, Kuga and Many other's. Ford Post navigation ← Ford Workshop Repair Manual Mazda 2 Workshop & Owner's Manuals → 10 thoughts on " Ford Wiring Diagrams " Ricardo March 23, 2021 Hello

RADIO – Ford Focus SE 2014 – SYSTEM WIRING DIAGRAMS – Wiring ...

RADIO – Ford Focus SE 2014 – SYSTEM WIRING DIAGRAMS – Wiring ...

2011 Ford Focus Wiring Diagram Manual Original Model-Years Covered Written for dealership mechanics, this wiring diagram shows you how to follow the wiring from bumper-to-bumper. It will help you understand connector configurations, and locate and identify circuits, relays, and grounds. You will not find these wiring diagrams in the factory shop manual.

Ford Focus 2003 Wiring Diagrams - YouTube

Ford Focus 2003 Wiring Diagrams - YouTube

Factory Antenna Wiring Diagram for ... - Ford Focus ST Forum Hi all - Does anyone have access to the Ford wiring diagram for the later FoST cars equipped with SYNC3 (2017/18 I assume) ? I'm curious how the official SYNC3 GPS antenna is wired. Note: I already have the complete service manual and wiring diagrams for the early cars. Many thanks in advance...

2007 ford focus electrical wiring Questions & Answers (with ...

2007 ford focus electrical wiring Questions & Answers (with ...

Ford Focus Wiring Diagram 2005 Images - Wiring Diagram Sample READ 1997 Ford F150 Stereo Wiring Diagram Database 5. Include A Junction Container Never splice cables together and hide them within a wall with out a passageway box — an accessible junction package should always be used to become a member of wires. 6. Substitute Old Wiring That will Shows Signs Of Damage or Fraying 7. Fix Fuse and Breaker Problems

2013 Ford Focus ST Electrical Wiring Diagrams Manual

2013 Ford Focus ST Electrical Wiring Diagrams Manual

Focus wiring diagrams | Ford Forums Hello, I need the fuel injection, fuse block and lights wiring diagrams for the Ford Focus 2.0L of the 2005. Does anyone can help me??? Regards

7 Ford Focus Engine Wiring Diagram | Ford focus engine, 2012 ...

7 Ford Focus Engine Wiring Diagram | Ford focus engine, 2012 ...

kreuzkirche-osterode.de 23.03.2022 · Magnetic door lock wiring diagram. email protected]

AIR CONDITIONING – Ford Focus Electric 2014 – SYSTEM WIRING ...

AIR CONDITIONING – Ford Focus Electric 2014 – SYSTEM WIRING ...

Ford Focus Headlight Wiring Diagram - Collection - Wiring ... Ford Focus Headlight Wiring Diagram Source: static.cargurus.com Before reading the schematic, get common and understand all the symbols. Read the particular schematic like a roadmap. I print the schematic in addition to highlight the routine I'm diagnosing to make sure Im staying on right path.

2008 Ford Focus Electrical Wiring Diagrams Original Factory Manual

2008 Ford Focus Electrical Wiring Diagrams Original Factory Manual

Schematic Free Ford Wiring Diagrams - Wiring Sample Wiring Diagrams Ford Transit Mki F O B Prior To 09 1968 Wiring Diagram Diesel Diagram Ford Focus Ford . 2010 F150 Wiring Diagram 2004 Ford F 150 Free New 2007 Radio With Magnificent On 801×1024 At 2004 F150 Wiring Diagram Electrical Wiring Diagram F150 Ford F150 .

Ford Focus 2.3L Ecoboost 2018 Workshop Manual & Wiring ...

Ford Focus 2.3L Ecoboost 2018 Workshop Manual & Wiring ...

All Wiring Diagrams for Ford Focus ZX3 2004 model - Wiring ... AIR CONDITIONING Heater Wiring Diagram for Ford Focus ZX3 2004 2.0L 2.0L, Manual A/C Wiring Diagram, Except SVT (1 of 2) for Ford Focus ZX3 2004 2.0L, Manual A/C Wiring Diagram, Except SVT (2 of 2) for Ford Focus ZX3 2004 2.0L, Manual A/C Wiring Diagram, SVT (1 of 2) All Wiring Diagrams for Ford Focus ZX3 2004 model

2010 Ford Focus Electrical Wiring Diagrams Manual

2010 Ford Focus Electrical Wiring Diagrams Manual

Ford Focus Wiring Diagrams 1999 to 2016 ... - YouTube This video demonstrates the Ford Focus Complete Wiring Diagrams and details of the wiring harness. Diagrams for the following systems are included : Radio Wi...

Ford Focus Installation Instruction – Rhino Radios

Ford Focus Installation Instruction – Rhino Radios

wiringall.com › generac-200-amp-transfer-switchGenerac 200 Amp Transfer Switch Wiring Diagram A wiring diagram is a simplified conventional photographic representation of an electric circuit. Automatic transfer switch amp, single phase, vac, service rated, circuit load center (28 pages) Switch Generac Power Systems RTSWG3 Owner's Manual Automatic transfer switch - amp, three phase, service entrance (32 pages).

Does anyone have a wiring schematic for the RS? | Ford Focus ...

Does anyone have a wiring schematic for the RS? | Ford Focus ...

2009 Ford Focus Wiring Diagram Manual Original Model-Years Covered Written for dealership mechanics, this wiring diagram shows you how to follow the wiring from bumper-to-bumper. It will help you understand connector configurations, and locate and identify circuits, relays, and grounds. You will not find these wiring diagrams in the factory shop manual.

Where can i find online a wiring diagram for 2004 Ford Focus ...

Where can i find online a wiring diagram for 2004 Ford Focus ...

Ford Focus Full Wiring Schematics Mk2/2.5 And Mk3 - Ford ... A little gift , here are the PDF electrical wiring diagrams for the Ford Focus Focus Mk2/2.5 + ST PDF dated 2010 - Click Here Fetching info... Focus Mk3 PDF dated 2011 , not ST - Click Here Fetching info... Very usefull indeed if your trying to figure out additions to your car or find wiring Regards Preee Focus 2011 Wiring.pdf

57-65 Ford Wiring Diagrams

57-65 Ford Wiring Diagrams

FORD Car Radio Stereo Audio Wiring Diagram Autoradio ... Ford Focus 5000 RDS . Ford Focus stereo removal installation . Ford 6000 CD . Ford focus MK1 . Ford Explorer I - 1993-1994 . FORD 4R3T-18C815-HU . Ford 6CD Mustang 2005 . FORD CD132-MP3 CDS . FORD series 100MM Bezel Radios. FORD series 100MM Bezel Radios . FORD YU3F . Ford 1996 F-150 F-250 F-350 F-Super Duty and Bronco stereo wiring . Ford …

Ford Focus MK2 Headlight Switch Wiring Diagram | PDF ...

Ford Focus MK2 Headlight Switch Wiring Diagram | PDF ...

I have a 2016 Ford Focus s sedan and I'm trying to install an ...

I have a 2016 Ford Focus s sedan and I'm trying to install an ...

All Wiring Diagrams for Ford Focus ZX4 SE 2006 – Wiring ...

All Wiring Diagrams for Ford Focus ZX4 SE 2006 – Wiring ...

2012 4.3inch Radio Display Wiring Diagram | Focus Fanatics Forum

2012 4.3inch Radio Display Wiring Diagram | Focus Fanatics Forum

How can i get a diagram of the rear window (electric of my ...

How can i get a diagram of the rear window (electric of my ...

Ford Focus car stereo wiring color explained 2000-04 How to install wires

Ford Focus car stereo wiring color explained 2000-04 How to install wires

RADIO – Ford Focus Titanium 2013 – SYSTEM WIRING DIAGRAMS ...

RADIO – Ford Focus Titanium 2013 – SYSTEM WIRING DIAGRAMS ...

INTERIOR LIGHTS – Ford Focus SEL 2012 – SYSTEM WIRING ...

INTERIOR LIGHTS – Ford Focus SEL 2012 – SYSTEM WIRING ...

2014 Ford Focus Wiring Diagram Manual Original

2014 Ford Focus Wiring Diagram Manual Original

I need a radio wiring schematic.. stating what the wire ...

I need a radio wiring schematic.. stating what the wire ...

Ford Focus 2005 Wiring Diagrams

Ford Focus 2005 Wiring Diagrams

FORD FOCUS MK2 2.5 PH8M5T FULL WIRING DIAGRAM Service Manual ...

FORD FOCUS MK2 2.5 PH8M5T FULL WIRING DIAGRAM Service Manual ...

2000 Ford Focus Wiring Diagram Manual Original

2000 Ford Focus Wiring Diagram Manual Original

2007 Ford Focus wagon rear hatch wiring diagram - Ford Cars ...

2007 Ford Focus wagon rear hatch wiring diagram - Ford Cars ...

0 Response to "38 ford focus wiring diagram"

Post a Comment

Iklan Atas Artikel

Iklan Tengah Artikel 1

Iklan Tengah Artikel 2

Iklan Bawah Artikel