Iklan 300x250

42 Franklin Electric Motor Wiring Diagram

3-Wire 1-Phase Control Boxes | Franklin Electric | Drives ... 3-Wire 1-Phase Control Boxes. This Franklin Electric submersible control boxes are designed and optimized specifically for Franklin 1~ 3-wire submersible motors. Controls are an integral part of a submersible motor power system and our rigorous component testing ensures the toughest products in the industry. Motor Connection Diagrams - Electric Motor Warehouse Electric Motor Wire Marking & Connections. For specific Leeson Motor Connections go to their website and input the Leeson catalog # in the "review" box, you will find connection data, dimensions, name plate data, etc. Single Phase Connections: (Three Phase--see below) Single Voltage:

franklinwater.com › more › serviceAIM Manual - Home | North America Water | Franklin Electric • Control Box Wiring Diagrams (Continued) Cookies: Our website uses cookies for analytics and to enable dynamic content.Learn More

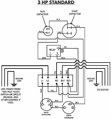
Franklin electric motor wiring diagram

Franklin electric motor wiring diagram

PDF WIRING DIAGRAMS - STANDARD MOTORS - Fantech These diagrams are current at the time of publication, check the wiring diagram supplied with the motor. *NOTE: Refer to the motor manufacturer's data on the motor for wiring diagrams on standard frame Ex e, Ex d etc. motors. Inst Maint & Wiring.qxd 5/03/2008 10:02 AM Page 6 PDF Franklin Electric Aim Manual and directly from franklin electric. call franklin toll free 800-348-2420 for information. warning serious or fatal electrical shock may result from failure to connect the motor, control enclosures, metal plumbing, and all other metal near the motor or cable, to the power supply ground terminal using wire no smaller than motor cable wires. ilcucitocreatividiclarabelle.blogspot.com › 2019Franklin Electric Motor Wiring Diagram - 27 - Blogger Dec 29, 2019 · Franklin Electric Motor Wiring Diagram. By Prof. Images December 29, 2019 Post a Comment. Franklin Electric 5800060100 Pumptec Plus Motor Protection Device 230v 1 Phase 1 2 5 Hp Franklin Electric Submersible Pump Manual 2hp 230v Standard Control Box Electric Motor Hp Chart Yobi Karikaturize Com Aim Manual Page 54 Single Phase Motors And Controls Electric Motor Wiring Diagram Capacitor Wiring Diagram Franklin Electric 220volt 1 6 Hp Motor 1306030100 Motors Franklin Electric Fan Motor Wiring ...

Franklin electric motor wiring diagram. PDF Submersible Motors - Franklin Electric and directly from franklin electric. call 1300 franklin for information. warning serious or fatal electrical shock may result from failure to connect the motor, control enclosures, metal plumbing, and all other metal near the motor or cable, to the power supply ground terminal using wire no smaller than motor cable wires. Franklin Electric 2821139310 - 5 HP - Submersible Motor ... Franklin Electric 2822019310 - 7-1/2 HP - Submersible Motor Control Box - DELUXE w/ Magnetic Contactor. $683.00. $683.00. Click for price. Add to Cart. Add to Compare. Franklin Electric 2343062604 - 4 Inch Submersible Motor - 3 HP - 200 Volt - 3-Wire - 3 Phase. $988.80. PDF rewiNdaBle SuBmerSiBle motorS - Franklin Electric Franklin Electric (Australia) Pty. Ltd. 106-110 Micro Circuit Dandenong South, Victoria 3175 Australia toll Free: 1300 FrANKLiN 1300 372 655 ... Schema etichetta QCAV-E wiring diagram LINE MOTOR. PRODUCT INTRODUCTION This type of singlephaase control boxes which has been producing since various faceitsalon.com › franklin-electric-motor-wiringFranklin Electric Motor Wiring Diagram - Collection - Wiring ... Aug 26, 2020 · Franklin Electric Motor Wiring Diagram from static-cdn.imageservice.cloud Print the wiring diagram off plus use highlighters to trace the signal. When you make use of your finger or perhaps the actual circuit with your eyes, it is easy to mistrace the circuit. 1 trick that We 2 to printing a similar wiring plan off twice.

Home | Franklin Electric We offer pumps, motors, drives, and controls for use in a wide variety of residential, commercial, agricultural, industrial, and municipal applications. Moving Forward Together. Complete water and fueling solutions, comprised of world-class brands and services that you trust: Franklin Electric is your partner to keep moving forward. parisesnuda.blogspot.com › 2021 › 01Franklin Electric Motors Wiring Diagram Jan 11, 2021 · Franklin Electric Motors Wiring Diagram. Schneider Electric Contactor Wiring Diagram In 2020 Electrical Circuit Diagram Circuit Diagram Electrical Projects. Submersible Pump Control Box Wiring Diagram For 3 Wire Single Phase Submersible Pump Electrical Circuit Diagram Submersible. Wiring A Light Switch Basic Electrical Wiring Electrical Wiring ... Franklin Pump Tec Qd Control Relay Wiring Diagram QD Pumptec easily plugs into 3-wire QD Relay Control Boxes in minutes, without 2 to 90 minutes or manual reset; HP Rating: Franklin 4" single-phase 3-wire. to automatically shut off a Franklin single-phase, 3-wire motor when related QD Pumptec easily plugs into 3-wire QD Relay Control Boxes in minutes. franklinwater.com › more › serviceAIM Manual - Home | North America Water | Franklin Electric Franklin YouTube Page NSF/ANSI 61 Approvals Internet Minimum Advertised Price (iMAP) Policy. ... Motor Maintenance » Single-Phase Motors and Controls (Page 53) Menu; Page 52 ... Page 54 >> Control Box Wiring Diagrams. 1/3 - 1 hp QD RELAY 280 10_ 4915 Sixth digit depends on hp. 1/2 - 1 hp CRC QD RELAY 282 40_ 5015 Sixth digit depends on hp ...

PDF Solid State Start Switch tenpintec SS110BE (BACKEND) Connection diagram for AMF Franklin/Bluffton (82-90) dual voltage Back-End motors and ball return motors Supply Voltage 230V ... The terminal positions may vary from that shown on AMF diagrams. White wire from L1 to Klixon may be Grey. These drawing are based on an actual motor from an 82-90XL American mains cables will be Black=Active, White ... PDF Terminal Markings and Internal Wiring Diagrams Single ... TERMINAL MARKINGS AND INTERNAL WIRING DIAGRAMS SINGLE PHASE AND POLYPHASE MOTORS MEETING NEMA STANDARDS See Fig. 2-11 in which vector 1 is 120 degrees in advance of vector 2 and the phase sequence is 1, 2, 3. (See MG 1-2.21.)* MG 1-2.24 Direction Of Rotation Home | North America Water | Franklin Electric Technical Support 1-800-348-2420. Customer Relations. Field Service Engineers. Find Certified Build Center Locations. Job Opportunities. Products. More. Contact. Franklin Electric makes choosing the right products for your water system needs easy. wiringdiagram.2bitboer.com › franklin-electricfranklin electric motor wiring diagram - Wiring Diagram Jan 14, 2022 · Franklin Electric Motor Wiring Diagram. Aim manual page 54 single phase motors and controls motor maintenance north america water franklin electric 53 3 4hp 230v qd control box 57 18131 2 wiring guide 1 5 hp user 2823028310 deluxe three horsepower w magnetic contractor the wire europa pump troubleshooting repair diagrams 56 how to install a ...

Franklin Electric - Franklin Electric 5800060100 Pumptec-Plus ...

Franklin Electric - Franklin Electric 5800060100 Pumptec-Plus ...

How to Troubleshoot Franklin Electric Control Boxes (1.5 ... Full troubleshooting guide can be found in the Franklin Electric AIM Manual: ...

Four lead instant reversing single phase motor | Diagram ...

Four lead instant reversing single phase motor | Diagram ...

230v Motor Wiring Diagram - U Wiring But sometimes when you open up a motor theres just six wires and no diagram. 220V Single Phase Motor Wiring Diagram 220v single phase motor wiring diagram Every electric arrangement is composed of various different components. Can a 34 hp electric. Starting Stopping of 3-Phase Motor from more than One Place Power Control diagrams.

How to Install and Wire a Well Pump - Well Pump Installation ...

How to Install and Wire a Well Pump - Well Pump Installation ...

How to Wire a Franklin Electric QD Control Box (1/3-1 HP ... In this video, Chris shows you how to wire the Franklin Electric QD Control Box. All 3-wire submersible pumps from 1/3 up to 1 HP utilize a QD control box to...

Using VLT AQUA Drive in submersible pump application

Using VLT AQUA Drive in submersible pump application

PDF SUBMERSIBLE MOTORS - Franklin Electric and directly from franklin electric. call franklin toll free 800-348-2420 for information. warning serious or fatal electrical shock may result from failure to connect the motor, control enclosures, metal plumbing, and all other metal near the motor or cable, to the power supply ground terminal using wire no smaller than motor cable wires.

Franklin 15HP 230V Deluxe Control Box

Franklin 15HP 230V Deluxe Control Box

franklinwater.com › media › 112364OWNER’S MANUAL - Franklin Electric 1. the distribution panel. The motor lead incorporates a green grounding conductor. 6. A 2-wire C1-Series has two power supply wires and one ground wire, and does not require a motor control box, since all electrical components are built inside the motor. FIGURE 1 shows a typical wiring diagram for a 2-wire installation. 7.

Deep Well Submersible Pump Motor: 15 HP, 3,450 Nameplate RPM, 460V AC, 3  Wires

Deep Well Submersible Pump Motor: 15 HP, 3,450 Nameplate RPM, 460V AC, 3 Wires

PDF Installation and Operating Instructions - Franklin Electric Congratulations on your purchase of a Franklin Electric pump protection system. Pumptec-Plus is the most sophisticated pump protection system on market today. It is designed to work on any 230 VAC single phase induction motor (PSC, CSCR, CSIR and split phase) ranging in size from 1/2 to 5 horsepower.

Detail Single Phase Submersible Pump Starter Wiring Diagram ...

Detail Single Phase Submersible Pump Starter Wiring Diagram ...

Franklin Electric Pump Controller Model 2823 Wiring Diagram Franklin Electric Submersible Motor Wiring Diagram Franklin Electric 1/2 HP 10 GPM submersible water well pump you can just install a regular plug to the end of the wires and plug it in, but you will need to add. Franklin Electric control boxes are an integral part of a submersible motor power QD Submersible Motor Control Box HP.

AIM Manual - Page 56 | Single-Phase Motors and Controls ...

AIM Manual - Page 56 | Single-Phase Motors and Controls ...

Franklin Electric 1-1/2 or 1HP 230V Control Box W/Overload Franklin 1-1/2 or 1HP 230V Standard Control Box W/Overload. see tech brochure click here Type: CONTROL BOX, STANDARD (with Overload/Red Button) (required for 3 wire motors) HP: 1.5 or 1 Volts: 230 HZ: 60 Model No: 2823008110 or Replaces 2823008610 . 1 1/2HP 282 300 8610 Control Box Wiring Diagram. 1 1/2HP 282 300 8110 Control Box Wiring Diagram ...

Franklin Electric enhances VFD

Franklin Electric enhances VFD

Franklin Qd Control Relay Wiring Diagram - schematron.org Franklin Qd Control Relay Wiring Diagram 09.11.2018 6 Comments In the case of Franklin Electric Control Boxes, there's much more to the a surge arrestor, protecting the QD Relay and the motor from electrical. Control Box Wiring Diagrams. 1/3 - 1 hp QD RELAY 10_ Sixth digit depends on hp. 1/2 - 1 hp CRC QD RELAY 40_ Sixth digit depends on . BLACK.

Wells & Submersible Pump Troubleshooting - Green Road Farm

Wells & Submersible Pump Troubleshooting - Green Road Farm

Franklin Electric 2823008110 Standard Submersible Motor ... Franklin Electric Standard and Deluxe Boxes are for 3-wire, 1 to 15HP single-phase water systems that use standard/heavy-duty pressure switches, level switches or other pilot devices. Deluxe boxes contain magnetic line contactors carefully matched to the motor rating, eliminating the need for external line contactors.

Jual Motor Pompa Celup Franklin 4Kw 380V Motor Pompa ...

Jual Motor Pompa Celup Franklin 4Kw 380V Motor Pompa ...

Franklin Electric Motor Wiring Diagram - autocardesign Franklin Electric Motor Wiring Diagram Aim Manual Page 53 Single Phase Motors and Controls. Franklin Electric Motor Wiring Diagram Vk 9808 Wire Float Switch Wiring Diagram On 230v Single. Franklin Electric Motor Wiring Diagram Franklin Qd Control Box 1 2 Hp 115v. Franklin Electric Motor Wiring Diagram Mk 9547 Well Pump Wire Furthermore Franklin ...

The 3-wire motor - Franklin Electric Europa

The 3-wire motor - Franklin Electric Europa

Condenser Fan Motor Wiring - DIY Home Improvement Forum It has 4 wires plus a green ground. My old motor was Franklin Electric 1/8hp 208/230 V 3 wire: Brown, Red, Black. I also have a new Start fan capacitor. (one side of the capacitor has a black wire hooked to it) This was also the side where the black wire on my old motor hooked into. The brown was on the opposite side.

Buy BlueNatHxRPR 105-126 MFD (uF) Motor Start Capacitor ...

Buy BlueNatHxRPR 105-126 MFD (uF) Motor Start Capacitor ...

Electric Motor & Wiring Diagram - YouTube Electric Motor & Wiring DiagramAmazon Printed Bookshttps:// Kindle Editionhttp:// ...

Franklin Electric 2823028310 - 3 HP - Submersible Motor Control Box -  DELUXE w/ Magnetic Contactor

Franklin Electric 2823028310 - 3 HP - Submersible Motor Control Box - DELUXE w/ Magnetic Contactor

Franklin Electric 5HP 230V Deluxe Control Box Franklin 5HP 230V Deluxe Control Box (should be used when operating with an external pressure switch or float) Type: CONTROL BOX, DELUXE HP: 5 Volts: 230 HZ: 60 Model No: 2821139310 . 5HP Deluxe 282 113 9310 Control Box Wiring Diagram . Franklin Deluxe Control Box Parts Breakdown . Franklin Electric Control Boxes Are In Stock and Ship "FREE"

Control Box Franklin | PDF | Relay | Capacitor

Control Box Franklin | PDF | Relay | Capacitor

ilcucitocreatividiclarabelle.blogspot.com › 2019Franklin Electric Motor Wiring Diagram - 27 - Blogger Dec 29, 2019 · Franklin Electric Motor Wiring Diagram. By Prof. Images December 29, 2019 Post a Comment. Franklin Electric 5800060100 Pumptec Plus Motor Protection Device 230v 1 Phase 1 2 5 Hp Franklin Electric Submersible Pump Manual 2hp 230v Standard Control Box Electric Motor Hp Chart Yobi Karikaturize Com Aim Manual Page 54 Single Phase Motors And Controls Electric Motor Wiring Diagram Capacitor Wiring Diagram Franklin Electric 220volt 1 6 Hp Motor 1306030100 Motors Franklin Electric Fan Motor Wiring ...

Franklin Deluxe Control Box | 2 HP - 230V

Franklin Deluxe Control Box | 2 HP - 230V

PDF Franklin Electric Aim Manual and directly from franklin electric. call franklin toll free 800-348-2420 for information. warning serious or fatal electrical shock may result from failure to connect the motor, control enclosures, metal plumbing, and all other metal near the motor or cable, to the power supply ground terminal using wire no smaller than motor cable wires.

Water Pump Wiring Troubleshooting & Repair Pump Wiring Diagrams

Water Pump Wiring Troubleshooting & Repair Pump Wiring Diagrams

PDF WIRING DIAGRAMS - STANDARD MOTORS - Fantech These diagrams are current at the time of publication, check the wiring diagram supplied with the motor. *NOTE: Refer to the motor manufacturer's data on the motor for wiring diagrams on standard frame Ex e, Ex d etc. motors. Inst Maint & Wiring.qxd 5/03/2008 10:02 AM Page 6

Goulds CB30412CR CSCR Control Box, 3 HP, 230 V - - Amazon.com

Goulds CB30412CR CSCR Control Box, 3 HP, 230 V - - Amazon.com

SubDrive15/20/30 MonoDrive, MonoDriveXT NEMA 3R. Owner s ...

SubDrive15/20/30 MonoDrive, MonoDriveXT NEMA 3R. Owner s ...

Jual Elektro Motor - Franklin Electric - Drive Control ...

Jual Elektro Motor - Franklin Electric - Drive Control ...

Fuentes

Fuentes

Franklin QD Control Box | 1/2 HP - 115V

Franklin QD Control Box | 1/2 HP - 115V

Well pump troubleshooting - DoItYourself.com Community Forums

Well pump troubleshooting - DoItYourself.com Community Forums

float switch wiring diagram for water pump - YouTube

float switch wiring diagram for water pump - YouTube

AIM Manual - Page 54 | Single-Phase Motors and Controls ...

AIM Manual - Page 54 | Single-Phase Motors and Controls ...

Maintenance - Single-Phase Motors & Controls

Maintenance - Single-Phase Motors & Controls

Jual Elektro Motor - Franklin Electric - Drive Control ...

Jual Elektro Motor - Franklin Electric - Drive Control ...

Flow-Thru Expansion Tanks

Flow-Thru Expansion Tanks

How to Wire Submersible Motor Control Box | By

How to Wire Submersible Motor Control Box | By "ELEKTRICAR 1"

Franklin 3/4HP 230V QD Control Box

Franklin 3/4HP 230V QD Control Box

Control Box Franklin | PDF | Relay | Capacitor

Control Box Franklin | PDF | Relay | Capacitor

Franklin borehole pump wiring

Franklin borehole pump wiring

Find Equipment

Find Equipment

Submersible Pump Wiring Diagram

Submersible Pump Wiring Diagram

Troubleshooting Residential Submersible Pump Systems | EC&M

Troubleshooting Residential Submersible Pump Systems | EC&M

Franklin Electric 2801024915 QD Submersible Motor Control Box 0.33 HP 115V  1PH For 3-Wire Motors

Franklin Electric 2801024915 QD Submersible Motor Control Box 0.33 HP 115V 1PH For 3-Wire Motors

6-Inch Submersible Motors

6-Inch Submersible Motors

Jual Electric Motor Single Phase - Franklin Electric ...

Jual Electric Motor Single Phase - Franklin Electric ...

Pump Control test Franklin | DIY Home Improvement Forum

Pump Control test Franklin | DIY Home Improvement Forum

Well Pump Controller Capacitor blew | DIY Home Improvement Forum

Well Pump Controller Capacitor blew | DIY Home Improvement Forum

NEMA 17 stepper motor Wiring diagram Electric motor ...

NEMA 17 stepper motor Wiring diagram Electric motor ...

Water Pump Wiring Troubleshooting & Repair Pump Wiring Diagrams

Water Pump Wiring Troubleshooting & Repair Pump Wiring Diagrams

0 Response to "42 Franklin Electric Motor Wiring Diagram"

Post a Comment

Iklan Atas Artikel

Iklan Tengah Artikel 1

Iklan Tengah Artikel 2

Iklan Bawah Artikel