Iklan 300x250

41 john deere trs27 snowblower parts diagram

John Deere TRS21, TRS21E, TRS22, TRS24, TRS26, TRS27 ... This is the COMPLETE Technical Manual for the John Deere TRS21, TRS21E, TRS22, TRS24, TRS26, TRS27, TRS32, TRX24, TRX26 Walk-Behind Snowthrowers/Snowblowers. John Deere Parts Lookup by Model - Jacks Small Engines Tiller. Tool Carrier. Tractor (Model Number: 1010 thru 5820) Tractor (Model Number: 6000 thru 9630) Tractor (Model Number: A thru WA17) Turf Mower. Utility Vehicle. Wheel Harvester. Windrower.

John Deere Model TRS27 Walk Behind Snow Blower Parts John Deere Model TRS27 Walk Behind Snow Blower Parts. ... John Deere Walk Behind Snow Blower Parts; Model TRS27; Model TRS27. Products [21] Sort by: Quick View. Good Vibrations Grass Hawk Dual-Bladed Mower Scraper - GV160 (4) $11.95. Usually available. Add to Cart. Quick View. John Deere 4.80x4.00-8 Innertube - M46015 ...

John deere trs27 snowblower parts diagram

John deere trs27 snowblower parts diagram

John Deere aftermarket parts for SNOW BLOWER (WALK-BEHIND ... John Deere SNOW BLOWER (WALK-BEHIND) TRS27 Walk Behind Snowblower -PC2304 oem parts sea freight to Russia from $57.07, Guadeloupe from $37.43, Serbia from $42.5 John Deere Trs 26 Snowblower Manual, Oem Owners Manual John deere trs27 walk behind snow blower service manual john deere trs27 walk behind snowblower technical manual tm1466 658 pages in.pdf format 32.1 mb in.zip format for super fast downloads! The item john deere snow blower trx26 track drive snowblower is in sale since sunday, decem. PDF John Deere TRS27 and TRS32 Walk-Behind Snowblowers ... John Deere TRS27 and TRS32 Walk-Behind Snowblowers Operators Manual This is the COMPLETE Technical Manual for the John Deere TRS21, TRS21E, TRS22, TRS24, ... Has specs, diagrams, and actual real photo illustrations, color schemes. These technical manual is as good as it gets for Diagnosing, Repairing, and Maintenancing John Deere machinery.

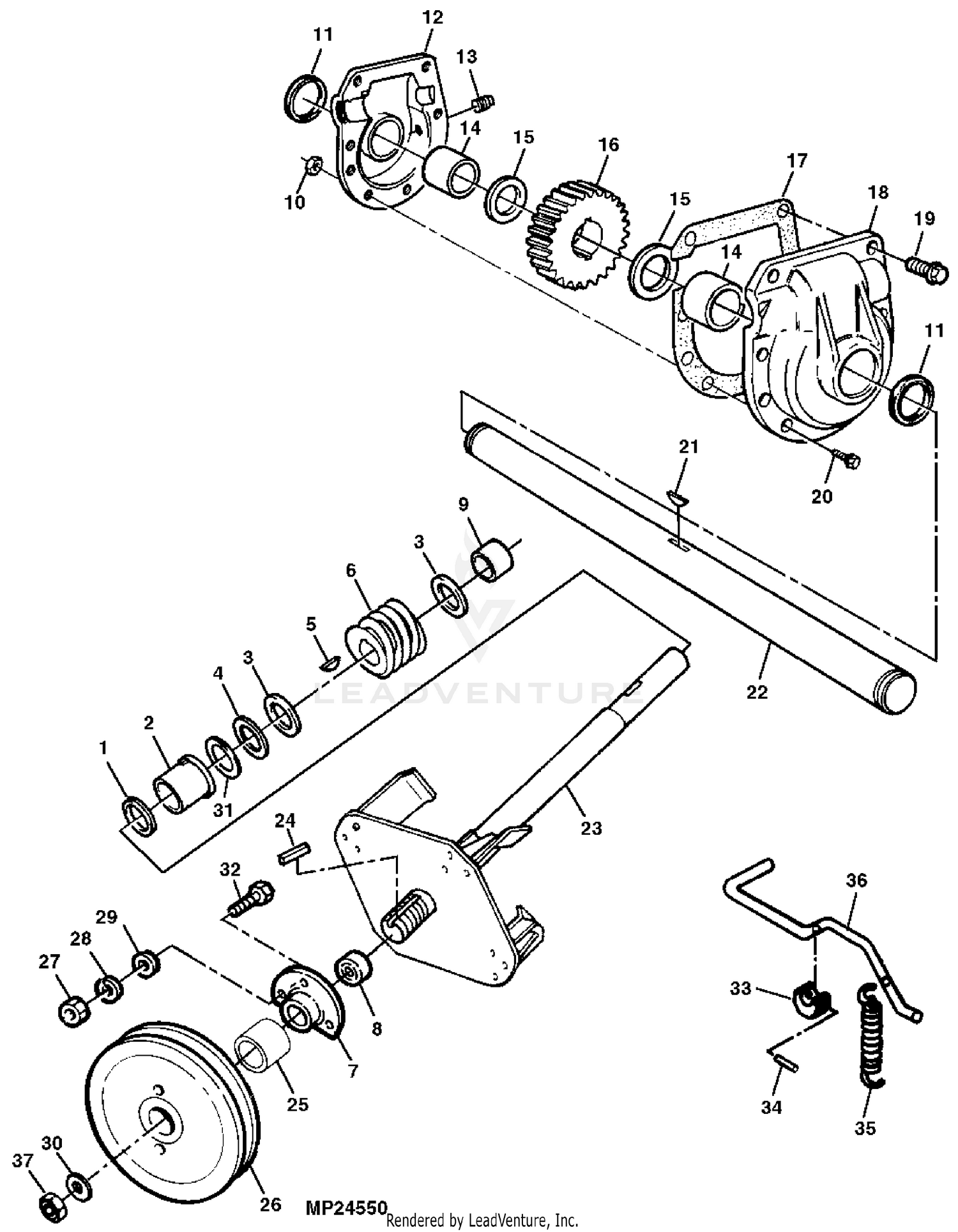
John deere trs27 snowblower parts diagram. John Deere TRS26 Parts - Mutton Power John Deere TRS26 Snowblower Parts. The TRS26 Walk Behind Snowblower was produced from 1990-1996 with standard features including the 8 HP Tecumseh engine, 26" bucket, two stage augers, and 200 degree chute adjustment. Regular maintenance should be performed on the TRS26 if it is not operated 25 hours during a season and every 100 hours or yearly. ARIMain - WEINGARTZ TRS27 and TRS32 Walk-Behind Snowblowers. Controls, Housing, Augers, Drive Train And Wheels (010001 - 140000) TRS27 and TRS32 Walk-Behind Snowblowers. Controls, Housing, Augers, Drive Train And Wheels (140001 - 150000) TRS27 and TRS32 Walk-Behind Snowblowers. Engine AM134817, AM124719. TRS27 and TRS32 Walk-Behind Snowblowers. Labels And Accessories. John Deere genuine parts for SNOW BLOWER (WALK-BEHIND ... John Deere SNOW BLOWER (WALK-BEHIND) TRS22; TRS24; TRX24; TRS26 & TRX26 WALK-BEHIND SNOWBLOWERS -PC2303 aftermarket parts shipping to from $50.55, Monaco from $30.56, Belgium from $28.41 John deere 826 snowblower parts manual - United States ... This manual contains information and data to this model. Has specs, diagrams, and …. 3-8-2016 · Description: John Deere 826 Snowblower Parts Diagram Wiring Diagram And Fuse pertaining to John Deere Snowblower Parts Diagram, image size 620 X 724 px, and to view image details please click the image..

John Deere 826 Snowblower Parts Diagram | Automotive Parts ... Description: John Deere 524 Walk Behind Snow Blower Tear Down Into Parts Lot inside John Deere 826 Snowblower Parts Diagram, image size 1280 X 720 px, and to view image details please click the image.. Truly, we also have been realized that john deere 826 snowblower parts diagram is being one of the most popular field right now. So we attempted to locate some terrific john deere 826 snowblower ... TRS27 - Deere & CNH parts catalog :: AVS.Parts Diagram group TRS27, TRS32, TRX27 and TRX32 Snow Blowers John Deere : 20 Engine CCE 30 Controls, Housing, Augers, Drive Train And Wheels (010001 - 140000) CCE 35 Controls, Housing, Augers, Drive Train And Wheels (140001 - 150000) CCE 40 Labels And Accessories CCE TRS27 and TRS32 Walk-Behind Snowblowers TRS27 Snowblower X-Configuration Code 010001-Serial Number. TRS27 and TRS32 Walk-Behind Snowblowers ... The REMAN parts listed in this catalog are intended for the repair or replacement of failed or worn original equipment components. John Deere Reman components are manufactured to stringent John Deere standards and produced to original John ... John deere trs26 snowblower parts manual - United States ... John deere trs26 snowblower parts manual. Found this on ebay: "M118091 2 New John Deere snowblower TRS 27 axle bushings. For serial # 140001. May fit other models. You would need to check your model. They list for around .00 ea. I'm selling them as a pair. One package was opened just to take the picture.

John Deere TRS21/21E/22/24/26/27/32 and TRX24/26 TM1466 Full Agriculture Parts and Service Literature Set 2021 is an electronic database catalog of spare parts of agricultural machinery, which combines outstanding performance and high reliability, such brands as Case, Deutz-Fahr, Fendt, John Deere, Massey Ferguson, New Holland, Same, Valtra. 1299$ [2015-2021] PDF TECHNICAL MANUAL - John Deere Manual do the job and service parts kits. Section 10, Group 15—Repair Specifications, consist of all applicable specifications, near tolerances and specific torque values for various components on each individual machine. Binders, binder labels, and tab sets can be ordered by John Deere dealers direct from the John Deere Distribution Service Center. ARIMain - Weingartz Find parts for your john deere recoil starter 120001 - : engine trs26/trx26 with our free parts lookup tool! Search easy-to-use diagrams and enjoy same-day shipping on standard John Deere parts orders. John Deere Parts Diagrams, John Deere TRS22, TRS24, TRX24 ... Buy Genuine OEM John Deere parts for your John Deere TRS22, TRS24, TRX24, TRS26 & TRX26 WALK-BEHIND SNOWBLOWERS -PC2303 and ship today! Huge in-stock inventory of OEM John Deere parts.

John Deere TRS32 Walk Behind Snowblower -PC2304 Labels ...

John Deere TRS32 Walk Behind Snowblower -PC2304 Labels ...

John Deere Trs21 Trs21e Trs22 Trs24 Trs26 Trs27 Trs32 ... JOHN DEERE TRS21 TRS21E TRS22 TRS24 TRS26 TRS27 TRS32 TRX24 TRX26 WALK-BEHIND SNOWTHROWERS & SNOWBLOWERS repair manual & service manual is in pdf format so it will work with computers including WIN, MAC etc.You can Easily view, Navigate, print, Zoom in/out as per your requirements.

Power Vergaser Kit Dichtung Primer Birne Kraftstoff Filter ...

Power Vergaser Kit Dichtung Primer Birne Kraftstoff Filter ...

John Deere Walk Behind Snow Blower Parts - GreenPartStore John Deere Walk Behind Snow Blower Parts; John Deere Walk Behind Snow Blower Parts. Model TRS21. Model TRS21E. Model TRS22. Model TRS24. Model TRS26. Model TRS27. Model TRS32. Model TRX24. Model TRX26. Model TRX27. Model TRX32. Model 1026. Model 1028. Model 1028E. Model 1032. Model 1032D. Model 1128DDE. Model 1128DE. Model 1130SE. Model 1330SE.

TRS27 - SNOW BLOWER (WALK-BEHIND) Wheels and Axles (140001 ...

TRS27 - SNOW BLOWER (WALK-BEHIND) Wheels and Axles (140001 ...

John Deere TRS27 and TRS32 Walk-Behind Snowblowers ... This is the Service Repair Manual for the John Deere TRS21, TRS21E, TRS22, TRS24, TRS26, TRS27, TRS32, TRX24, TRX26. It contains deep information about maintaining, assembly, disassembly, and servicing. This Jhon Deere manual contains information and data on this model. Has specs, diagrams, and actual real photo illustrations, color schemes.

Carburetor Kit For Tecumseh 8 10 HP MTD/Snapper/Ariens 824 ...

Carburetor Kit For Tecumseh 8 10 HP MTD/Snapper/Ariens 824 ...

Shop our selection of John-Deere TRS27 Parts and Manuals John Deere TRS27 Snow BLower/Thrower Kevlar Blue V-Belt (1/2" X 36" ) (Belt, Auger S/N less than 140000) John Deere TRS27 Lawn & Garden & Specialty Belts | Snow Blower | A34KThe Kevlar Blue V-Belt is an ex.. $7.32

Fanex 641 - KRAMP

Fanex 641 - KRAMP

I have a John Deere (TRS 27) Snowblower with ... - JustAnswer I have a John Deere (TRS 27) Snowblower with an 8 hp Tecumseh engine. I am attempting to do a carb kit myself and I am looking for the proper location of Throttle linkage to the carb along with idile settings. diagrams would be helpful

Working on the John Deere TRS27 ShitBlower & Other Junk

Working on the John Deere TRS27 ShitBlower & Other Junk

40 john deere 1032 snowblower parts diagram Parts diagram for John Deere snow blower Asked Dec 28, , AM — 1 Answer I am trying to find an exploded view or parts diagram of the drive gear case for a John Deeere snow blower. 520, 522 AND 524 SNOW BLOWERS. 524D AND 724D WALK-BEHIND SNOWBLOWERS. 526, 726, 732, 826, 832 and 1032 Walk-Behind Snow Blowers. 826D WALK-BEHIND SNOWBLOWER. 828D ...

John Deere JD 44-IN SNW BLOWR (E100 AND D100 in the ...

John Deere JD 44-IN SNW BLOWR (E100 AND D100 in the ...

TRS27 - SNOW BLOWER (WALK-BEHIND) 20 Engine EPC John Deere ... 20 Engine TRS27 - SNOW BLOWER (WALK-BEHIND) EPC John Deere online advisor sale parts diagram catalog

John Deere TRS27 - Lot #153, 23rd Annual Riesterer ...

John Deere TRS27 - Lot #153, 23rd Annual Riesterer ...

John Deere TRS27 Snowblower Parts - Mutton Power John Deere TRS27 Snowblower Parts. The TRS27 Walk Behind Snowblower was produced from 1990-1995 with standard features including the 8 HP Tecumseh engine, 27" bucket, two stage augers, and 220 degree chute adjustment. Regular maintenance should be performed on the TRS27 if it is not operated 25 hours during a season and every 100 hours or yearly.

JOHN DEERE LA For Sale - 39 Listings | TractorHouse.com ...

JOHN DEERE LA For Sale - 39 Listings | TractorHouse.com ...

John Deere TRS21, TRS21E, TRS22, TRS24, TRS26, TRS27 ... Click on the download button to start payment and instant download of your John Deere TRS21 TRS21E TRS22 TRS24 TRS26 TRS27 TRS32 TRX24 TRX26 Walk-Behind Snowthrowers, Snowblowers Service Repair Manual now. We also sell John Deere snowthrower, snowblower handbooks.

John deere trs27 walk behind snowthrowers & snowblowers ...

John deere trs27 walk behind snowthrowers & snowblowers ...

ARIMain - GREENPARTS 524D AND 724D WALK-BEHIND SNOWBLOWERS. 526, 726, 732, 826, 832 and 1032 Walk-Behind Snow Blowers. 826D WALK-BEHIND SNOWBLOWER. 828D and 1032D Walk-Behind Snowblowers. 924DE, 1128DE, 1128DDE and 1332DDE Walk-Behind Snow Blowers. TRS21 and TRS21E Walk-Behind Snow Throwers. TRS22, TRS24, TRX24, TRS26 AND TRX26 WALK-BEHIND SNOWBLOWERS.

VIESMANN

VIESMANN

Snowblower Forum - Automotive Parts Diagram Images This particular impression (Trs-27 Auger Belt Snapped Again - Snowblower Forum : Snow Blower inside John Deere 826 Snowblower Parts Diagram) above is usually branded having: john deere 826 snowblower parts diagram, john deere 826 snowblower parts manual, . submitted through admin with October, 13 2017.

John Deere Parts Lookup -TRS22, TRS24, TRX24, TRS26 & TRX26 ...

John Deere Parts Lookup -TRS22, TRS24, TRX24, TRS26 & TRX26 ...

PDF John Deere TRS27 and TRS32 Walk-Behind Snowblowers ... John Deere TRS27 and TRS32 Walk-Behind Snowblowers Operators Manual This is the COMPLETE Technical Manual for the John Deere TRS21, TRS21E, TRS22, TRS24, ... Has specs, diagrams, and actual real photo illustrations, color schemes. These technical manual is as good as it gets for Diagnosing, Repairing, and Maintenancing John Deere machinery.

Auger Drive Belt For Walk-Behind Snowblowers

Auger Drive Belt For Walk-Behind Snowblowers

John Deere Trs 26 Snowblower Manual, Oem Owners Manual John deere trs27 walk behind snow blower service manual john deere trs27 walk behind snowblower technical manual tm1466 658 pages in.pdf format 32.1 mb in.zip format for super fast downloads! The item john deere snow blower trx26 track drive snowblower is in sale since sunday, decem.

John Deere TRS21 Parts

John Deere TRS21 Parts

John Deere aftermarket parts for SNOW BLOWER (WALK-BEHIND ... John Deere SNOW BLOWER (WALK-BEHIND) TRS27 Walk Behind Snowblower -PC2304 oem parts sea freight to Russia from $57.07, Guadeloupe from $37.43, Serbia from $42.5

mounting parts for engine and transmission SKODA FELICIA

mounting parts for engine and transmission SKODA FELICIA

1999 John Deere 826D Snow Blower in Cincinnati, Ohio, United ...

1999 John Deere 826D Snow Blower in Cincinnati, Ohio, United ...

John Deere Snow Blower Parts

John Deere Snow Blower Parts

John Deere TRS21/21E/22/24/26/27/32 and TRX24/26 Walk-Behind  Snowthrowers/Snowblowers TM1466 PDF

John Deere TRS21/21E/22/24/26/27/32 and TRX24/26 Walk-Behind Snowthrowers/Snowblowers TM1466 PDF

John Deere TRS27 Walk-Behind Snowthrowers & Snowblowers ...

John Deere TRS27 Walk-Behind Snowthrowers & Snowblowers ...

John Deere TRS21, TRS21E, TRS22, TRS24, TRS26, TRS27, TRS32 ...

John Deere TRS21, TRS21E, TRS22, TRS24, TRS26, TRS27, TRS32 ...

New Deere Snowblower??? | My Tractor Forum

New Deere Snowblower??? | My Tractor Forum

John Deere TRS27 Walk-Behind Snowthrowers/Snowblowers Manual ...

John Deere TRS27 Walk-Behind Snowthrowers/Snowblowers Manual ...

John Deere TRS22, TRS24, TRX24, TRS26 & TRX26 WALK-BEHIND ...

John Deere TRS22, TRS24, TRX24, TRS26 & TRX26 WALK-BEHIND ...

Snow Blowers ยป Blog Archive Replace the Auger Drive Belt on ...

Snow Blowers » Blog Archive Replace the Auger Drive Belt on ...

Carburetor For John Deere TRS 27 or TRS27 Snow Blower - Mower ...

Carburetor For John Deere TRS 27 or TRS27 Snow Blower - Mower ...

John Deere mdl: TRS27 WBSB walk behind Snow Blower on GovLiquidation.com

John Deere mdl: TRS27 WBSB walk behind Snow Blower on GovLiquidation.com

John Deere TRS27 Snow Blower/Thrower Disc, Drive

John Deere TRS27 Snow Blower/Thrower Disc, Drive

TRS27 - SNOW BLOWER (WALK-BEHIND) Drive Housing (140001 ...

TRS27 - SNOW BLOWER (WALK-BEHIND) Drive Housing (140001 ...

John Deere TRS27 (Belt, Auger) Snow Blower / Thrower Replacement Belt

John Deere TRS27 (Belt, Auger) Snow Blower / Thrower Replacement Belt

John Deere TRS21/21E/22/24/26/27/32 and TRX24/26 Walk-Behind  Snowthrowers/Snowblowers TM1466 PDF

John Deere TRS21/21E/22/24/26/27/32 and TRX24/26 Walk-Behind Snowthrowers/Snowblowers TM1466 PDF

Cannot get to lock in hub of DEERE TRS27, opposite wheel ...

Cannot get to lock in hub of DEERE TRS27, opposite wheel ...

TRS-27 Just lack a couple decals now.. | Snowblower Forum

TRS-27 Just lack a couple decals now.. | Snowblower Forum

Hydro Gear 51105 Transaxle 618-0389 Axle Shaft OEM

Hydro Gear 51105 Transaxle 618-0389 Axle Shaft OEM

JOHN DEERE TRS27 TRS32 Snow blower thrower Friction disc ...

JOHN DEERE TRS27 TRS32 Snow blower thrower Friction disc ...

John Deere TRS32 Parts

John Deere TRS32 Parts

HAKATOP M82612 Snowthrower Auger Drive Belt M45491 Replace John Deere  Snowblower TRS27/32 1032 832 826 732 726 526

HAKATOP M82612 Snowthrower Auger Drive Belt M45491 Replace John Deere Snowblower TRS27/32 1032 832 826 732 726 526

TAIL LIGHT | CFMOTO Parts

TAIL LIGHT | CFMOTO Parts

John Deere Parts Diagrams, John Deere TRS27 Walk Behind ...

John Deere Parts Diagrams, John Deere TRS27 Walk Behind ...

Simplicity 1003 (1600397) - Simplicity Roticul System Tiller ...

Simplicity 1003 (1600397) - Simplicity Roticul System Tiller ...

A34K John Deere TRS27 (Belt, Auger S/N SN Below 140000) Aftermarket belt

A34K John Deere TRS27 (Belt, Auger S/N SN Below 140000) Aftermarket belt

How To Change the Auger Belt for John Deere 1330SE Snow ...

How To Change the Auger Belt for John Deere 1330SE Snow ...

0 Response to "41 john deere trs27 snowblower parts diagram"

Post a Comment

Iklan Atas Artikel

Iklan Tengah Artikel 1

Iklan Tengah Artikel 2

Iklan Bawah Artikel