41 1999 Chevy Tahoe Wiring Diagram
2002 Chevy Tahoe Wiring Diagram - The Wiring Placed by admin in March, 11 2015. 2002 Chevy Tahoe Factory Amp Wiring Diagram 2002 Chevy Tahoe pertaining to 2004 Chevrolet Tahoe Wiring Diagram, image size 472 X 334 px, and to view image details please click the image. Trailer Wiring Diagram - Truck Side - Diesel Bombers, size: Obtaining from factor A to aim B. Chevy Tahoe 1999 Electrical Circuit Wiring Diagram ... Chevy Tahoe 1999 Electrical Circuit Symbol Map Related diagrams: Chevy Silverado 5.7L 1995 Electrical Circuit Wiring Diagram Chevy Cobalt 2.2 2005 Electrical Circuit Wiring Diagram Chevy Blazer 1997 Fuel Pump Relay Electrical Circuit Wiring Diagram Chevy RST 2009 Dash Electrical Circuit Wiring Diagram
1999 Chevrolet Tahoe Wiring Diagram Database - Wiring ... 1999 Chevrolet Tahoe Wiring Diagram from repairguide.autozone.com Print the wiring diagram off plus use highlighters to trace the signal. When you make use of your finger or perhaps the actual circuit with your eyes, it is easy to mistrace the circuit. 1 trick that We 2 to printing a similar wiring plan off twice.

1999 chevy tahoe wiring diagram
Part 1 -How to Test the GM Distributor Mounted Ignition Module Oct 21, 2009 · Wiring diagram. Component pin outs. Connector pin outs. Ignition system component part numbers. Firing order. Complete step-by-step testing instructions. The illustrations in the diagnostic manual are printer friendly! Applies to: 1995 Chevrolet Tahoe (4x2 and 4x4). 1995 GMC Yukon (4x2 and 4x4). 1999 Chevy tahoe wiring diagram that is downloadable so I ... mechanic. High School or GED. 9,477 satisfied customers. Chevrolet Tahoe 4x4: I am looking for wiring diagrams for a. I am looking for wiring diagrams for a 1999 chevy Tahoe - replacing the factory stereo looking for front door and the Parking break and Reverse … read more. comparative cultural studies comparative literature media ... PDF. Postcolonial Studies in the Twenty-first Century: A Book Review Article of Literature for Our Times & Reading Transcultural Cities Alejandra Moreno Álvarez
1999 chevy tahoe wiring diagram. 1999 Chevrolet Tahoe Car Stereo Wire Colors and Locations 1999 Chevrolet Tahoe Stereo Wiring Home / the12volt's Install Bay / Vehicle Wiring / View all Chevrolet Vehicles / 1999 Chevrolet Tahoe Vehicle Search 1999 Chevy Tahoe 5.7 Serpentine Belt Diagram 1999 Chevy Tahoe 5.7 Serpentine Belt Diagram. Chevrolet Tahoe Belt Component Kit Belt, Part Number: K1 Vehicle Specific Belt Demanding drive kit. Includes: Serpentine belt, pulley and tensioner. Results 1 - 48 of BANDO 4PK Belt-Rib for CADILLAC CHEVY SILVERADO TAHOE GMC SIERRA , SAVANA .. #1 on Diagram Only-Genuine OE Factory Original Item ... 1999 Chevy Silverado Wiring Diagram - The Wiring 1999 Chevrolet Chevy Tahoe Wiring Diagram Auto Wiring . Pin by ang on truck 1986 chevy truck, 86 chevy truck . Underhood fuse box diagram Chevrolet Silverado (2006 . 1999 Chevrolet Truck Silverado 2500 4WD 6.0L SFI 8cyl . Gmgm Wiring Harness Diagram 88 98 (With images . Contact Us - Netstrata The first step towards benefiting from the Netstrata difference is to make an enquiry for an obligation free quote. Request a Quote. If you would like to visit us, scroll down to see our office locations.
SOLVED: 1999 Chevy Tahoe Door wiring diagram - Fixya Re: 1999 Chevy Tahoe Door wiring diagram. I am not sure exactly where to get your info for free, but have another solution. The drivers door holds all you need. The door panel needs to be removed and then reconnect the power door lock switch. Then just locking and unlocking the door will trigger the actuator to move, allowing you to find it and ... Fuse Box Diagram Chevrolet Tahoe / GMC Yukon (1995-1999) Fuse box diagram (location and assignment of electrical fuses and relays) for Chevrolet (Chevy) Tahoe / GMC Yukon (1995, 1996, 1997, 1998, 1999). TV Archives - Hollywood.com Click to get the latest TV content. Sign up for your weekly dose of feel-good entertainment and movie content! 1999 Chevrolet Tahoe Car Alarm Wiring Color Codes ... 1999 Chevrolet Tahoe Car Alarm Wiring Color Codes. Second Ignition Positive Wire (+): White (This wire must be connected as ignition #2 for remote starting.) Power Door Lock Negative Wire (-): Light Blue (Type A). If vehicle is a 2-Door, door locks are a (Type"C") If vehicle is a 4-Door, door locks are a (Type "A").
Chevrolet Tahoe (1999) - fuse box diagram - Auto Genius Chevrolet Tahoe (1999) - fuse box diagram Posted on 4 January 2018 by admin Chevrolet Tahoe (1999) - fuse box diagram Year of production: 1999 Instrument panel fuse block The fuse block access door is on the driver's side edge of the instrument panel. Chevrolet Tahoe - fuse box - instrument panel Underhood fuse/relay center eBay Motors: Auto Parts and Vehicles | eBay eBay Motors makes it easy to find parts for cars, trucks, SUVs, motorcycles & more. We even offer a massive selection of new & pre-owned classics, hot rods, exotics, vans, ATVs, RVs, boats and more at eBay Motors. Shop for your next vehicle, or start selling in a marketplace with 171 million buyers. 1999 Chevy Wiring Diagram - My Wiring Info 1999 Chevy Tahoe Ac Wiring Diagram. Gmc Engine control module wiring help Hey might be a long shot but i need cab wiring diagram for a 99 chevy c with a Buy GMC C parts now, at wholesale prices - direct from GM. This automobile is designed not only to travel 1 place to another but also to take heavy loads. priessnitzumschlag.de Part Number: AG-1000767234. 00. Posted by 12 days ago. Wiring Harness used for the center Console. Floor Console Latch 1995-99 Chevy Tahoe, Suburban 1995-99 GMC Yukon, Suburban. The Chevy Tahoe is a spacious and powerful SUV, while the Chevy Silverado 1500 is one of the most popular pickups on the road today.
Wiring Diagram For 2003 Chevy Tahoe - Diagram Niche Ideas Wiring diagram for 2003 chevy tahoe.The chevrolet tahoe repair manual contains a detailed description of the device, the instruction manual and the procedures related to the maintenance of the chevrolet tahoe platform gmt800, which were produced from 2000 to 2006 and equipped with gasoline engines with a working volume.
1995 Chevy Tahoe Ac Wiring Diagram - U Wiring 1995 Chevrolet C1500 C2500 C3500 Pick Up. Wiring diagrams repair guide 1995 chevrolet tahoe air conditioning car ignition system circuit diagram 1992 radio was stolen chevy got need color code for 1500 350 4×4 the fuel pump silverado 5 7l electrical i have a 350ci tbi transmission.
1999 Chevrolet Tahoe Wiring Diagram Database - Wiring ... 1999 Chevrolet Tahoe Wiring Diagram Database. October 30, 2020 by headcontrolsystem. 1999 Chevrolet Tahoe Wiring Diagram Database. Repairing electrical wiring, a lot more than any other household project is about protection. Install an outlet correctly and it's as safe as that can be; do the installation improperly and it can potentially deadly.
1999 Chevy Tahoe Engine Diagram | Automotive Parts Diagram ... Description : 1999 Chevy Tahoe Fuse Box Diagram - Circuit Wiring Diagrams intended for 1999 Chevy Tahoe Engine Diagram, image size 996 X 696 px. Description : Chevrolet Tahoe 5.3 1999 | Auto Images And Specification with regard to 1999 Chevy Tahoe Engine Diagram, image size 552 X 558 px. Truly, we have been realized that 1999 chevy tahoe ...
1999 Chevy Silverado Wiring Diagram - Wiring Tech 1999 Chevrolet Chevy Tahoe Wiring Diagram Auto Wiring . 1999 Chevrolet Truck Silverado 2500 4WD 6.0L SFI 8cyl . Awesome Collection Of 2000 Chevy S10 Wiring Diagram Wiring . 1996 GMC Truck C1500 1/2 ton P/U 2WD 5.0L MFI OHV 8cyl . Underhood fuse box diagram Chevrolet Silverado (2006 . 1998 Chevrolet Truck K2500HD 3/4 ton P/U 4WD 6.5L Turbo
NEWROCKIES Inc. Passlock Bypass disables the ENTIRE system. Working with Jack in NEWROCKIES Technical Support, I double check all wires against the diagram, everything is matching. The PRO Module doesn't even turn on. I also check the vehicle battery to make sure it doesn't have low voltage, it was 12.2 volts.Then I went ahead and checked all fuses personally, I had asked someone else prior, bad plan.
1998-1999 Chevrolet Tahoe Vehicle Wiring Chart and Diagram Listed below is the vehicle specific wiring diagram for your car alarm, remote starter or keyless entry installation into your 1998-1999 Chevrolet Tahoe.This information outlines the wires location, color and polarity to help you identify the proper connection spots in the vehicle.
PDF SYSTEM WIRING DIAGRAMS - pswired.com SYSTEM WIRING DIAGRAMS 1995 Chevrolet Tahoe 1995 System Wiring Diagrams Chevrolet - Tahoe AIR CONDITIONING A/C Circuit. Heater Circuit ANTI-LOCK BRAKES. Anti-lock Brake Circuits COMPUTER DATA LINES. Data Link Connector Circuit COOLING FAN. Cooling Fan Circuit CRUISE CONTROL. 5.7L 5.7L (VIN K), Cruise Control Circuit
Ignition System Circuit Diagram (1996-1999 Chevy/GMC Pick ... Wiring diagrams. Component pin outs. Connector pin outs. Ignition system component part numbers. Firing orders. Complete step-by-step testing instructions. The illustrations in the diagnostic manual are printer friendly! Applies to: 1999 Chevrolet Silverado, C1500, C2500, C3500 Pick Up. 1999 Chevrolet K1500, K2500, K3500 Pick Up.
SOLVED: Wiring diagram for 1999 chevy tahoe - Fixya Re: wiring diagram for 1999 chevy tahoe. Concerning no rear turn signal/s light in a '98 Tahoe. A burned out bulb is most likely. The next possible problem is a failed circuit board in the tail light. (the plate that the 3 bulbs are in) You can buy just that plate (~$15-$25) without having to buy the whole tail light, which is more expensive ...
1999 Chevrolet Tahoe Car Radio Wire Diagram - MODIFIEDLIFE Whether your an expert Chevrolet Tahoe mobile electronics installer, Chevrolet Tahoe fanatic, or a novice Chevrolet Tahoe enthusiast with a 1999 Chevrolet Tahoe, a car stereo wiring diagram can save yourself a lot of time. Automotive wiring in a 1999 Chevrolet Tahoe vehicles are becoming increasing more difficult to identify due to the installation of […]
1999 Chevrolet Chevy Tahoe Wiring Diagram | Chevy tahoe ... 1999 Chevrolet Chevy Tahoe Wiring Diagram | Auto Wiring Diagrams. Find this Pin and more on How to hardwire fuel pump on 99 Tahoe bypaai g security by Summer Holcomb. Rim Prints guarantees to instantly improve the look of your Chevy Avalanche by transforming your rims! It is amazing how easy it is and the results are powerful!
Wiring Diagram 99 Tahoe - The Wiring Diagram - Readingrat ... Through the thousands of images on the net in relation to 1999 chevy tahoe engine diagram, we selects the best collections together with best quality exclusively for you all, and this photographs is one of graphics series in your very best pictures gallery concerning 1999 Chevy Tahoe Engine Diagram.Lets hope you can want it. That impression (Wiring Diagram 99 Tahoe - The Wiring Diagram ...
1996 Chevy Tahoe Wiring Diagram - Wiring Tech 1996 chevy tahoe wiring diagram. 4.3L, 5.0L, 5.7L Do NOT follow this link or you will be banned from the site!Assortment of chevy wiring harness diagram. Read more 1996 Chevrolet Tahoe Stereo. This car is designed not just to travel 1 place to another but also to carry heavy loads.
Chevrolet Tahoe - Wiring Diagrams Chevrolet Silverado, GMC Sierra and Sierra Denali Pick-ups (1999 thru 2006 and 2007 11Ciassic11 models), Chevrolet Suburban and Tahoe, GMC Yukon, Yukon XL and Yukon Denali (2000 thru 2006), A Chevrolet Avalanche (2002 thru 2006) Two- and four-wheel drive, gasoline engine versions
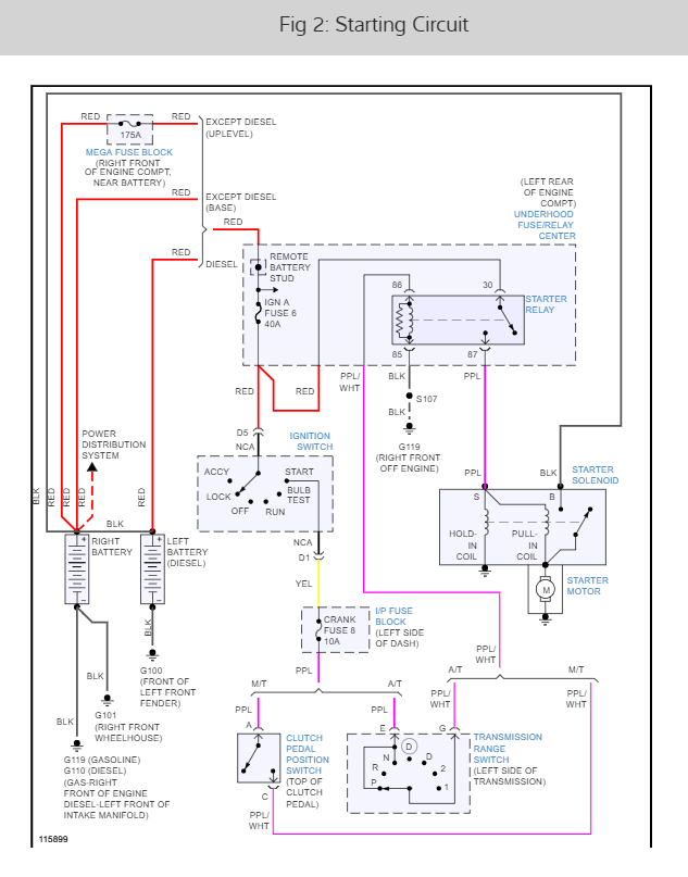
Starter for a 1999 chevy tahoe wiring diagram - JustAnswer Starter for a 1999 chevy tahoe wiring diagram. Tuning up and think two plug wires got crossed going to. Tuning up and think two plug wires got crossed going to coil..really could use adiagram showing which plug goes to which coil outlet. … read more.
1999 chevy tahoe updated fuel pump wiring color ... - YouTube About Press Copyright Contact us Creators Advertise Developers Terms Privacy Policy & Safety How YouTube works Test new features Press Copyright Contact us Creators ...
1999 Tahoe Electrical Diagram Needed | Chevy Tahoe Forum ... You wont find a viper or any after market alarm under the hood. It will be up above the main wire harness under the driver side dash. Usually as high as it can go. Higher it is the harder it is to pull out in an attempted robbery. Anyway the wire diagram is as follows 1999 Chevy Tahoe
comparative cultural studies comparative literature media ... PDF. Postcolonial Studies in the Twenty-first Century: A Book Review Article of Literature for Our Times & Reading Transcultural Cities Alejandra Moreno Álvarez
1999 Chevy tahoe wiring diagram that is downloadable so I ... mechanic. High School or GED. 9,477 satisfied customers. Chevrolet Tahoe 4x4: I am looking for wiring diagrams for a. I am looking for wiring diagrams for a 1999 chevy Tahoe - replacing the factory stereo looking for front door and the Parking break and Reverse … read more.
Part 1 -How to Test the GM Distributor Mounted Ignition Module Oct 21, 2009 · Wiring diagram. Component pin outs. Connector pin outs. Ignition system component part numbers. Firing order. Complete step-by-step testing instructions. The illustrations in the diagnostic manual are printer friendly! Applies to: 1995 Chevrolet Tahoe (4x2 and 4x4). 1995 GMC Yukon (4x2 and 4x4).
0 Response to "41 1999 Chevy Tahoe Wiring Diagram"
Post a Comment