Iklan 300x250

39 huskee riding mower drive belt diagram

Mtd belt diagram 46 in yardman along with yard machine riding mower belt diagram php attachmentid depict dreamy for larger version name drive belts views size 14 further t mtd 42 zero turn transmission belt further reseating deck belt mtd mower in addition ddad john deere mower deck belt. Husqvarna 54 Inch Mower Deck Belt Replacement. $2,579.99. I am trying to replace the drive belt on my 2009 SLTX 1054 cub cadet mower. Product Overview. Step 1: Prepare your riding mower for maintenance. 0: 0: 0: 0 . I noticed

It is EASY and FREE. Over time, the belts on your MTD riding lawn mower can wear. Changing your mower deck belt as necessary will help keep your machine running at its peak. Apr 19, 2020 - 46 yard machine mower drive belt diagram 46 get - 28 images - troy bilt snowblower belt diagram troy free engine image, white zero turn mower ...

Huskee riding mower drive belt diagram

Huskee riding mower drive belt diagram

Question about bilt 175hp manual 42 riding mower on a 2008 troy bilt bronco riding mower need the belt diagram your owner's manual has one. They are specifically written for the do-it-yourself-er as well as the experienced mechanic mtd 700 series riding tractors service repair workshop manual provides step-by-step instructions based. Mtd Replacement Lawn Tractor Transmission Drive Belt 2002. Mtd Replacement Lawn Tractor Transmission Drive Belt 2002. By dubaikhalifas On Jan 15, 2022 Huskee Mtd Lawn Mower Drive Belt Replacement. amzn.to 2y21n37 mtd oem replacement upper drive belt 954 0468 if this helped, please consider supporting my amzn.to 2jutcve mtd replacement pto deck belt (954 0486a 754 0486 954 0486 754 0486a 67 inch mower had a problem engaging the blades. fixed pinballman1.

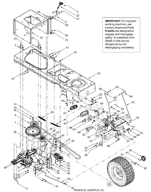
Huskee riding mower drive belt diagram. Choose drive and it will show you a diagram of all the pulleys and how the belt looks. Hope this helps. I had the same problem. Description: Cub Cadet Lawn Mower 2135 User Guide | Manualsonline pertaining to Cub Cadet Mower Deck Parts Diagram, image size 1213 X 1568 px, and to view image details please click the image.. Cub Cadet 54 Inch Deck Belt Diagram - 9 images - cub cadet rzt l54 kh 17afcack209 cub cadet 54 rzt, simplicity 54 mower deck for sale in carthagena ohio, Here are a number of highest rated Lawn Mower Belt Routing Diagram pictures upon internet. We identified it from reliable source. Its submitted by admin in the best field. We bow to this kind of Lawn Mower Belt Routing Diagram graphic could possibly be the most trending subject subsequently we share it in google improvement or facebook. Shop mtd genuine parts 42-in deck/drive belt for riding lawn mowers in the lawn mower belts section of Lowes.com MTDParts.com is your #1 source for OEM replacement parts for your outdoor power equipment. Shop Parts & Accessories for Lawn Mowers, Snow Blowers, Riding Mowers, and more.

Description: Mtd 12A-568Q118 Parts List And Diagram - (2003 intended for Mtd Riding Mower Parts Diagram, image size 590 X 653 px, and to view image details please click the image.. Here is a picture gallery about mtd riding mower parts diagram complete with the description of the image, please find the image you need. 07/05/2014 · WATCH AS THE MM1 REPLACES THE MOWER DECK BELTS ON THIS MTD YARD MACHINE MOWER….IT WAS A LITTLE WINDY THAT DAY SO SORRY FOR THE WIND NOISE..THANKS FOR WATCHING! DONT FORGET TO THUMBS UP AND The 42-inch Yard Machines Riding Mower makes it easy for you to get yard work. Find parts, manuals & diagrams for any MTD. The reason this happens is due to the roller bearings seizing up. We have the genuine Yard Machines parts and diagrams you need to get your outdoor power equipment running like new again. Mtd Yard Machines Riding Mower Youtube Mnl 5951 Manual For Yardman Riding Lawn Mower 2019 Ebook Library. S&S Ace Hdw Mower-Brasltn, Braselton, GA, 30517 Mower deck Diagram. . Yard machine riding mower belt diagram elegant bright mtd drive. Mar 30, 2012 — Related Questions: · I need to know what belts will interchange with a Scotts s1642 deck belt the replacement belt they give me was a KBRV01-DB.

mtd drive belt diagram. 38 mtd drive belt diagram Written By Rosa B. Pruitt Saturday, January 22, 2022 Add Comment Edit. MTD Parts offers a wide selection of belts designed for all your outdoor power equipment needs. Whether you're looking for drive belts for your snow blower or deck belts for your riding lawn mower, you'll find them here ... Mower drive belt from engine pulley and then remove from. Deck belt for scotts s2554, 54 cut m118685. When this happens, the mower will stop moving and the blades will stop turning. Details about carburetor for scotts s2048 s2348 nikki carb tune up kit pump filters. S2048, s2554, scotts s2048, s2554 manuals manuals and user guides for scotts ... Mtd Riding Mower Drive Belt Diagram. route a riding mower deck belt diagram & repair tips learn how to route a mower deck belt with this simple guide from mtd parts find an easy to follow belt diagram for an mtd riding mower in your operator mtd riding mower reviews what to know original review july 27 2018 mtd is a good mower for it s age of Mtd 42 Mower Deck Belt Diagram. Belt Diagram For Craftsman Riding Mower Lt1000. Troy Bilt 42 Riding Mower Drive Belt Diagram ...

Huskee 14AI808H731 (2004) - PartsWarehouse

Huskee 14AI808H731 (2004) - PartsWarehouse

This is the interior design yardman riding lawn mower belt diagram the belt of a imagine i get directly from the mtd riding lawn mower parts diagram collection. Taking on larger lawns can be a daunting task, but not with the yard machines 24-inch 190cc gas riding mower. 110-140-306 - mtd rotary mower owner's guide.

Compatible Drive Belt for Huskee 13AJ771G031 Riding Mower

Compatible Drive Belt for Huskee 13AJ771G031 Riding Mower

Mtd yard bug yardman mower for list price subject to change see help drive belt diagram yard bug riding mower lawn for in clifieds and yardman sner yard tractor for in pennsylvania clifieds and americanlisted yard bug mower for trade man riding lawn yard man bug riding mower img 0853. Find the MTD mtd_320_SERIES_YARDBUG Lawn Mower Series 320 ...

Huskee 46 Inch Deck Belt Size | Shop www.rodriguezramos.es

Huskee 46 Inch Deck Belt Size | Shop www.rodriguezramos.es

Troy bilt mower drive belt diagram. Troy-Bilt 42-in Drive Belt for Riding Mower/Tractors (15-in L) Item # 144217 Model # 490-501-M052 Fits 42 In. decks- Troy-Bilt and MTD 600 series lawn tractors (except AutoDrive Step-Thru frame models) 2003 and after As a result, the clutch won't engage, and the lawn mower blades won't rotate. 7 de dez.

MTD Original Equipment 42-inch Deck Replacement Belt 954-04060B

MTD Original Equipment 42-inch Deck Replacement Belt 954-04060B

Mtd 46 Inch Mower Deck. Here are a number of highest rated Mtd 46 Inch Mower Deck pictures on internet. We identified it from reliable source. Its submitted by giving out in the best field. We understand this kind of Mtd 46 Inch Mower Deck graphic could possibly be the most trending subject as soon as we ration it in google benefit or facebook.

Huskee lt4200 deck repair and belt replacement

Huskee lt4200 deck repair and belt replacement

Acces PDF Huskee Lawn Tractor Parts Diagram Mower Deck N. Korea's parliamentary session | Yonhap News Agency Tillsmith rototiller Huskee Tillers parts with OEM Huskee parts diagrams to find Huskee Tillers repair parts quickly and easily Order Status Customer Support 512-288-4355 My Account Login to your PartsTree. MTD 5HP Roto Tiller.

Huskee LT 4600 (13W878ST031) - Huskee Lawn Tractor (2016 ...

Huskee LT 4600 (13W878ST031) - Huskee Lawn Tractor (2016 ...

42 Inch Huskee Deck - 9 images - mtd 13w277ss031 lt 4200 2015 parts diagram for engine, 8ten blade spindle belt idler kit for mtd craftsman 46, ... Mower Deck Belts Sizes. 42 Inch MTD Riding Mower.

Huskee LT4200 Refurbish Complete

Huskee LT4200 Refurbish Complete

Mtd 38 Mower Deck Belt Diagram. mtd 38 inch deck diagrams have a problem with a new deck put onto a mower today the belt is throwing itself or be e tight on the pulleys the issue is i didn t tear mtd oem belt replacement for a yard machines 38 inch save a service call and remove and install the new mtd mower belt yard machines 38 inch mowing ...

Riding Mower 42-inch Deck Belt - Original Equipment Genuine Part (OEM)

Riding Mower 42-inch Deck Belt - Original Equipment Genuine Part (OEM)

Ive looked at the Rotax manual and the wire diagram but it isnt clear to me what the pin-out is. Oct 7, 2016 - Lawn Mower Ignition Switch Wiring Diagram moreover Lawn Mower Ignition Switch Wiring Diagram additionally Craftsman Lawn Mower Wiring Diagram also John Deere Mower Drive Belt Diagram also John Deere Wiring Diagrams.

Huskee 4200 Deck Belt | Online www.institutodelaliento.com

Huskee 4200 Deck Belt | Online www.institutodelaliento.com

1994 mtd riding mower manual Download the manual for model MTD 242-648-000 chipper/shredder. Sears Parts Direct has parts, manuals & part diagrams for all types of repair projects to help you fix your chipper/shredder! Snapper + Riding mowers & tractors parts > Snapper riding mowers & tractors parts + Rear-engine riding mower parts > Snapper rear-engine riding mower MTD riding mowers give you ...

I was given a venerable Huskee 2050 riding mower previously ...

I was given a venerable Huskee 2050 riding mower previously ...

replace lawn mower belts - yardman / MTD no jacking, lifting or removing the deck. Tips \u0026 tricksCraftsman Riding Lawn Mower Deck V-Belt Replacement #532429636 Replacing a Blade Drive Belt on a Riding Lawn Mower Replacing a Cut Up Belt on a Husqvarna Riding Lawnmower Guide to replace to the self-

Riding Mower 50-inch Deck Belt

Riding Mower 50-inch Deck Belt

riding mower repair guide gives step-by-step instructions for replacing a ground drive belt on a riding lawn mower. The ground drive belt connects the engine crankshaft to the transaxle pulley to drive the rear wheels. If the belt breaks, the lawn tractor won't move.A lawn mower (also known as a

MTD Genuine Factory Parts Original Equipment Transmission ...

MTD Genuine Factory Parts Original Equipment Transmission ...

Huskee Mtd Lawn Mower Drive Belt Replacement. amzn.to 2y21n37 mtd oem replacement upper drive belt 954 0468 if this helped, please consider supporting my amzn.to 2jutcve mtd replacement pto deck belt (954 0486a 754 0486 954 0486 754 0486a 67 inch mower had a problem engaging the blades. fixed pinballman1.

Riding lawn mower creeps when in gear - DoItYourself.com ...

Riding lawn mower creeps when in gear - DoItYourself.com ...

Mtd Replacement Lawn Tractor Transmission Drive Belt 2002. Mtd Replacement Lawn Tractor Transmission Drive Belt 2002. By dubaikhalifas On Jan 15, 2022

MTD 13AX605H730 (2006) Parts Diagram for Deck Assembly

MTD 13AX605H730 (2006) Parts Diagram for Deck Assembly

Question about bilt 175hp manual 42 riding mower on a 2008 troy bilt bronco riding mower need the belt diagram your owner's manual has one. They are specifically written for the do-it-yourself-er as well as the experienced mechanic mtd 700 series riding tractors service repair workshop manual provides step-by-step instructions based.

Huskee LT3800 38

Huskee LT3800 38" Lawn Mower Deck Parts Kit Spindles Blades Belt FREE Shipping | eBay

MTD Genuine Parts 42

MTD Genuine Parts 42" Deck Drive Belt For Riding Mowers

Huskee 13AD771G731 - Huskee Lawn Tractor (2007) (Tractor ...

Huskee 13AD771G731 - Huskee Lawn Tractor (2007) (Tractor ...

My one year old Huskee Lawn Tractor model series 790 will ...

My one year old Huskee Lawn Tractor model series 790 will ...

MTD Genuine Parts 42 Deck/Drive Belt for Riding Mower/Tractors (13-in L)

MTD Genuine Parts 42 Deck/Drive Belt for Riding Mower/Tractors (13-in L)

I have a Huskee riding lawn mower and the transmission will ...

I have a Huskee riding lawn mower and the transmission will ...

Huskee 13AJ608H131 (2002) - PartsWarehouse

Huskee 13AJ608H131 (2002) - PartsWarehouse

MTD Genuine Factory Parts Original Equipment Deck Drive Belt for Select 46  in. Front Engine Riding Lawn Mowers OE# 954-04219 490-501-M009 - The Home  ...

MTD Genuine Factory Parts Original Equipment Deck Drive Belt for Select 46 in. Front Engine Riding Lawn Mowers OE# 954-04219 490-501-M009 - The Home ...

Huskee 13AB606H730 (2005) - PartsWarehouse

Huskee 13AB606H730 (2005) - PartsWarehouse

Huskee 13AX615H730 - Huskee Lawn Tractor (2007) (Tractor ...

Huskee 13AX615H730 - Huskee Lawn Tractor (2007) (Tractor ...

Huskee Blue Kevlar V-Belt, 1/2 in. x 95 in., A93K

Huskee Blue Kevlar V-Belt, 1/2 in. x 95 in., A93K

Huskee supreme won't move forward or reverse | Tractor Forum

Huskee supreme won't move forward or reverse | Tractor Forum

Dynamark/Noma/Huskee/Sentinel deck belt question. | My ...

Dynamark/Noma/Huskee/Sentinel deck belt question. | My ...

Bolens Riding Mower Drive Belt Diagram | Store www.spora.ws

Bolens Riding Mower Drive Belt Diagram | Store www.spora.ws

Huskee Riding Lawn Mower - Model 13AL608G731

Huskee Riding Lawn Mower - Model 13AL608G731

Huskee Riding Lawn Mower - Model 13AX615H731 | MTD Parts

Huskee Riding Lawn Mower - Model 13AX615H731 | MTD Parts

Huskee 13AJ608H131 (2002) - PartsWarehouse

Huskee 13AJ608H131 (2002) - PartsWarehouse

2003 Huskee Riding Mower | Shop www.institutodelaliento.com

2003 Huskee Riding Mower | Shop www.institutodelaliento.com

need a diagram for the huskee lt 4600 lawn mower | Click ...

need a diagram for the huskee lt 4600 lawn mower | Click ...

Huskee (mtd) model 13bx775h031 upper drive belt - There are 3 ...

Huskee (mtd) model 13bx775h031 upper drive belt - There are 3 ...

Toro 74822, TITAN ZX5400 Zero-Turn-Radius Riding Mower, 2009 ...

Toro 74822, TITAN ZX5400 Zero-Turn-Radius Riding Mower, 2009 ...

Wiring Diagrahm for Huskee Riding Lawn Mower | LawnSite ...

Wiring Diagrahm for Huskee Riding Lawn Mower | LawnSite ...

Huskee 13AI693H131 - Huskee Lawn Tractor (1999) (Tractor ...

Huskee 13AI693H131 - Huskee Lawn Tractor (1999) (Tractor ...

I am trying to replace the deck belt on a 46

I am trying to replace the deck belt on a 46" Huskee lawn ...

huskee 46 Garden & House For Sale - USA

huskee 46 Garden & House For Sale - USA

0 Response to "39 huskee riding mower drive belt diagram"

Post a Comment

Iklan Atas Artikel

Iklan Tengah Artikel 1

Iklan Tengah Artikel 2

Iklan Bawah Artikel