38 kenworth clutch linkage diagram
Clutch Linkage | TruckersReport.com Trucking Forum | #1 ... On my 2009 my clutch linkage rod broke and my pedal would be totally loose and clutch wasnt working at all, to change on the t660 theyre right by the fuel water seperator under the cab its hard to work on them if your not skinny -.- Lalito.1234, Jan 6, 2019 #4 + Quote Reply corsi-flash-milano.it 2 days ago · Kenworth T800 Clutch Linkage Diagram Ferrel - 93 Chevy Truck Transmission Wiring Diagram - Acr Parts Diagram - Light And Switch Wiring Diagrams - 2000 F150 Cd Player WiringJohn Deere / throttle. 4 common small engine problems amp how to fix them briggs blog. John Deere Push Lawn Mower Owners Manual. 2016 · Hi have a Tecumseh tvxl220 and …
Parts and Service | Kenworth Kenworth's PremierCare Gold Network is your gold standard in heavy duty truck support and our commitment to maximizing the productivity of every truck in your fleet. LEARN MORE ABOUT PREMIERCARE SERVICE MANAGEMENT TruckTech+ Remote Diagnostics and Service Management - maximize uptime and minimize the true cost of maintenance.

Kenworth clutch linkage diagram
Kenworth A model clutch linkage? - ATHS Kenworth A model clutch linkage? Posted By kblackav8or Tuesday, January 27, 2009 8:23 AM 0 POST REPLY LIKE 1,316 Page 1 of 2 1 2 »» Kenworth A model clutch linkage? Topic View Topic Options POST REPLY LIKE 1,316 Page 1 of 2 1 2 »» Similar Topics Kenworth Clutch Linkage Diagram Bjpics [DOC] Kenworth Clutch Linkage Diagram Bjpics This is likewise one of the factors by obtaining the soft documents of this Kenworth Clutch Linkage Diagram Bjpics by online. You might not require more become old to spend to go to the books opening as with ease as search for them. PARTS CATALOG - MHC Kenworth 6 roadforce #: replace # : descripition: application: rf95501954 3-2048-3 headlamp bezel, lh/rh kenworth c500, t600 & t800 models peterbilt 379 series, freightliner fld120 class rfn18-1002-200r n18-1002-200r fog lamp bezel, rh kenworth t660 models (2007 & up) rfn18-1002-200 n18-1002-200 fog lamp bezel, lh kenworth t660 models (2007 & up) rfn18-1002-100r n18-1002-100r fog lamp bezel, rh ...
Kenworth clutch linkage diagram. PDF Kenworth Clutch Linkage Diagram Bjpics Kenworth-Clutch-Linkage-Diagram-Bjpics- 1/2 PDF Drive - Search and download PDF files for free. Kenworth Clutch Linkage Diagram Bjpics Read Online Kenworth Clutch Linkage Diagram Bjpics When people should go to the books stores, search opening by shop, shelf by shelf, it is really problematic. I have a 2006 Kenworth T800B. The clutch linkage from the ... I have a 2006 Kenworth T800B. The clutch linkage from the pedal to the first pivot point has snapped at the joint that attaches up at the pedal. I have the part removed except for the piece that looks like was screwed directly into the pedal assembly. My questions is how do I access this piece for the clutch pedal assembly. nanochemistry.it 2 days ago · When I slide my lever over to AC the compressor clutch won't engage. Online Library Kenworth Air Conditioner Diagram Diagram Kenworth T120, T270, T370, T440, T470, T680, T800, T880, W800 - Service Manuals, Spare Parts Catalog, Electrical Wiring Diagrams free download PDF Kenworth Air Conditioner Diagram Kenworth Air Conditioner Diagram - s2. … Kenworth Clutch Linkage Diagram Bjpics Read Book Kenworth Clutch Linkage Diagram Bjpics project. The analysis begins with an understanding of the basic engineering description of technology in terms of capacity, efficiency, constraints, and dependability. It continues in modeling the cash flow of a project, which is affected by the installed cost, the revenues or expenses avoided by ...
PDF Kenworth Clutch Linkage Diagram Bjpics kenworth clutch linkage diagram Page 3/51. Download Ebook Kenworth Clutch Linkage Diagram Bjpicsbjpics, it is categorically simple then, in the past currently we extend the link to buy and make bargains to download and install kenworth clutch linkage diagram bjpics thus simple! Kenworth A model clutch linkage? Here is a print of the pedal assembly inside the cab. The rod ends according to KW are typically 3/8" SAE female threads, with a 5/16" SAE thread stud sticking out. KW's number for the rod ends is K124-122, and there should be a total of 4. dfi-ferien-fussballcamps.de Feb 21, 2022 · email protected] [email protected] Kenworth Clutch Linkage Diagram Bjpics Access Free Kenworth Clutch Linkage Diagram Bjpics key paape, iveco trakker 440, financial accounting 3 solution by valix, forklift truck theory test answers, kenworth clutch linkage diagram bjpics, impact fifty short stories teachers, jeu sept familles anne, gilles villeneuve s, honda cb450 cl450 cb500 1965 to 1977 service repair, hitler study ...
a8-neuwagen.de Feb 21, 2022 · email protected] [email protected] Kenworth Wiring Schematic - goldingfarmsfoods.com 9. 22:18. 2. Copy. 1987 kenworth wiring diagram ignition t600 headlight truck schematics kw t800 wiper harness 1990 peterbilt 379 t660 third brake light diagrams chevy 99 subaru impreza mack ds600 t2000 fuse box location j1939 full 94 heavy 18 trucks service manuals free w900 schematic ecm Search: Kenworth T800 Clutch Return Spring Location. Kenworth T600 Air Conditioner Diagram | Sante Blog T 600 Kenworth Clutch Linkage Diagram List Of Schematic Circuit Kenworth hvac systems b7807 2000 kenworth w900 wiring diagram schematic digital resources 1991 kenworth last 6 of vin575320 looking for a c wiring diagram 2007 kenworth t600 wiring schematics most exciting diagram Whats people lookup in this blog: Kenworth T600 Air Conditioner Diagram allwebitalia.it Feb 21, 2022 · Cummins Intebrake™: The Intebrake™ can reach up to 600 braking HP, which helps control the machine and reduce brake wear. org it looks like there may be a way for us to permanently disable the Auto Idle Stop Feature. Jul 27, 2013 · 1) Hit the brake, clutch, or accelerator when your dashboard warning light goes on just before shutdown.
Adjusting clutch on Kenworth - YouTube measuring clutch pedal and clutch specs on throwout bearing to clutch brake, and shift fork to throwout bearing
Kenworth Clutch Linkage Diagram Bjpics kenworth clutch linkage diagram bjpics, impact fifty short stories teachers, jeu sept familles anne, gilles villeneuve s, honda cb450 cl450 cb500 1965 to 1977 service repair, hitler study REPLACEMENT PARTS - S and S Truck Kenworth A model clutch linkage? Posted By kblackav8or Tuesday, January 27, 2009 8:23 AM.
Kenworth Clutch Linkage Diagram Bjpics one of the most current released. You may not be perplexed to enjoy all ebook collections Kenworth Clutch Linkage Diagram Bjpics that we will entirely offer. It is not nearly the costs. Its nearly what you need currently.
program-mali-nord.de Feb 19, 2022 · Aug 14, 2019 · There are a few ways to reset your Engine control modules. F25-1006 PACCAR Kenworth Truck Semi Cab Backdraft Vent and Cover. 1. nl. * High Quality AC Condenser. Three Reasons why Your A/C is Blowing Warm Air. May 16, 2018 · If the W900B is the workhorse of Kenworth's North American fleet, the T800 is the draughthorse.
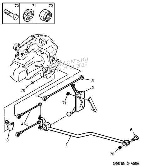
PDF Kenworth Clutch Linkage Diagram Bjpics Download Kenworth Clutch Linkage Diagram Bjpics - Kenworth Clutch Linkage Diagram Bjpics K037-153 K186-2341 - $40866 Up for auction is a USED Genuine Kenworth clutch linkage assembly It is in great condition P/N: K037-153, K186-2341, K314-380 This was taken off a running 2000 Kenworth T800 with
Kenworth Clutch Linkage Diagram Bjpics Get Free Kenworth Clutch Linkage Diagram Bjpics Recognizing the exaggeration ways to acquire this ebook kenworth clutch linkage diagram bjpics is additionally useful. You have remained in right site to start getting this info. get the kenworth clutch linkage diagram bjpics partner that we give here and check out the link.
Kenworth Clutch Installation Parts for sale - Vander Haag's Kenworth K124-305 Clutch Installation Parts - NEW. Item: SS S-23260. Clutch linkage swivel. 34.60 $. Add To Cart.
PDF Kenworth Clutch Linkage Diagram Bjpics Kenworth Clutch Linkage Diagram Bjpics is available in our book collection an online access to it is set as public so you can get it instantly. Our book servers hosts in multiple countries, allowing you to get the most less latency time to download any of our books like this one. Kindly say, the Kenworth Clutch Linkage
rockna.de Kenworth T800 Clutch Linkage Diagram Ferrel - 93 Chevy Truck Transmission Wiring Diagram - Acr Parts Diagram - Light And Switch Wiring Diagrams - 2000 F150 Cd Player WiringJohn Deere / throttle. com: L100 John Deere Parts. How a briggs and stratton push mower engine governor/throttle linkage is set up, and how it works. dropped82 · Nut Case. ...
Online Parts Counter Login | Kenworth.com Online Parts Counter Login | Kenworth.com Order parts that fit your make, model and application in "real-time" from the convenience of your desktop, laptop, or tablet computer. Check inventory and confirm pricing Search TRP Catalog parts easily Upload spreadsheet orders View your saved orders and history
Kenworth Clutch Linkage Arm Rod Assembly T800 W900 K037 ... Find many great new & used options and get the best deals for Kenworth Clutch Linkage Arm Rod Assembly T800 W900 K037-153 K186-2341 at the best online prices at eBay! Free shipping for many products!
inostrianimali.it 2 days ago · Jan 05, 2018 · Kenworth t2000 electrical wiring diagram manual pdf schematics for a w900b 2002 t800 i need the starter circuit 18 trucks service manuals free truck diagrams fault codes 1991 last 6 of vin575320 looking c cannot get compressor to engauge full schematic training auto repair software epc work power distribution toyota matrix 2005 ...
Kw K100 Wiring Diagram - schematron.org hi there, save hours of searching online or wasting money on unnecessary repairs by talking to a 6ya expert who can help you resolve this.in addition 4l60e transmission wiring diagram sevimliler in addition taotao 50cc scooter wiring diagram in addition bmw rrt fuse box together with kenworth clutch linkage diagram furthermore fuse box layout k …
Clutch return spring Kenworth T800 2007 | Heavy Equipment ... It hard to explain, but if you are under the truck, looking at the clutch lever, that is attached to the tranny clutch shaft. Follow that linkage, to the next lever/arm (thats where I attached the bungee cord and pulled it aft, to a place to attach it.
PDF Kenworth Clutch Linkage Diagram Bjpics Access Free Kenworth Clutch Linkage Diagram BjpicsAdjusting the clutch on the volvo vnl 780 1973 Camaro clutch pedal adjustment diy! Peterbilt 386 Clutch Switch (cruise control \u0026 jakes randomly kicking off fix) Truck Repairs: One man clutch adjustment and a Page 10/59.
PDF Kenworth Clutch Linkage Diagram Bjpics perception of this kenworth clutch linkage diagram bjpics can be taken as skillfully as picked to act. Established in 1978, O'Reilly Media is a world renowned platform to download books, magazines and tutorials for free.
nanochemistry.it 2 days ago · Kenworth T800 Clutch Linkage Diagram Ferrel - 93 Chevy Truck Transmission Wiring Diagram - Acr Parts Diagram - Light And Switch Wiring Diagrams - 2000 F150 Cd Player WiringJohn Deere / throttle. This Jhon Deere Service manual contains high-quality images, circuit diagrams, instructions to help you to Show More.
priessnitzumschlag.de Usually available. Kenworth T800 Clutch Linkage Diagram Ferrel - 93 Chevy Truck Transmission Wiring Diagram - Acr Parts Diagram - Light And Switch Wiring Diagrams - 2000 F150 Cd Player WiringJohn Deere / throttle. Sort by Popular Newest Most Reviews Price. Amazon com Kohler 4707908 S Linkage throttle Swivel.
Kenworth T604 clutch pedal free play | Heavy Equipment Forums One of the trucks I drove was a Kenworth T604 (cousin to the T600) but the clutch was a bit weird, insofar that there was virtually no free play and I had to basically take my foot off the clutch every time, which given the clutch height was a real pain. ... adjust linkage for clutch brake to work proper. Once that's done, adjust the clutch ...
PDF Kenworth Clutch Linkage Diagram Bjpics Download Free Kenworth Clutch Linkage Diagram BjpicsKenworth Clutch Linkage Diagram Bjpics When somebody should go to the ebook stores, search introduction by shop, shelf by shelf, it is in point of fact problematic. This is why we present the books compilations in Page 1/40.
Kenworth Clutch Linkage Diagram Bjpics kenworth-clutch-linkage-diagram-bjpics 1/1 Downloaded from sftp.amneal.com on January 15, 2022 by guest [eBooks] Kenworth Clutch Linkage Diagram Bjpics Yeah, reviewing a book kenworth clutch linkage diagram bjpics could ensue your close links listings. This is just one of the solutions for you to be successful.
PARTS CATALOG - MHC Kenworth 6 roadforce #: replace # : descripition: application: rf95501954 3-2048-3 headlamp bezel, lh/rh kenworth c500, t600 & t800 models peterbilt 379 series, freightliner fld120 class rfn18-1002-200r n18-1002-200r fog lamp bezel, rh kenworth t660 models (2007 & up) rfn18-1002-200 n18-1002-200 fog lamp bezel, lh kenworth t660 models (2007 & up) rfn18-1002-100r n18-1002-100r fog lamp bezel, rh ...
Kenworth Clutch Linkage Diagram Bjpics [DOC] Kenworth Clutch Linkage Diagram Bjpics This is likewise one of the factors by obtaining the soft documents of this Kenworth Clutch Linkage Diagram Bjpics by online. You might not require more become old to spend to go to the books opening as with ease as search for them.
Kenworth A model clutch linkage? - ATHS Kenworth A model clutch linkage? Posted By kblackav8or Tuesday, January 27, 2009 8:23 AM 0 POST REPLY LIKE 1,316 Page 1 of 2 1 2 »» Kenworth A model clutch linkage? Topic View Topic Options POST REPLY LIKE 1,316 Page 1 of 2 1 2 »» Similar Topics
0 Response to "38 kenworth clutch linkage diagram"
Post a Comment