42 john deere 175 hydro drive belt diagram
Husqvarna Z242f 18 Hp V Twin Dual Hydrostatic 42 In Zero Turn Lawn Mower With Mulching Capability Kit Sold Separately The Riding Mowers Department At Lowes Com. Husqvarna 42 In Deck Belt For Riding Mower Tractors 1 2 W X 101 4 L The Lawn Belts Department At Lowes Com. Husqvarna Manual Deck 42 Inchhp E Gwb Fr 917400833 Genuine Lawn Mower Parts. John Deere is a renowned name among people who know of agriculture, fishery, construction, etc. manufacturers. You choose the John Deere hydrostatic transmission machinery for its high power-acceleration rate and dynamic abilities. You pay a premium price for a premium product. Hence, you expect quality performance.
How to Fix the Idler Spring on a Zero-Turn Mower. An idler pulley, idler arm and idler arm spring put tension on the mower deck drive belt of a zero-turn riding lawnmower. That drive belt spins ...

John deere 175 hydro drive belt diagram
Original price. $3,400 (1990 ) Variants. 170. gear drive. 175. hydro drive. John Deere 175 Engine. 14HP Kawasaki 422cc 1-cyl gasoline. John Deere Parts Lookup -John Deere-175 Lawn Tractor Hydrostatic -PC10391. ... BELT DRIVE & IDLERS: Power Train AM121302. 175 Lawn Tractor Hydrostatic - ... 07.06.2009 ... I know the belt is not on right because of places it is rubbing on something under there. Would love a diagram showing the belt routing to ...
John deere 175 hydro drive belt diagram. 14 items ... 2 Spindles Pulley Assembly Set 38" Deck John Deere AM108925 170 175 Hydro LX176 ... JOHN DEERE Genuine Traction Drive Belt M118760 STX38 STX46 Hydro ... 15.04.2015 ... It looks like the lawn tractor has been turned on it's left side in this referenced link to replace the belt. Small Engine, Lawn Mower, ... Part #: R544384. John Deere R544384. John Deere R123306. John Deere R123445. John Deere T195187. John Deere T227384. This Is An OEM Item. This does not make it fake, or a Chinese knockoff, or USED. This John Deere Lawn and Garden Tractor service manual is the same service manual used by professional John Deere technicians. All pages are printable, so run off what you need take it with you into the garage or workshop. · Original price. $3, Variants. gear drive. hydro drive. John Deere Engine. 14HP Kawasaki cc 1-cyl gasoline. View and ...
John Deere 175 (Belt, Drive) Riding Lawn Mower Replacement Belt Original Equipment Manufacturer John Deere OEM Part Number A77K Machine Riding Lawn Mower ... John Deere X300 Drive Belt Diagram. John Deere L120 Snowblower Belt Diagram. John Deere D130 Deck Belt Diagram. John Deere L110 42 Deck Belt Diagram. John Deere L130 Deck Belt Diagram. John Deere La120 Automatic Belt Diagram. Leave a Reply Cancel reply. Your email address will not be published. Required fields are marked * John Deere Lawn Tractors 100 Series published in 1989 Operator's Manual 170, 175, 180 and 185 (OMM78999) published in 1988, by John Deere Lawn & Garden Equipment published in 1990, by John Deere 160 - 165 Lawn Tractors. John Deere. 175 Lawn Tractors. John Deere, STX Series, Scotts Series. *STX30 Lawn Tractor * Used on Yellow Deck Units. John Deere, STX Series, Scotts Series. *STX38 Lawn Tractor * Used on Yellow Deck Units. John Deere, STX Series, Scotts Series. LX172 - LX173 - LX176.
John Deere D100 Manual.pdf - Free download Ebook, Handbook, Textbook, User Guide PDF files on the internet quickly and easily. John Deere D160 Parts. The John Deere D160 was produced from 2011 to current and came equipped with a hydrostatic drive transmission, 48″ Mower Deck and 24hp Briggs Engine. John deere lx172 drive belt diagram. The drive belt size for a john deere lx172 is 65 by 12 inch. The tractor drives without the mower deck. I have a scotts riding mower made by john deers i need a diagram of how the deck belt goes on its a 17hp 42 cut scotts Page 4/8 Garden V belt replacement for reserve in Tractors Riding Mowers and Snowblowers. Husqvarna yta22v46 diagram. The hoof belt routing diagram for a John Deere GT275 GT 275 riding mower. Step 7 Take my belt course How to extend Belt Replacement in addition Cub Cadet 1000. John Deere 10 Riding Mower selling for local owner runs and drives well. Hey all - I'll start by saying I am not a tech of any kind - but, after researching it I can confidently say the belt drive guide (the sort of "w" shaped piece) fell/broke off of my mower last night and I believe its still fine, just need to bolt it back on, but I'm having trouble finding a video/diagram to figure out exactly where it goes. Another issue is the mower wants to die while mowing unless the throttle is constantly adjusted but runs fine while idling. Thanks!
Cutter Belt Fits Some Husqvarna Yth150 Jonsered Ayp 42 Inch Replaces Oem 532180215 532 18 02 15. Genuine Ayp Husqvarna Rally Craftsman 42 Side Discharge Deck S New Cable Type 5321760 27. Husqvarna Yth20f42t Lawn Tractor Partswarehouse. Replacement Husqvarna Mower Belts Page 2.
switching from mulching to bagging during lawn renovation but my mulching Gator blades aren't best suited for this. any suggestions? looking for good value, durability and design. I'll keep them sharp with a handheld grinder.
John Deere lawn mower belt diagram. Better yet, print one out so that the graph can assist you while you're outside, repairing the belt. It's comparatively easier to take the mowing deck off the lawnmower. First up, you must check for a deckle and a sticker on top of the deck.
Anybody have experience cutting with this?? Have just under an acre lot and thinking I would prefer an older model. Total rookie all advice appreciated!
John Deere 54" 7-Iron Deck Spindle Drive Sheave - TCU26966. In Stock. $57.82. $57.82. 19. AUC16478. John Deere Idler Pulley - AUC16478. In Stock.
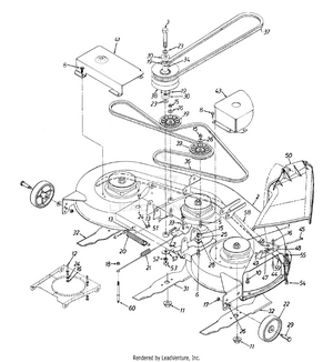
John Deere 175 Hydro - Drive Belt Routing Diagram ... I looked on the internet, but I couldn't find a diagram. I went to the John Deere dealer, ...

GX20006 Transmission Drive Belt Replacement for John Deere D130 100 Series Tractor - PC10444 - Compatible with Deck Belt
First, remove mower deck (#1). It is not necessary to remove the electric PTO clutch. John Deere 165, 175, 185 Hydro drive belt - First idler, near engine ...
Jun 18, 2016 - Installation, Repair and Replacement of John Deere 165, 175 and 185 Hydro Lawn Tractor Drive Belt.
So today I was cutting my lawn and i'd completely forgotten to check the oil and the mower died on me, then I checked the oil and found it was low and saw some white smoke coming out of the hole where you put in the oil. The engine hasn't completely seized yet, it still tries to start when I turn the key, it just won't turn over. So i'm wondering if I should just wait for a little while for the engine to cool down, put some oil in and try and start it up again?
by John Deere dealers direct from the John Deere ... A John Deere ILLUSTRUCTION™ Manual ... •Sunstrand hydrostatic transmission repair and adjustment.
04.05.2016 ... Thanks for the input. I had a good day. Completed the belt replacement in 1 hour and I had my stihl fs55r repaired for $36 while I waited. Its ...
You are watching: John deere 175 hydro drive belt. It looks choose the lawn tractor has been rotate on it"s left next in this referenced link to replace the belt.Small Engine, Lawn Mower, Snowthrower Troubleshooting, Repairs and SafetyTo execute this, carry out we have to:remove every gas indigenous the tankremove every engine oilremove every ...
John Deere L120 Belt Diagram 48 Inch. John Deere L120 Belt Routing Diagram. John Deere L120 Snowblower Belt Diagram. John Deere L120 Transmission Drive Belt Diagram. John Deere L130 Deck Belt Diagram. John Deere D130 Deck Belt Diagram. John Deere L110 42 Deck Belt Diagram. John Deere D130 42 Inch Deck Belt Diagram.
John Deere Upper Hood With LH & RH Decal GT245, GT225, GT235 UP S/N. 1 . John Deere Upper Hood With LH & RH Decal 325, 335, 345, 355D ... the front page of the internet. Become a Redditor. and join one of thousands of communities. ×. 0. 1. 2. John Deere Hydro Traction Drive Belt X360, X370, X380, X384, X390, X584 (kumarbrosusa.com) submitted 2 ...
equipped with a 0.6 L single-cylinder gasoline engine and hydrostatic transmission with infinite forward and reverse gears. John Deere Lawn and Garden Tractors - Specs, Problems Lawn Tractor Ground Drive Belt, 5/16 X 98-1/2-in 592855001 parts
Middlebury, Indiana 46540. Phone: (574) 633-3206. View Details. Email Seller Video Chat. John Deere Lawnmower LX176, hydrostatic drive, 38" mowing deck, no hood, 14 hp engine, hours unknown, works great. Get Shipping Quotes Apply for Financing.
No matter how well you maintain your John Deere riding mower, the belts are going to wear. If you don't replace them soon enough, they'll simply break. Not to worry - changing belts on your mower isn't rocket science, and you'll only need a few simple tools.
John Deere tractor aftermarket Hydro Traction Drive Belt Engine to Transmission fit model number LT180, LT190 and also suitable for OEM part no M144044.. [https://www.kumarbrosusa.com/product/new-hydro-traction-drive-belt-engine-to-transmission-fits-john-deere-lt180-lt190/](https://www.kumarbrosusa.com/product/new-hydro-traction-drive-belt-engine-to-transmission-fits-john-deere-lt180-lt190/)
21.11.2019 ... These Breakdowns usually have a Good View of the Belt Routing. Please, Do Not Hesitate, If I Missed Something or you Hit a Snag or this Does Not Correct the ...
07.06.2009 ... I know the belt is not on right because of places it is rubbing on something under there. Would love a diagram showing the belt routing to ...
John Deere Parts Lookup -John Deere-175 Lawn Tractor Hydrostatic -PC10391. ... BELT DRIVE & IDLERS: Power Train AM121302. 175 Lawn Tractor Hydrostatic - ...
Original price. $3,400 (1990 ) Variants. 170. gear drive. 175. hydro drive. John Deere 175 Engine. 14HP Kawasaki 422cc 1-cyl gasoline.
0 Response to "42 john deere 175 hydro drive belt diagram"
Post a Comment