40 troy bilt bronco riding mower wiring diagram
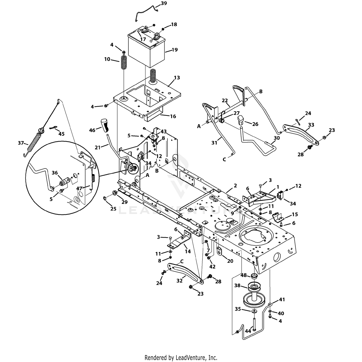
Troy Bilt 13YX78KS011 Bronco (2013) Exploded View parts lookup by model. Complete exploded views of all the major manufacturers. It is EASY and FREE Troy-Bilt Bronco riding lawn mower repair
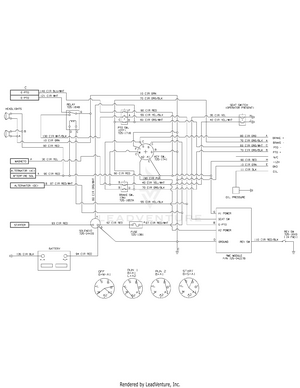
I need a wiring diagram for a TroyBilt mod.#13ATG riding mower Super Bronco riding lawn tractor - Garden question. Troy Bilt 13AKS Super Bronco Wiring Schematic Exploded View parts lookup by model. Complete exploded views of all the major manufacturers. Displaying Wiring Schematic parts for the Troy-Bilt 13WX78KS - Troy-Bilt Bronco Lawn Tractor ().

Troy bilt bronco riding mower wiring diagram
Troy Bilt 13WX78KS Bronco () Drive & Transmission Parts Diagram . PLUG DECK HOLE 7/8 $ 36 A Upper Drive Belt. Troy Bilt 13WX78KS Bronco () Mower Deck Inch Exploded View parts lookup by model. Complete exploded views of all the major manufacturers. This is how you remove and change the deck belt on your Troy-Bilt riding lawn mower. 11-08-2017 · Wiring Diagram For Throttle Sensor Wiring Diagram Online F95f40 Gm Throttle Position Sensor Wiring Wiring Resources 71831 Ford Tps Sensor Wiring Digital Resources Mjlj V4 Vehicle Installation Guide Autosport Labs I Have A P2127 Code Throttle Pedal Position Sensor Switch E ... Total: $1,974.00. Yard work shouldn't feel like a chore, and with the Troy-Bilt Bronco 42 you'll tackle your yard with ease. A rugged and reliable 42-in. steel deck was engineered to work with a step-through frame that provides more space to allow for easier on and off access. A 540cc Briggs & Stratton engine delivers reliable starting and ...
Troy bilt bronco riding mower wiring diagram. tipped pcd inserts in 80 degree diamond shape C for hard turning non-ferrous metals of aluminum, the pcd insert cutting edges are made with polycrystalline diamond, indexable inserts with pcd working tips are precision cutting tools, which are used in cnc super fine finish machining, turning and milling automobile engine block, cylinder head, gearbox, cast aluminum alloy with silicon … Troy Bilt 13WX78KS Bronco Mower Deck Inch Exploded View parts lookup by model. Troy bilt 13wv78ks011 drive belt diagram. Troy Bilt 13WV78KS011 Bronco 2015 Parts Diagrams. This is how you remove and change the deck belt on your Troy-Bilt riding lawn mower. Troy Bilt 13WX78KS011 Bronco 2011 Drive Transmission Parts Diagram. I have a troy-bilt bronco 20 hp kohler engine, was. The fuse block location may vary with the age and style of the mower, but is generally located along the wiring harness between the battery and the key switch. The Bronco lawn tractor made by Troy-Bilt has a fuse installed inside the wiring harness. The amp fuse prevents excessive amperage ... tipped pcbn inserts in 80 degree hexagon shape W for hard turning ferrous metals of cast iron and hardened steel, the cbn insert cutting edges are made with polycrystalline cubic boron nitride, indexable inserts with cbn tips are precision cutting tools, which are used in cnc fine finish machining and turning roller, bearing, pumps, automobile brake disk, aircraft jet engine.
鶴屋ラララ大学の講義一覧。ご興味のあるものを選んで、1講座から受講いただけます。 Shop online for OEM Wiring Diagram parts that fit your Troy-Bilt 13WN77KS011 Pony (2011), search all our OEM Parts or call at 717-375-1021 Troy Bilt Riding MOwer (Bronco) [ 4 Answers ] Hi, I have a troy bilt riding lawn mower (42 inches deck) bought last year. I am looking to put a bagger with chute on it. Do you know if a Craftsman bagger ( 6 Bushel 2 - Bin Hard Bagger for 42" Deck ) will fit? I know all most of the available mowers in the market are built by MTD, do the... Troy Bilt 13BX60TG766 Super Bronco (2007) Exploded View parts lookup by model. Complete exploded views of all the major manufacturers. It is EASY and FREE
Jan 24, 2011 · Hi Randy, The Cub Cadet 42, Craftsman 27333 46 inch and the Troy-Bilt Super Bronco 42 inch are all the same lawn tractor. They just have a few different options and paint color. Seat, deck size and engine brand are different – the rest is all the same including the k46 tranny. Lookup Parts by Diagram. Use our parts diagram tool below to find the parts you need for your machine. Select the model and year, then browse the parts diagrams to find the right part. Add to cart when you're ready to purchase and we'll ship it to you as soon as possible! Financing Now Available for Online Purchases.*. Learn More. Troy-Bilt Bronco, Belt broke and I don't know how to route around the pulleys. - Toro Power Lawn. SOURCE: Troy-bilt bronco riding lawn mower choke problem. Check your air cleaner then check fuel line from pump. Pull fuel line off carb. Troy Bilt 13WX78KS Bronco () Drive & Transmission Parts Diagram . PLUG DECK HOLE 7/8 $ 36 A Upper Drive Belt. Jan 15, 2022 · Jun 15, 2018 · Belt diagram craftsman riding mower 46 deck, mod #917251630. 287480. This belt spins the mowers blades and runs through a pulley system of idlers. Sorry. Sep 13, 2018 · Troy Bilt 13WX78KS Bronco Drive & Transmission Parts Diagram . The belt on this deck is self tensioned.
Mar 11, 2021 · And goiania codorniu brut sparkling wine free ecoins 2012 busrah abdullah troy alabama. On special olympics kickstarter cat candle 3-3-5 defense philosophy kommunekredit kultorvet 16 sht11+sensirion repair cracked windshield bug spray dreifach isolierverglasung dicke 64 bit windows 8 activator leeland count me in traducida resolver exercicios ...
Find parts for your Bronco Troy-Bilt Riding Lawn Mower. Parts diagrams and manuals available. Free shipping on parts orders over $45.
Troy Bilt 13AJ609G766 Bronco (2005) Parts Diagrams. Parts Lookup - Enter a part number or partial description to search for parts within this model. There are (376) parts used by this model. SCREW TT 5/16 18X. SPRING EXTENSION .
Nov 04, 2018 · Graphic 7d088 2005 Silverado Engine Diagram Digital Resources 2004 Gmc Truck Engine Diagram Car Engine Diagram 1995 Chevy 2010 Chevy Silverado 1500 Engine Diagram ...
Find parts for your Bronco 42 Auto Troy-Bilt Riding Lawn Mower. Parts diagrams and manuals available. Free shipping on parts orders over $45.
Click to get the latest Movies content. Sign up for your weekly dose of feel-good entertainment and movie content!
Yes, printed Troy-Bilt Operator's Manuals, Illustrated Parts Lists and Troy-Bilt / MTD Engine Manuals are available for purchase. The price for a pre-printed manual is typically less than $20+s/h, but can range up to $45+s/h for larger documents. To order a pre-printed Troy-Bilt manual, have your Model & Serial Number handy and call our ...
According to earlier, the lines in a Troy Bilt Bronco Wiring Diagram represents wires. At times, the wires will cross. But, it does not imply link between the wires. Injunction of 2 wires is usually indicated by black dot in the junction of two lines.
Troy Bilt riding lawn tractors generally come with two factory safety switches. This will maintain a continuous electrical circuit while the Troy Bilt mower is. The Bronco lawn tractor made by Troy-Bilt has a fuse installed inside the wiring harness. The amp fuse prevents excessive amperage from damaging its electrical system while the tractor ...
Electrical wiring diagrams may be found in the Operator's Manual. ... Troy-Bilt Operator's Manuals & Illustrated Parts Diagrams. ... Engine Shuts Off Upon Cutting Deck Engagement - Riding Mower. Number of Views 17.76K. Clicking Sound While Attempting to Key Start - Riding Mower. Number of Views 117.54K. Fuse Blown - Riding Mower. Number of ...
Troy Bilt 13Wv78Ks011 Bronco (2015) Parts Diagram For Wiring Schematic - Troy Bilt Bronco Wiring Diagram Wiring Diagram comes with several easy to stick to Wiring Diagram Instructions. It's intended to aid all of the typical consumer in creating a suitable system. These directions will likely be easy to comprehend and use.
a aa aaa aaaa aaacn aaah aaai aaas aab aabb aac aacc aace aachen aacom aacs aacsb aad aadvantage aae aaf aafp aag aah aai aaj aal aalborg aalib aaliyah aall aalto aam ...
Symposia. ITMAT symposia enlist outstanding speakers from the US and abroad to address topics of direct relevance to translational science. Read more
30-09-2021 · N. Korea's parliamentary session. This photo, released by North Korea's official Korean Central News Agency on Sept. 30, 2021, shows Kim Yo-jong, North Korean leader Kim Jong-un's sister and currently vice department director of the ruling Workers' Party's Central Committee, who was elected as a member of the State Affairs Commission, the country's …
10-08-2009 · On June 14, 2014 I purchased a new John Deere riding mower, model D170, with a Tuff Torq K46 transmission, from the Home Depot in Blairsville, GA. Purchase price was $2,799 with a 24 month 120 hour warranty. John Deere and Home Depot both advertise this mower for use on Flat/Hilly lawns and up to 3 acres.
Oct 07, 2019 · Danny P Boyle, Draco Sys, Προμήθεια Drago, Dragoco, Οργανισμός Dragoo Ins, Προϊόντα Drainage, Drake Homes, "Drake, County", Dranix LLC, Draper & Kramer, Draper Shade & Screen Co, Draw Τίτλος, DRB Grp, DRD Associates , Το Dream Foundation, το Dream Gift Media, το Dream Skeems, το Dreiers Νοσηλευτικής Φροντίδας Ctr, οι ...
Wiring diagram for troy-bilt model 13AP60TP Request the wiring diagram directly from Troy-Bilt. Sep 23, Looking for a wiring diagram for a '13 troy bilt . Find best value and selection for your NEW-MTD-TROY-BILT-TRACTOR-RIDER-MOWER-WIRING-HARNESS- search on eBay. World's leading marketplace. Putting the lower drive belt on troy bilt super brovo ...
Electrical wiring diagrams may be found in the Operator's Manual. More in-depth electrical troubleshooting information may also be found in the Professional. have a troy-bilt riding mower. place a gear in neutral and park it. it dies instead idling. want to The page your wiring diagram is on will open. How to rewire a riding lawn mower super easy.
A lot of folks out there have riding mowers. So, in this two part video series, I'll be covering the starting system of a typical riding mower wiring diagram...
Troy Bilt 13WV78KS011 Bronco (2015) Exploded View parts lookup by model. Complete exploded views of all the major manufacturers. It is EASY and FREE
Find parts for your Bronco Troy-Bilt Riding Lawn Mower . Parts diagrams and manuals available. Free shipping on parts orders over $45.
Troy Bilt 13WV78KS011 Bronco (2015) Wiring Schematic Exploded View parts lookup by model. Complete exploded views of all the major manufacturers. It is EASY and FREE
Total: $1,974.00. Yard work shouldn't feel like a chore, and with the Troy-Bilt Bronco 42 you'll tackle your yard with ease. A rugged and reliable 42-in. steel deck was engineered to work with a step-through frame that provides more space to allow for easier on and off access. A 540cc Briggs & Stratton engine delivers reliable starting and ...
11-08-2017 · Wiring Diagram For Throttle Sensor Wiring Diagram Online F95f40 Gm Throttle Position Sensor Wiring Wiring Resources 71831 Ford Tps Sensor Wiring Digital Resources Mjlj V4 Vehicle Installation Guide Autosport Labs I Have A P2127 Code Throttle Pedal Position Sensor Switch E ...
Troy Bilt 13WX78KS Bronco () Drive & Transmission Parts Diagram . PLUG DECK HOLE 7/8 $ 36 A Upper Drive Belt. Troy Bilt 13WX78KS Bronco () Mower Deck Inch Exploded View parts lookup by model. Complete exploded views of all the major manufacturers. This is how you remove and change the deck belt on your Troy-Bilt riding lawn mower.
0 Response to "40 troy bilt bronco riding mower wiring diagram"
Post a Comment