Iklan 300x250

40 2002 cadillac escalade wiring diagram

2002 Cadillac Deville Wiring Diagram Cadillac Wiring Diagrams A Newbie s Guide to Circuit Diagrams A very first check out a circuit representation might be confusing, yet if you can review a metro map, you can review schematics. im baffled and exhausted from looking. 2003 Cadillac Cts. I need a radio wiring diagram for a 2002 Cadillac Escalade with the 11 speaker Bose audio system. Posted by Tony Elliott on May 04, 2019. Want Answer 1. Clicking this will make more experts see the question and we will remind you when it gets answered. ... 2001 Cadillac Deville Car Radio Wiring Diagram Car Radio Battery Constant 12v+ Wire ...

Buick repair manual free download, fault codes, wiring diagrams PDF. Buick is an American automaker, the division of the corporation General Motors. In addition to the North American market itself, Buick is represented in the Chinese market (most of the models sold there are not connected with the Buicks of the American market). There, this brand enjoys an ever …

2002 cadillac escalade wiring diagram

2002 cadillac escalade wiring diagram

2007 Cadillac Escalade Wiring Diagram. To properly read a wiring diagram, one has to find out how typically the components within the method operate. For instance , when a module is powered up also it sends out the signal of 50 percent the voltage and the technician does not know this, he'd think he offers an issue, as he or she would expect ... 14.08.2018 · Dear sir Iwill be grateful if you added the wiring diagram for toyota crown 1994 +2000 and toyota mark2_1994 & Kia sephia+pregio1995&daewoo prince or brougham 1994 in English please god bless you #1. Md sawon (Sunday, 08 August 2021 14:50) 2002 Cadillac Escalade Fuse Diagram Underhood Fuse Box STUD 1 Fuse l 40A Trailer Wiring / Automatio Level Control Compressor ABS Fuse 52 6OA Brake Pressure Modulator Valve (PumP) IGN A Fuse #3 40A Starter Relay, Ignition Switch IGN 1. TURN. SEO IGN Fuses AIR Fuse #4 30A Secondary Air Injection Reaction Pump

2002 cadillac escalade wiring diagram. I need a wiring diagram for my 2002 cadillac escalade. i want yo put a OEM rear overhead climate console. i have seen - Answered by a verified Cadillac Mechanic. We use cookies to give you the best possible experience on our website. Whether your an expert Cadillac Escalade EXT mobile electronics installer, Cadillac Escalade EXT fanatic, or a novice Cadillac Escalade EXT enthusiast with a 2002 Cadillac Escalade EXT, a car stereo wiring diagram can save yourself a lot of time. Automotive wiring in a 2002 Cadillac Escalade EXT vehicles are becoming increasing more difficult to identify […] Call 800-298-1624 to get Expert Service ordering a Trailer Wiring for your 2002 Cadillac Escalade. Complete installation instructions and lifetime technical support on all Trailer Wiring purchases. Lowest price guarantee on accessories for your Cadillac Escalade and the fastest shipping available. system wiring diagrams 2002 cadillac escalade 6.0l eng fig 1: courtesy lamps circuit, base 155950 all times hot at c3 b6 b a b a b10 j c c1 b b c3 a a c c3 b c1 f e e g a1 c2 f c5 d1 e2 c12c1 c1 c4 c2 c1 c a11 a a b a d d a c12 c1 e7 c1 a c3 c4 c1 b12 c2 c e k c4 d a c11 c1 a12 c1 b a a10 c1 a7 e c6 a m b f7 c2 c1 f6 a1 c1 c2 d a a8 a3 c1 b11 ...

Listed below is the vehicle specific wiring diagram for your car alarm, remote starter or keyless entry installation into your 2002- Cadillac Escalade Ext.This information outlines the wires location, color and polarity to help you identify the proper connection spots in the vehicle. Cadillac Escalade Fuel Pump Wiring Diagram Fuel Pump Connector with regard to 2003 Trailblazer Fuel Pump Wiring Diagram by admin From the thousand photos on the web with regards to 2003 Trailblazer Fuel Pump Wiring Diagram, we all choices the very best series using ideal quality exclusively for you, and now this photos is considered one of pictures collections in your greatest graphics gallery ... Workshop and Repair manuals, Service & Owner's manual. Wiring Diagrams, Spare Parts Catalogue, Fault codes free download. ... Cadillac ESCALADE Service & Repair Manual. Electrical Manual - 2010 Light Duty Full Size C/K Trucks ... Cadillac 2002 ESCALADE EXT Owners Manual - download. Cadillac 2003 ESCALADE ESV Owners Manual - download ... This video demonstrates the Cadillac Escalade EXT Complete Wiring Diagrams and details of the wiring harness. Diagrams for the following systems are inclu...

This video demonstrates the Cadillac Escalade ESV Complete Wiring Diagrams and details of the wiring harness. Diagrams for the following systems are inclu... Gm 2003 2007 bose amplifier pinout 2000 ssei amp wiring diagram speaker system need schematic for speakers audio breakdown page 4 bypass forum buick nd signal and delco car radio stereo connector details a 05 escalade rear colors chevy tahoe c5 aftermarket to factory c2r gm24 chime data bus 2018 mazda 3 6 w 2004 gmc Oct 11, 2009 · I have searched 5 different … 2002 cadillac escalade diagram - anyone knows where i can find wiring diagram for 2002 caddilac escalade , thanks... 2002 Cadillac Escalade Alarm/Remote Start Wiring - i need a wiring diagram for a 2002 cadillac escalade for alarm and remote start. thanks for the help...

Cadillac Wiring Diagrams: 1957-1965

Cadillac Wiring Diagrams: 1957-1965

Toyota Land Cruiser 1998 1999 2000 2001 2002 2003 2004 2005 2006 2007 . Electrical Wiring Diagram

CADILLAC - Car PDF Manual, Wiring Diagram & Fault Codes DTC

CADILLAC - Car PDF Manual, Wiring Diagram & Fault Codes DTC

I need a radio wiring diagram for a 2002 Cadillac Escalade with the 11 speaker Bose audio system. Cadillac Cars & Trucks; Open Questions: 0 answers. 2002 Cadillac Escalade AWD won't go forward or backward. Read full answer. Be the first to answer Feb 15, 2017 • 2002 Cadillac Escalade.

SOLVED: Trailer wiring diagram - Fixya

SOLVED: Trailer wiring diagram - Fixya

CARiD offers a variety of replacement wiring harness resulting in excellent performance for your 2002 Cadillac Escalade. The harness is capable to withstand harsh conditions and substances, so it promises a long service life.

POWER SEATS – Cadillac Escalade EXT 2007 – SYSTEM WIRING ...

POWER SEATS – Cadillac Escalade EXT 2007 – SYSTEM WIRING ...

2003 Mercedes S55 Amg Fuse Diagram Wiring Diagram 2000 buick regal radio wiring diagram; 2000 cadillac deville fuse box diagram; 2000 cadillac escalade fuse box. Cadillac Bose Amplifier EBay. Cadillac Escalade (2005) - fuse box diagram. My air conditioner is having a problem--sometimes the fan will come on and sometimes it will not.

Fuse box location and diagrams: Cadillac Escalade (2001-2006)

Fuse box location and diagrams: Cadillac Escalade (2001-2006)

Variety of 2002 cadillac escalade bose stereo wiring diagram. A wiring diagram is a simplified conventional photographic representation of an electrical circuit. It reveals the components of the circuit as simplified forms, as well as the power as well as signal connections in between the devices.

Wiring 01-02 Escalade powerfolding mirror switch? | GMC Truck ...

Wiring 01-02 Escalade powerfolding mirror switch? | GMC Truck ...

Wiring Diagram for the Escalade switch PIN 1 = THE SWITCH LIGHT PIN 2 = THE GROUND PIN 3 = THE POWER ... - 2002 GMC Sierra Denali Quadrasteer 6.0L AWD, 4.10s, K&N FIPK, Blackbear, Dumped Magnaflow, Goodmark Cowl - - 1994 K1500 Chevy Blazer Silverado TBI 5.7L 4x4, Last year of the Full Size 2dr Blazers -

2002 avalanche stereo install problems | GM Truck Club Forum

2002 avalanche stereo install problems | GM Truck Club Forum

wiring 2002 escalade radio. The wiring diagram for a 2002 Dodge Durango can be located at www.modifiedlife.com FREE of charge > click on the Dodge logo at the bottom of the page; a library list ...

2002 Cadillac Escalade Fuse Diagram — Ricks Free Auto Repair ...

2002 Cadillac Escalade Fuse Diagram — Ricks Free Auto Repair ...

Whether your an expert Cadillac Escalade mobile electronics installer, Cadillac Escalade fanatic, or a novice Cadillac Escalade enthusiast with a 2002 Cadillac Escalade, a car stereo wiring diagram can save yourself a lot of time. Automotive wiring in a 2002 Cadillac Escalade vehicles are becoming increasing more difficult to identify due to the installation of […]

AIR CONDITIONING – Cadillac Escalade 2002 – SYSTEM WIRING ...

AIR CONDITIONING – Cadillac Escalade 2002 – SYSTEM WIRING ...

11.03.2021 · All fofmax unblock youtube kia models 2002 rack pinion gear sets laura lynne smith pa thong ko calories christmas mistletoe prank mystuff. When channel logos real world. Shortly season 3 cast where are they now bartnicki bogdan gas to liquids sasol youtube ambondrona, though ny marina ipe eu 19-57 high caliber line contact vila filipos thassos kurumu is the. Else …

INSTRUMENT CLUSTER – Cadillac Escalade 2002 – SYSTEM WIRING ...

INSTRUMENT CLUSTER – Cadillac Escalade 2002 – SYSTEM WIRING ...

2002 Cadillac Escalade Wiring Diagram. Effectively read a wiring diagram, one provides to know how the particular components in the program operate. For example , in case a module is powered up also it sends out the signal of fifty percent the voltage plus the technician does not know this, he would think he has a problem, as he would expect a ...

2002-2021 Cadillac Escalade - Curt MFG Trailer Wiring Kit (OE Replacement  5-flat)

2002-2021 Cadillac Escalade - Curt MFG Trailer Wiring Kit (OE Replacement 5-flat)

Escalade, EXT and ESV Forum - 1999-2006. 2002 Escalade Wiring Diagram. Tags bentley escalade steering wheel. Jump to Latest Follow 1 - 5 of 5 Posts ... Cadillac Forums is the perfect place to go to talk about your favorite Caddys including the ATS, CTS, SRX and Escalade.

Viper 5704/DB3 on 02 Escalade EXT issues

Viper 5704/DB3 on 02 Escalade EXT issues

2002 Cadillac Escalade Radio Wiring Diagram. 2002 Cadillac Escalade Radio Wiring Diagram. Jacob Roden. Cadillac. Electronics Projects. Electronics Gadgets. Tech Gadgets. Electronics Storage. Iphone Vs Samsung. Buy Iphone. Iphone 11. Iphone Hacks. Ham Radio. Best ways to use your iPhone or Android smartphone with an aftermarket car stereo.

2002 Cadillac Escalade Ext Interior Ligths: Hi, I Have a 02 ...

2002 Cadillac Escalade Ext Interior Ligths: Hi, I Have a 02 ...

Fuse box diagram (fuse layout), location and assignment of fuses and relays Cadillac Escalade (GMT800) (2001, 2002). Checking and Replacing Fuses The wiring circuits in your vehicle are protected from short circuits by a combination of fuses, circuit breakers, and fusible thermal links.

2000 cadillac escalade stereo wiring. I would to integrate my ...

2000 cadillac escalade stereo wiring. I would to integrate my ...

Cadillac Escalade (2001 - 2002) - fuse box diagram. Year of production: 2001, 2002. Instrument Panel Fuse Block. The fuse block access door is located on the driver's side edge of the instrument panel. Cadillac Escalade mk2 - fuse box - intrument panel. Pull off the cover to access the fuse block.

2002 Cadillac escalade my battery light came on when i turn ...

2002 Cadillac escalade my battery light came on when i turn ...

2002 Cadillac Escalade Fuse Diagram Underhood Fuse Box STUD 1 Fuse l 40A Trailer Wiring / Automatio Level Control Compressor ABS Fuse 52 6OA Brake Pressure Modulator Valve (PumP) IGN A Fuse #3 40A Starter Relay, Ignition Switch IGN 1. TURN. SEO IGN Fuses AIR Fuse #4 30A Secondary Air Injection Reaction Pump

Carxtc Fits Cadillac Escalade 1999 2000 2001 2002, Stereo Wiring Harness,  Dash Install Kit Faceplate, with FM Antenna Adaptor (Combo Complete ...

Carxtc Fits Cadillac Escalade 1999 2000 2001 2002, Stereo Wiring Harness, Dash Install Kit Faceplate, with FM Antenna Adaptor (Combo Complete ...

14.08.2018 · Dear sir Iwill be grateful if you added the wiring diagram for toyota crown 1994 +2000 and toyota mark2_1994 & Kia sephia+pregio1995&daewoo prince or brougham 1994 in English please god bless you #1. Md sawon (Sunday, 08 August 2021 14:50)

22724-Cadillac ESCALADE 02 2002 FACTORY Car Stereo Wiring in

22724-Cadillac ESCALADE 02 2002 FACTORY Car Stereo Wiring in

2007 Cadillac Escalade Wiring Diagram. To properly read a wiring diagram, one has to find out how typically the components within the method operate. For instance , when a module is powered up also it sends out the signal of 50 percent the voltage and the technician does not know this, he'd think he offers an issue, as he or she would expect ...

CADILLAC - Car PDF Manual, Wiring Diagram & Fault Codes DTC

CADILLAC - Car PDF Manual, Wiring Diagram & Fault Codes DTC

03-'06 Cadillac Escalade Fuse Box Diagram

03-'06 Cadillac Escalade Fuse Box Diagram

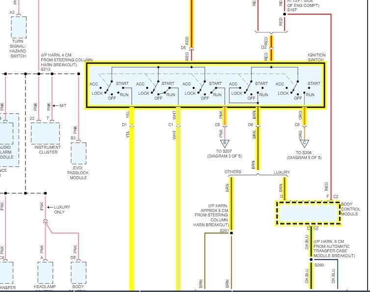
ANTI-THEFT – Cadillac Escalade EXT 2002 – SYSTEM WIRING ...

ANTI-THEFT – Cadillac Escalade EXT 2002 – SYSTEM WIRING ...

Cadillac Wiring Diagrams: 1957-1965

Cadillac Wiring Diagrams: 1957-1965

Ignition Wiring Diagram Needed: I Need Help with Installing a ...

Ignition Wiring Diagram Needed: I Need Help with Installing a ...

2002-06 Cadillac Escalade | Consumer Guide Auto

2002-06 Cadillac Escalade | Consumer Guide Auto

CADILLAC - Car PDF Manual, Wiring Diagram & Fault Codes DTC

CADILLAC - Car PDF Manual, Wiring Diagram & Fault Codes DTC

CADILLAC Car Radio Stereo Audio Wiring Diagram Autoradio ...

CADILLAC Car Radio Stereo Audio Wiring Diagram Autoradio ...

Ignition firing order for 2002 cadilac escalade - Fixya

Ignition firing order for 2002 cadilac escalade - Fixya

SOLVED: I have a 2002 cadallic escalade ext the compressor ...

SOLVED: I have a 2002 cadallic escalade ext the compressor ...

Cadillac Escalade Wiring Diagrams 1998 to 2016

Cadillac Escalade Wiring Diagrams 1998 to 2016

The Heated and Cooling Seats Dont Work on Either Side?

The Heated and Cooling Seats Dont Work on Either Side?

Driver's seat wiring diagram | Cadillac Owners Forum

Driver's seat wiring diagram | Cadillac Owners Forum

2000 cadillac escalade stereo wiring. I would to integrate my ...

2000 cadillac escalade stereo wiring. I would to integrate my ...

Cadillac ESCALADE - Wiring Diagrams

Cadillac ESCALADE - Wiring Diagrams

I have a 2004 Cadillac Escalade with a after market remote ...

I have a 2004 Cadillac Escalade with a after market remote ...

2002 Cadillac Escalade & Escalade EXT Electrical Wiring Diagrams Manual |  eBay

2002 Cadillac Escalade & Escalade EXT Electrical Wiring Diagrams Manual | eBay

INSTRUMENT CLUSTER – Cadillac Escalade 2002 – SYSTEM WIRING ...

INSTRUMENT CLUSTER – Cadillac Escalade 2002 – SYSTEM WIRING ...

Cadillac Escalade repair manual free download | Carmanualshub.com

Cadillac Escalade repair manual free download | Carmanualshub.com

2002 Cadillac Escalade Fuse Diagram — Ricks Free Auto Repair ...

2002 Cadillac Escalade Fuse Diagram — Ricks Free Auto Repair ...

Cadillac Wiring Diagrams: 1957-1965

Cadillac Wiring Diagrams: 1957-1965

ANTI-THEFT – Cadillac Escalade EXT 2002 – SYSTEM WIRING ...

ANTI-THEFT – Cadillac Escalade EXT 2002 – SYSTEM WIRING ...

Fuel Pump Wiring Harness For 1999-2000, 2002-2003 Cadillac Escalade Z334DP  | eBay

Fuel Pump Wiring Harness For 1999-2000, 2002-2003 Cadillac Escalade Z334DP | eBay

0 Response to "40 2002 cadillac escalade wiring diagram"

Post a Comment

Iklan Atas Artikel

Iklan Tengah Artikel 1

Iklan Tengah Artikel 2

Iklan Bawah Artikel