Iklan 300x250

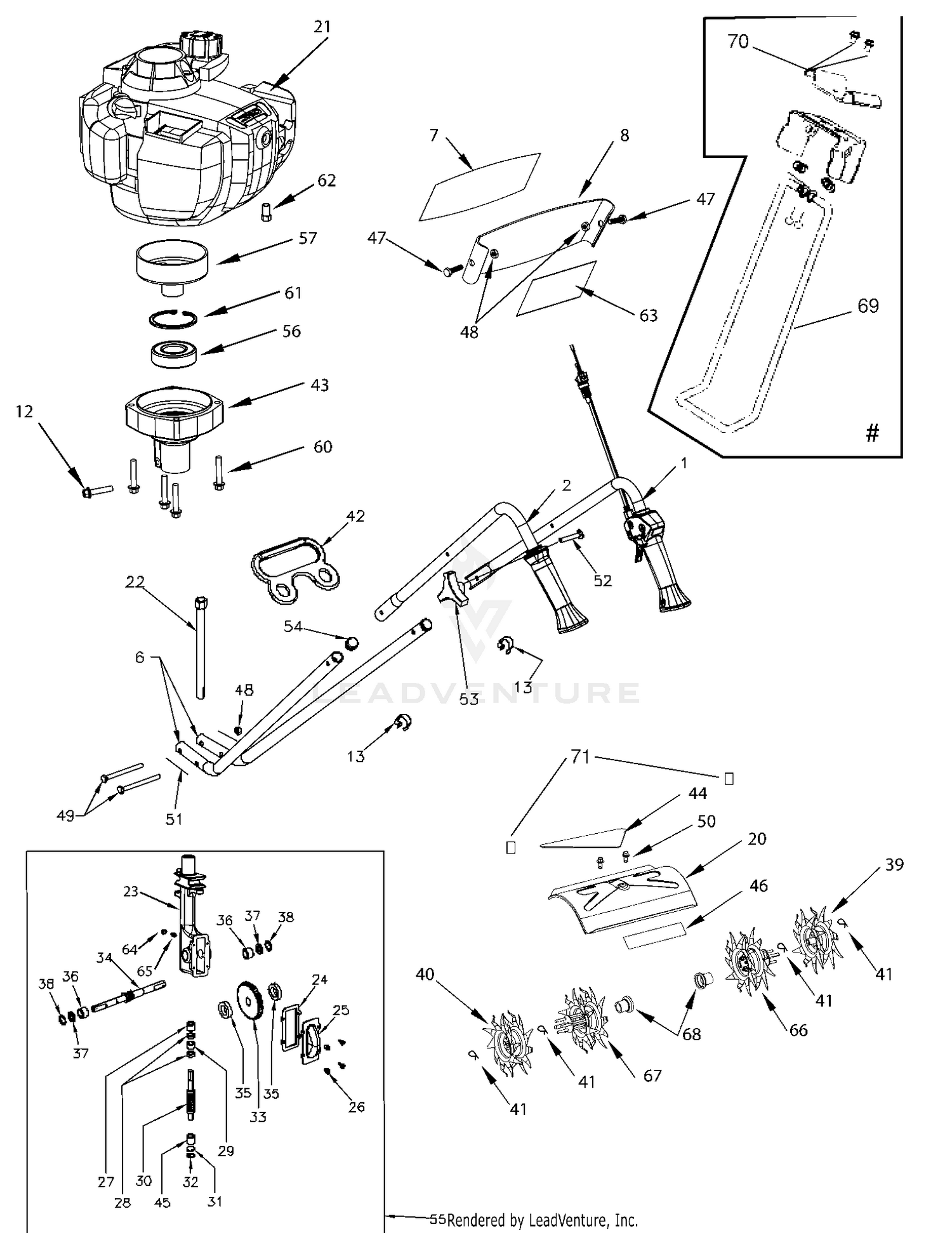
42 mantis tiller 7222 parts diagram

Poweka Replacement Parts for Mantis Tiller Cultivator 7222 7222E 7222M 7225 7230 7234 7240 7920 7924-3 Hole Grommet Fuel Line Vent Fuel Filter Spark Plug Primer Bulb Air Filter. 4.5 out of 5 stars 211. $6.99 $ 6. 99. Get it as soon as Thu, Dec 16. FREE Shipping on orders over $25 shipped by Amazon.

Mantis tillers are ideally suited for use in flowerbeds, small gardens and. I just needed a fuel strainer and vent and the hoses and clips to connect them. Mantis tiller fuel system diagram The 8 fuel line parts are shown here in the lower . Get free help, tips & support from top experts on mantis tiller fuel lines related issues.

Mantis Tiller Fuel Line Diagram. Mantis manufactures a line of tillers designed for professionals and homeowners alike. Mantis tillers are ideally suited for use in flowerbeds, small gardens and. varies by FAMILY). An important part of the safety system incorporated in this tiller are HANDLE FUEL WITH CARE, IT IS HIGHLY FLAMMABLE.

Mantis tiller 7222 parts diagram

Mantis tiller 7222 parts diagram

Bunton, Bobcat, Ryan 7222 2-Cycle Gas Tiller (January 2001 through January 2003) CARBURETOR Exploded View parts lookup by model. Complete exploded views of all the major manufacturers. It is EASY and FREE

Mantis Tiller Parts Diagram. mantis-composter-diagram Air Cleaner Cover for all of our 4-Stroke Honda Mantis Tillers only. Replacement Air Filter Pad for our 2-Stroke SV4 Tiller. To find the Mantis Tiller replacement parts you need, use our lookup website with our Mantis Tiller parts diagram to help you.

Hi Wade! I've got the 7222-03-03 tiller SV-5C/1, which I believe is the same as above. I changed the fuel lines with a new set but according to your illustration above I had the supply and return lines reversed. It did fire the other way around but, after changing them per your instruction above, I can't get it to fire at all now.

Mantis tiller 7222 parts diagram.

Carburetor For Echo Mantis Tiller Parts Cultivator 7222 7222E SV-4B 1E Carb. $11.59. Free shipping. Free shipping Free shipping. Carburetor & Maintenance Kit For Mantis Tiller 7222 7225 SV-5C/2 Zama C1U-K82 US. $14.86. Free shipping Free shipping Free shipping. Picture Information.

DELUXE 4- CYCLE TILLER. IMPORTANT! Assembly Instructions Start on Page 7!.Parts Diagrams (6) No parts found. Mantis Tiller 3 Results Carburetor - C1u-k82 3 Results Air Cleaner/muffler/throttle 3 Results Fuel Tank 3 Results Sears PartsDirect uses your location to provide local availability in your area. Enter your Mantis model number below.

Mantis Tillers Model Number Lookup - Label/Plate Information. The model number on a Mantis tiller can be found on a white label, located on top of the engine housing. The model number will be located at the bottom of the label in the "Item#" field. Enter the model number of your Mantis below to search for parts.

Note: For Mantis Tiller model 7222M manual, locate the SV number on your tiller then locate the corresponding 7222 manual. Serial Number label location: 4-cycle - gas tank. 2-cycle - recoil cover. Electric 7250 - bottom housing of motor. 3550 and 3558 models - cover under carry handle.

View and Download Mantis 7222 owner's manual online. Tiller/Cultivator. 7222 tiller pdf ... Mantis deluxe xp tiller – 7567 operator parts manual (83 pages).

Mantis Tiller Model 7222/SV5C Parts. Mantis Tiller Model 7222/SV5C Parts are easily labeled on this page to help you find the correct component for your repair. Filter results by category, title and symptom. You can also view diagrams and manuals, review common problems that may help answer your questions, watch related videos, read insightful articles or use our repair help guide to get started.

Mantis Tiller Parts Attachments and Accessories available for quick shipment.

Mantis 2-Cycle Gas Tiller Exploded View parts lookup by model. Complete exploded views of all the major manufacturers. ... Mantis 2-Cycle Gas Tiller Parts Diagrams 7222 2-Cycle Gas Tiller (January 2001 through January 2003)

NEW Original Mantis Tiller parts # 400010 Gearbox Fits all Mantis Tiller. $128.95. Free shipping. 105 sold. ... MANTIS Tiller Cultivator 7222 SV-4/A OEM CLUTCH ASSEMBLY USED **FREE SHIP** $48.24. Free shipping. or Best Offer. SPONSORED. NEW Mantis 7924 Gas Mini Tiller Garden Lawn Outdoor Metal 21cc 2 Cycle FastStart.

Hey Everybody, B-rad here. Today I am working on my new to me Mantis tiller. I picked this up off of Craigslist for $20.00. I poured gas in and she just leak...

Compare petrol models; Classic 4-Stroke Tiller; Deluxe 4-Stroke Tiller with Kick Stand; Save up to £115 with our tiller packs! See all Packs - Our tiller packages are the ideal choice for keen and professional gardeners. These money-saving packages come with a Mantis tiller, as well as high-quality attachments and accessories that make it even more practical.

Mantis 7225 farming parts - manufacturer-approved parts for a proper fit every time! We also have installation guides, diagrams and manuals to help you along the way! ... Mantis tiller Diagram. Tine label. Part #4043. The manufacturer no longer makes this part, and there's no substitute part #10. Mantis tiller Diagram. Worm gear housing.

Bunton, Bobcat, Ryan 7222 2-Cycle Gas Tiller (March 2005 to ...

Bunton, bobcat, ryan 7222 2-cycle gas tiller (march 2005 to ...

Mantis tiller 7222m parts diagram To help you locate some tiller model manuals, you may need the SV or GX engine number. Here's how to find it: Mantis 2-cycle tiller: SV number is located between the gas tank & the carburetor, behind the gas line, on a black and silver tab on the silver engine housing.

Mantis Tiller Parts Large Selection Fast shipping

Mantis tiller parts large selection fast shipping

Craftsman > Tillers ( 84 Models ) 21A-34M8799 - Craftsman 340 Series Tiller (2016) 21AB45M8799 - Craftsman 450 Series Tiller (2016) 247.23000 (21AB47M6099) - Craftsman Tiller (2011) (Sears)

Schiller Grounds Care_DEL_15072017062450 7565 Mantis XP 4 ...

Schiller grounds care_del_15072017062450 7565 mantis xp 4 ...

Mantis tiller Models 7222, 7225, 7228,7920 and 7924 W/ 2-Cycle engines

Mantis 7222 Tiller Owner's Manual | Manualzz

Mantis 7222 tiller owner's manual | manualzz

See: Ariens exploded parts diagrams. ... Mantis Tillers Parts Diagrams 2-Cycle Gas Tiller. 4-Cycle Gas Tiller. Deluxe Tiller. Electric Tiller. JACK'S Newsletter. Subscribe to our email newsletter to receive promotions, helpful DIY articles, and special offers. ...

Mantis 7222E User Manual TILLER/CULTIVATOR Manuals And Guides ...

Mantis 7222e user manual tiller/cultivator manuals and guides ...

40 mantis tiller carburetor diagram. Tiller Operator & Service Manuals. To help you locate some tiller model manuals, you may need the SV or GX engine number. Here's how to find it: Mantis 2-cycle tiller: SV number is located between the gas tank & the carburetor, behind the gas line, on a black and silver tab on the silver engine housing.

Mantis 7222 SV2AE Tiller Owner's Manual | Manualzz

Mantis 7222 sv2ae tiller owner's manual | manualzz

Thanks for watching!Want me to do a review of your product on my channel? Please contact me at ilike2mowyt@gmail.com

Buy Powtol C1U-K54A C1U-K17 Carburetor Repower Kit fits 2 ...

Buy powtol c1u-k54a c1u-k17 carburetor repower kit fits 2 ...

View online(32 pages) or download PDF(1.56 MB) Mantis 7222 Tiller Owner's Manual ... .26 MANTIS Tiller Assembly Layout . . . . . . . . . . .27 Engine Parts ...

Amazon.com : HUZTL C1U-K54A Carburetor Repower Kit Air Fuel ...

Amazon.com : huztl c1u-k54a carburetor repower kit air fuel ...

User Manual: Mantis 7222 7222 MANTIS TILLER / CULTIVATOR - Manuals and Guides View the owners manual for your MANTIS TILLER / CULTIVATOR #7222.

Carburetor with Air Filter Repower Kit for 2 Cycle Mantis ...

Carburetor with air filter repower kit for 2 cycle mantis ...

Call 1-800-366-6268. From outside of the US: 215-355-9700. Contact Us.

Original Mantis Tiller Parts Large Inventory Fast Shipping.

Original mantis tiller parts large inventory fast shipping.

Poweka Replacement Parts for Mantis Tiller Cultivator 7222 7222E 7222M 7225 7230 7234 7240 7920 7924-3 Hole Grommet Fuel Line Vent Fuel Filter Spark Plug Primer Bulb Air Filter. 4.5 out of 5 stars 210. $6.99 $ 6. 99. Get it as soon as Sun, Dec 12. FREE Shipping on orders over $25 shipped by Amazon.

Carburetor Gaskets Primer Bulb Kit For Mantis Tiller 7222 7222E 7225 7230  TC2100 Echo 12520013123 Cultivators Zama C1U-K54A

Carburetor gaskets primer bulb kit for mantis tiller 7222 7222e 7225 7230 tc2100 echo 12520013123 cultivators zama c1u-k54a

Mantis Tiller Parts Alberta,AlabamaMantis Tiller Parts Large selection Fast ShippingCultivating - Why Using The Right Tools Is ImportantFor a long time now, people have been gardening. They have been doing this to provide themselves with food and fresh plants. Today, many people do gardening as a hobby that relieves them from stress.

MANTIS 7566 OPERATOR'S & PARTS MANUAL Pdf Download | ManualsLib

Mantis 7566 operator's & parts manual pdf download | manualslib

Mantis 7222 farming parts - manufacturer-approved parts for a proper fit every time! We also have installation guides, diagrams and manuals to help you along the way!

Hipa C1U-K54A Carburetor for Mantis Tiller 7210 7222 7222E 7222M 7225 7230  7234 7240 7920 7921 7924 7925 7228 Cultivator C1U-K82 Air Filter Tune Up ...

Hipa c1u-k54a carburetor for mantis tiller 7210 7222 7222e 7222m 7225 7230 7234 7240 7920 7921 7924 7925 7228 cultivator c1u-k82 air filter tune up ...

Here are the repair parts and diagrams for your Mantis 7222 tiller / cultivator. The diagram (s) below can help you find the right part. If you'd like help, we invitemantis-composter-diagram · Garden Power 10m Cable for our Electric Mantis Tiller. Add to basket Replacement Air Filter Pad for our 2-Stroke SV4 Tiller.

Bunton, Bobcat, Ryan 7222 2-Cycle Gas Tiller (March 2005 to ...

Bunton, bobcat, ryan 7222 2-cycle gas tiller (march 2005 to ...

Mantis Tiller Model 7222/SV4 Parts. Mantis Tiller Model 7222/SV4 Parts are easily labeled on this page to help you find the correct component for your repair. Filter results by category, title and symptom. You can also view diagrams and manuals, review common problems that may help answer your questions, watch related videos, read insightful articles or use our repair help guide to get started.

Carburetor Air Filter Fuel Filter For Echo Mantis Tiller ...

Carburetor air filter fuel filter for echo mantis tiller ...

Mantis 7222 User Manual TILLER / CULTIVATOR Manuals And ...

Mantis 7222 user manual tiller / cultivator manuals and ...

Bunton, Bobcat, Ryan 7222 2-Cycle Gas Tiller (March 2005 to ...

Bunton, bobcat, ryan 7222 2-cycle gas tiller (march 2005 to ...

Bunton, Bobcat, Ryan 7234 Deluxe 2-Cycle Tiller/Cultivator ...

Bunton, bobcat, ryan 7234 deluxe 2-cycle tiller/cultivator ...

Mantis tiller parts large Selection Fast shipping

Mantis tiller parts large selection fast shipping

Mantis Tiller Parts Large Selection Fast Shipping

Mantis tiller parts large selection fast shipping

Mantis 7222 User Manual TILLER / CULTIVATOR Manuals And ...

Mantis 7222 user manual tiller / cultivator manuals and ...

Carburettor Repair Kit For 2-stroke Mantis 7222 7225 7230 7234 Tiller  C1U-K54A

Carburettor repair kit for 2-stroke mantis 7222 7225 7230 7234 tiller c1u-k54a

Karburator Gasket Lampu Primer Filter Bahan Bakar untuk Echo ...

Karburator gasket lampu primer filter bahan bakar untuk echo ...

Bunton, Bobcat, Ryan 7222 2-Cycle Gas Tiller (March 2005 to ...

Bunton, bobcat, ryan 7222 2-cycle gas tiller (march 2005 to ...

Carburetor carb For Mantis Tiller 7222 7225 SV-5C/2 For Zama ...

Carburetor carb for mantis tiller 7222 7225 sv-5c/2 for zama ...

Carburetor For Echo Mantis Tiller Parts Cultivator 7222 7222E SV-4B 1E Carb  712319661321 | eBay

Carburetor for echo mantis tiller parts cultivator 7222 7222e sv-4b 1e carb 712319661321 | ebay

Mantis 7222 farming parts | Sears PartsDirect

Mantis 7222 farming parts | sears partsdirect

Carburetor Fuel Line Filter Spark Plug Kit For Mantis Tiller 7222 Echo  12520013123 Tillers Cultivators Replace #Zama C1U-K54A

Carburetor fuel line filter spark plug kit for mantis tiller 7222 echo 12520013123 tillers cultivators replace #zama c1u-k54a

Buy HOODELL C1U-K82 C1U-K54A Carburetor, for Mantis Tiller ...

Buy hoodell c1u-k82 c1u-k54a carburetor, for mantis tiller ...

Tiller Operator & Service Manuals - Mantis Garden Tools

Tiller operator & service manuals - mantis garden tools

✓ Mantis 7225 00 02 Parts

✓ mantis 7225 00 02 parts

Details about Carburetor Fuel line Kit Mantis Tiller 7222 7225 SV-5C/2 Zama  C1U-K82 A021001090

Details about carburetor fuel line kit mantis tiller 7222 7225 sv-5c/2 zama c1u-k82 a021001090

Bunton, Bobcat, Ryan 7234 Deluxe 2-Cycle Tiller/Cultivator ...

Bunton, bobcat, ryan 7234 deluxe 2-cycle tiller/cultivator ...

Carburetor Kits For Zama C1U-K54A Mantis Tiller 7222 For Echo 12520013123  Carb

Carburetor kits for zama c1u-k54a mantis tiller 7222 for echo 12520013123 carb

Mantis Tiller Maintenance Tips & How-To Instructions | mantis.com

Mantis tiller maintenance tips & how-to instructions | mantis.com

Bunton, Bobcat, Ryan 7222E 2-Cycle Gas Tiller (January 1991 ...

Bunton, bobcat, ryan 7222e 2-cycle gas tiller (january 1991 ...

Bunton, Bobcat, Ryan 7222 2-Cycle Gas Tiller (January 2001 ...

Bunton, bobcat, ryan 7222 2-cycle gas tiller (january 2001 ...

Mantis 7920 and 7924 Tiller Owner's Manual | Manualzz

Mantis 7920 and 7924 tiller owner's manual | manualzz

Bunton, Bobcat, Ryan 7222 2-Cycle Gas Tiller (March 2005 to ...

Bunton, bobcat, ryan 7222 2-cycle gas tiller (march 2005 to ...

Mantis 7222 User Manual TILLER / CULTIVATOR Manuals And ...

Mantis 7222 user manual tiller / cultivator manuals and ...

C1U-K54A Carburetor With Air Filter Repower Kit For 2 Cycle Mantis 7222  7222E 7222M 7225 7230 7234 7240 7920 7924 Tiller Cultivator

C1u-k54a carburetor with air filter repower kit for 2 cycle mantis 7222 7222e 7222m 7225 7230 7234 7240 7920 7924 tiller cultivator

0 Response to "42 mantis tiller 7222 parts diagram"

Post a Comment

Iklan Atas Artikel

Iklan Tengah Artikel 1

Iklan Tengah Artikel 2

Iklan Bawah Artikel