42 craftsman ys4500 parts diagram
Buy manuals and literatures to repair your Craftsman lawn mower at PartSelect. ... tag sample. Craftsman Appliance Parts. Shop By Part Type ... A new Craftsman lawn tractor carburetor is commonly available from a parts warehouse. 24729852 Craftsman Tiller Model 247. 23 Hp Kohler Engine Wiring Further Briggs And Stratton Governor. they make a large amount of sears craftsman tillers May 30, 2016 · Craftsman rear tine tiller transmission diagram.
Craftsman 46” Z530 Zero Turn Riding Lawn Mower Toro Timecutter Z5020 parts zero turn zeroturn ,234 61" Scag Commercial Zero Turn Lawn Mower ,000 (uva parts only lien 2004 Craftsman YS4500 42” Riding Mower 0 (Brandon VT) 2021 bobcat zt 7000 zero turn lawnmower no sales tax ,171 (nhm) Lawn Mower Craftsman ZTS 7500. com All prices are ...

Craftsman ys4500 parts diagram
Craftsman Tractor Parts Manual 944.601261. To view the manual, you will need to use Adobe Acrobat Reader. You can download the software for free by clicking ... Need to fix your 917276600 Lawn Tractor? Use our part lists, interactive diagrams, accessories and expert repair advice to make your repairs easy. Carburetor 5hp and 8-10 hp Garden Tractor GT3000 Craftsman 0 (wma > Agawam) pic hide this posting restore restore this posting. 00 OBO 2000 Spider Engine With Weber Carburetor Manifold - ,000. Craftsman repair parts and parts diagrams for Craftsman 247. The engine that powers this lawnmower is a twin cylinder from the Kohler Pro range of engines.
Craftsman ys4500 parts diagram. Sears Canada Parts lookup by model number, Breakdown of parts Diagram for Sears and Craftsman, Sears lawn mower, Chainsaw and Snowblower Parts Diagrams and ... Open navigation menu 1. CRAFTSMAN" 19. Carburetor Carb Sears Craftsman Gt18 , Gt6000 Riding 917274970 Craftsman GT 3000 lawn tractor. 20 . CRAFTSMAN 176056 Mower Tractor Description 176056 331 3000 331 3000 Craftsman Gt. This has a 25HP Kohler Engine in it. Jan 03, 2019 · Weight Bench em1 Parts Diagram, Hoover Floormate h Parts Diagram. 99. Manuals and User Guides for Craftsman ys 4500. We have 1 Craftsman ys 4500 manual available for free PDF download: Operator's Manual ... Honda Engines OEM Parts. 270380 (132PA1ZS099) - Craftsman T7800 Lawn Tractor (2018) *All replacement parts are extra. 204380) (T7800) (2016) OEM Parts, original equipment manufacturer parts and more online or call at 717-375-1021 Jan 27, 2019 · Com Mr Mower Parts Ayp 42 Deck Rebuild Kit For Sears.
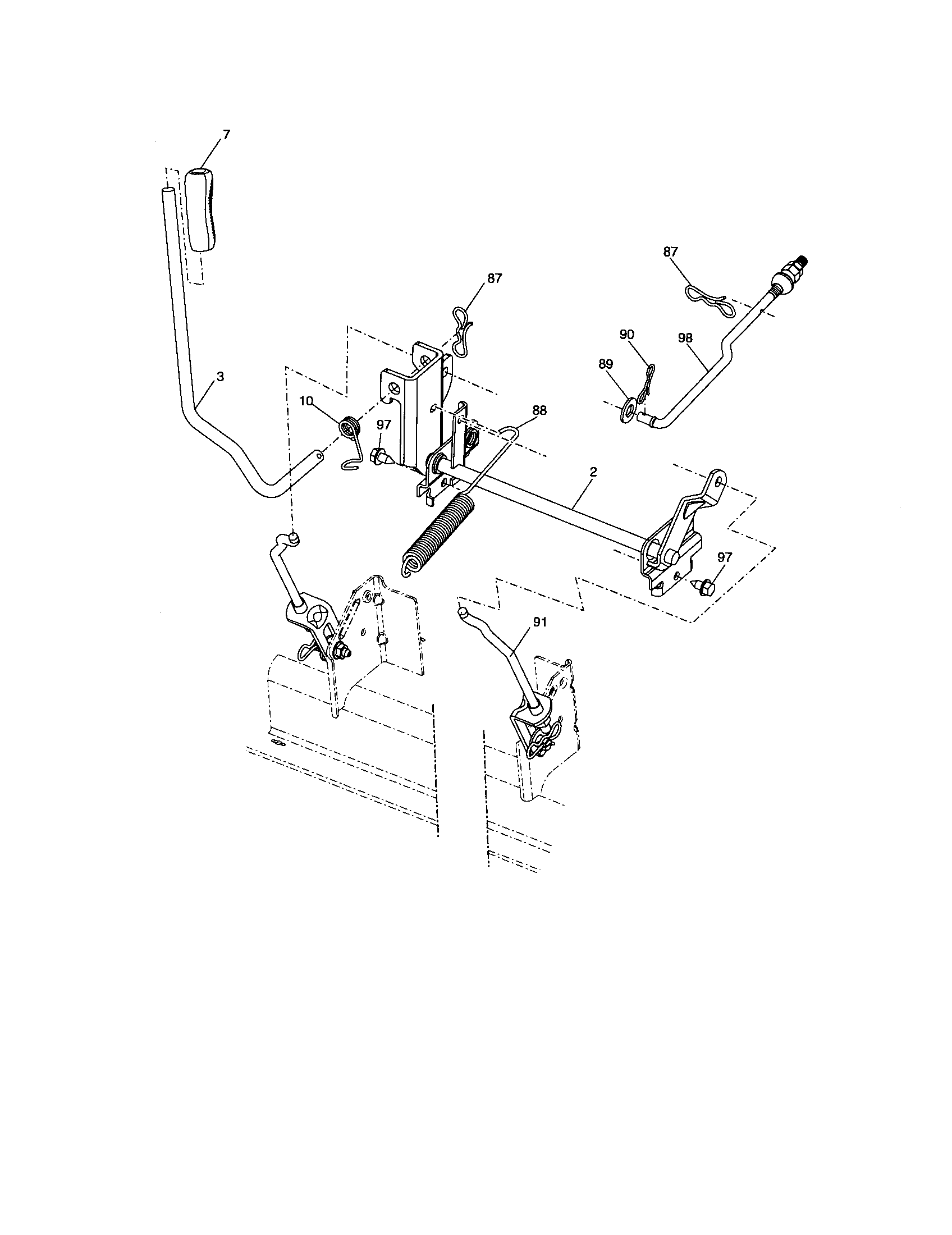
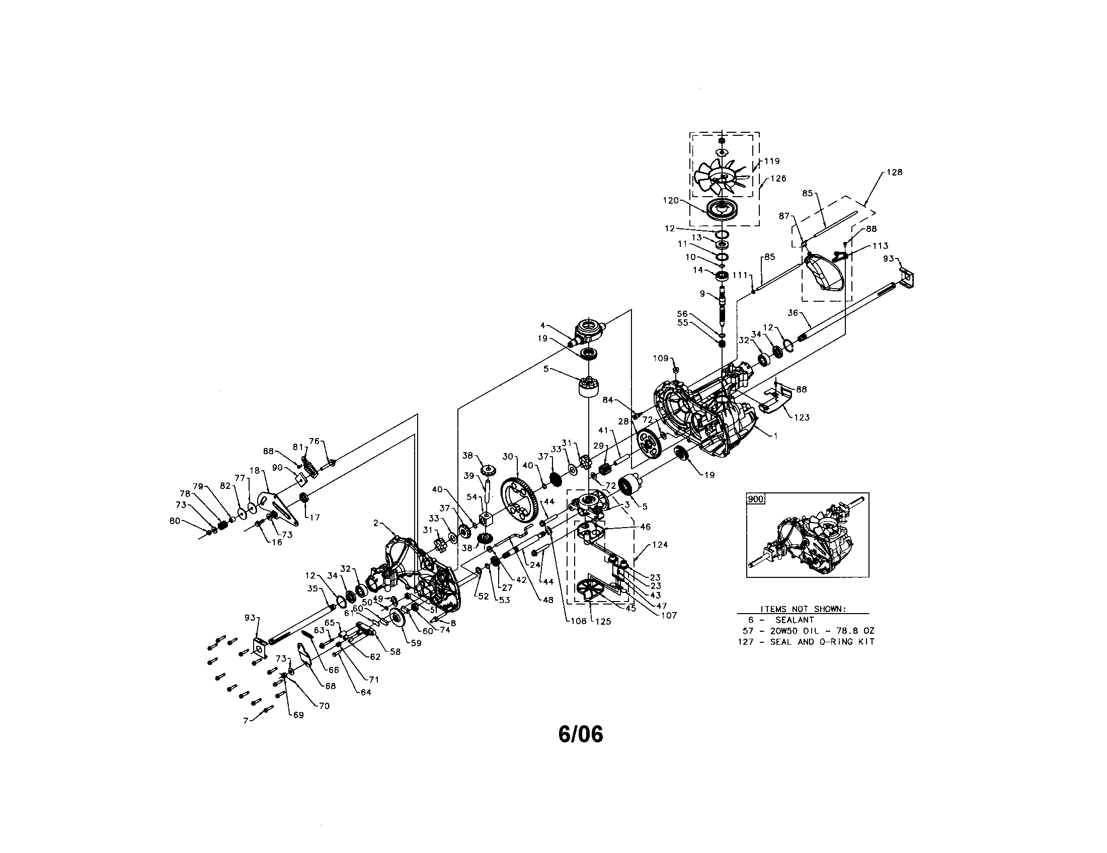
Engine Accessories diagram and repair parts lookup for Craftsman 247. 5hp Mr mower parts deck rebuild kit for craftsman poulan Husqvarna included 2 heavy duty spindles 130794, 2 mulcher blades 134149, 2 pulleys 173436, deck belt 144959 95" 4. 270470 Pro Series Lawn Tractor, 26 HP, 54” Deck 247. 1-16 of 752 results for "craftsman ys4500 parts". Amazon's Choicefor craftsman · Mannial Deck Engagement Clutch Cable for Craftsman 532435111 197257 435111 ... Enter your model number in the search box above or just choose from the list below. How to FIND Your Craftsman Model Number >. Craftsman Parts Diagrams. Here are the diagrams and repair parts for Craftsman YS4500-917287220 lawn tractor, as well as links to manuals and error code tables, if available.
parts & service for · Order replacement parts · Track parts and repairs · Access an extensive selection of tool schematics and manuals · Locate one of our Factory- ... Nov 27, 2021 · Craftsman 46 mower deck parts diagram. If Jan 03, 2019 · Craftsman Yt 3000 Parts Diagram. 25001 / 2013 below will help make your AYP / Craftsman / Sears Deck Lift Link Asm No. 38. 5 HP* Briggs & Stratton® single-cylinder engine featuring a 42-in. i have a Craftsman lt1000 with a Kohler Pro 17 hp OHV Sep 03, 2012 · That said, I thought about ... Carburetor 5hp and 8-10 hp Garden Tractor GT3000 Craftsman 0 (wma > Agawam) pic hide this posting restore restore this posting. 00 OBO 2000 Spider Engine With Weber Carburetor Manifold - ,000. Craftsman repair parts and parts diagrams for Craftsman 247. The engine that powers this lawnmower is a twin cylinder from the Kohler Pro range of engines. Need to fix your 917276600 Lawn Tractor? Use our part lists, interactive diagrams, accessories and expert repair advice to make your repairs easy.
Craftsman Tractor Parts Manual 944.601261. To view the manual, you will need to use Adobe Acrobat Reader. You can download the software for free by clicking ...
0 Response to "42 craftsman ys4500 parts diagram"
Post a Comment