41 1756 if8 wiring diagram
How to create a database diagram s in visual studio code? Ask Question Asked 1 year, 4 months ago. Active 6 months ago. Viewed 8k times 9 1. I am trying Visual studio code to code the database but I cannot create the database diagram. Is there a way I can create it just like in SSMS. The best database diagram tools. 1. Lucidchart. There are many parts to a violin, viola, and cello, and these diagram s show the basic parts and names of areas on the stringed instrument shown. The interior of...Now, we just need to solve for w using the information given in the diagram.We need to ask ourselves which parts of a triangle 10 and w are relative to our known angle of 25 o. 10 is opposite this angle, and w is the hypotenuse.
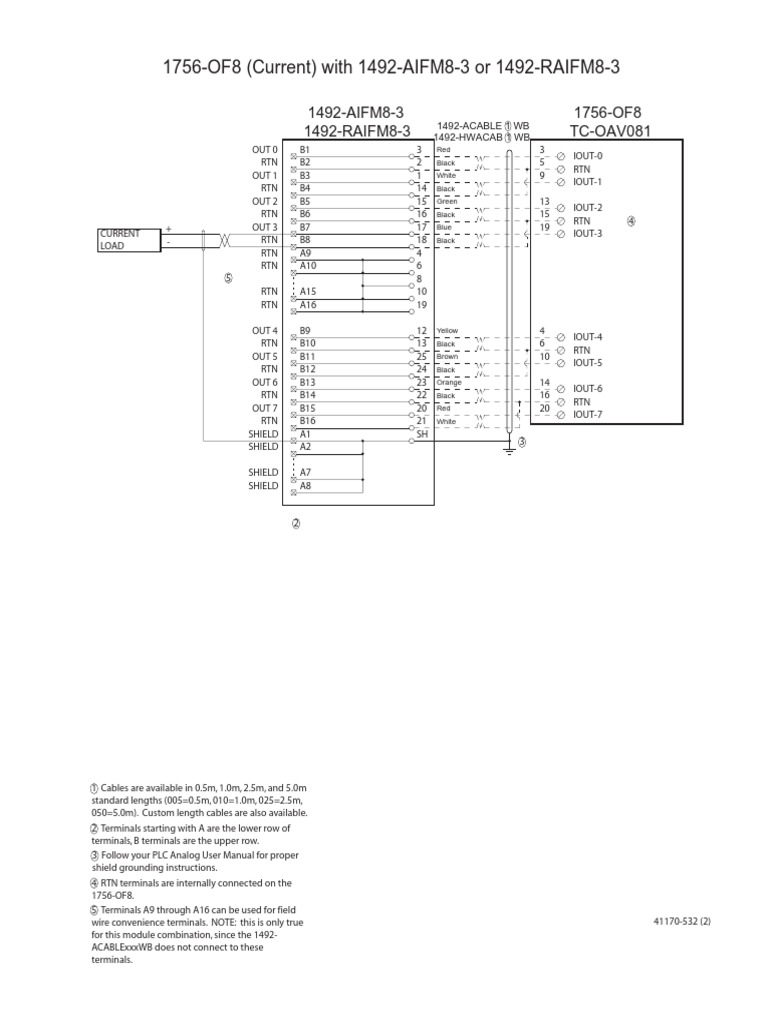
1734-ib8s Wiring Diagram Cat3 All circuits usually are the same voltage ground single component and changes. 638739 wiring inputs on a 1769 if8 1769-ow8 wiring diagram 17... 1756-if16 Single Ended To 1492-aifm8-f-3 Wiring Diagram

1756 if8 wiring diagram
The 40 year old soap actress has been on. She leaves her long-standing role. She is an actress known for Hollyoaks 1995 The Dark Knight 2008 and Hollyoaks. She said the move was about empowerment and. Sarah Jayne Dunn attends the TV Choice Awards at The Dorchester on September 10 2018 in London England. 1756 ControlLogix I/O Specifications. 1756-IF8. ControlLogix voltage/current analog input module ... In this wiring diagram, an external, user-.248 pages Wiring Diagram. Contact; ... 39 ford f250 4x4 front axle diagram. I have a 1999 F250 7.3L. When I cycle the ignition, the 4x4 light comes on, and clears as it should. I have manual locking… Written By Antonio J. Oliver. December 03, 2021 Add Comment Edit. 39 bolens 38 inch riding mower belt diagram.
1756 if8 wiring diagram. Rockwell Automation 1756-XXXX ControlLogix Analog I/O Modules User Manual • Wire the 1756-if8 module • Rockwell Automation Equipment. 1756-IF8, 8 channels wiring diagram datasheet, cross reference, circuit and application notes in pdf format. Updated diagram labels for wiring the 1756-IF6I Module. Chapter 6 ... 1756-IF8 Module Fault Word Bits – Floating Point Mode. . . . . . . 78. 1769-ow8i Wiring Diagram. Harrietta Marchand. November 10, 2021. November 10, 2021. 2. 1769 If8 Module Doesn T Read My Analog Input General Discussion Inductive Automation Forum. 1769 If16c Wiring Diagram Faedlo. 1769 Compact I O Modules Specifications Pdf Free Download. 2.
1756-if8 analog input wiring. 1756-if8 /a. 1756-if8 /a wiring diagram. 1756-if8 allen bradley. Oct 01, 2019 · 宝塚の広告企画会社クルーズが年に4回発行している地域コミュニティ情報誌ComiPa!(コミパ!)<br> 宝塚市のグルメやお稽古、街の素敵な情報を発信!<br> 情報提供して ... 1756-if16 Single Ended To 1492-aifm8-f-3 Wiring Diagram Standard IO Module Wiring 1756 ControlLogix standard IO modules require either a Removable Terminal Block RTB or a 1492 interface module IFM... 1762 Ow16 Wiring Diagram 1734-ib8s Wiring Diagram Cat3 All circuits usually are the same voltage ground single component and changes. 638739 wiring inputs on a 1769 if8 1769-ow8 wiring diagram 17... 1756-if16 Single Ended To 1492-aifm8-f-3 Wiring Diagram HaokHome MR47 Peel and Stick Wood Wallpaper Shiplap Light GreyWhiteBlue Distressed Wood Plank Removable Wallpaper Self-Adhesive 177in x 98ft 44 out of 5 stars 4825 674 6.
40 gorman rupp pump parts diagram. Written By Stephanie J. Cox Monday, November 15, 2021 Add Comment. Edit. Gorman - Rupp 12451A - Seal Assy $ 397.46 Gorman - Rupp 10959G 20000 - gasket CK $ 3.70 Gorman - Rupp S300 - O-Ring Buna $ 1.54 Gorman - Rupp 5889 17000 - ADJ Shim Set SST Gorman rupp pump parts diagram. Cast iron carbon steel shaft. A physical network diagram illustrates the interconnection of the devices in the network with wires and cables. In contrast, the logical network diagram...4 answers · 7 votes: A logical network diagram usually shows network devices like routers, firewalls, and voice gateways. ... Data Modeling: Conceptual vs Logical vs Physical Data Model Data modeling is a technique to document a software ... Other changes have been made throughout this manual and, although ... 1756-IF8. 8-point non-isolated analog current/voltage input module.354 pages Manual. ControlLogix. Analog I/O. Modules. (Cat. No. 1756-IF16, IF6I,. IF8, IR6I, IT6I, OF4, OF6CI,. OF6VI, OF8). Allen-Bradley ...255 pages
厦门智厉源贸易有限公司提供a20b-1004-0880厂家现货报价图片,技术文章,行业资讯,如果您对我公司的产品服务感兴趣,请联系我们,欢迎点击访问或来电问询!
Other changes have been made throughout this manual and, although ... Wiring the 1756-IF8 Module . ... Calibrating the 1756-IF16 or 1756-IF8 Modules .354 pages
Wiring Diagram. Contact; ... 39 ford f250 4x4 front axle diagram. I have a 1999 F250 7.3L. When I cycle the ignition, the 4x4 light comes on, and clears as it should. I have manual locking… Written By Antonio J. Oliver. December 03, 2021 Add Comment Edit. 39 bolens 38 inch riding mower belt diagram.
1756 ControlLogix I/O Specifications. 1756-IF8. ControlLogix voltage/current analog input module ... In this wiring diagram, an external, user-.248 pages
The 40 year old soap actress has been on. She leaves her long-standing role. She is an actress known for Hollyoaks 1995 The Dark Knight 2008 and Hollyoaks. She said the move was about empowerment and. Sarah Jayne Dunn attends the TV Choice Awards at The Dorchester on September 10 2018 in London England.
0 Response to "41 1756 if8 wiring diagram"
Post a Comment