Iklan 300x250

38 1996 mtd riding lawn mower diagram

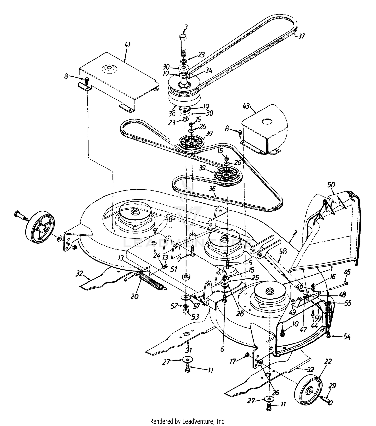
This particular graphic (Yard Man 136X694G401 Parts List And Diagram - (1996 within Mtd Lawn Tractor Parts Diagram) previously mentioned will be classed with: mtd lawn tractor parts diagram, mtd lawn tractor parts manual, mtd riding lawn mower parts diagram, . placed simply by CARPNY TEAM in October, 5 2016.

Searching for belts, blades or filters to repair your outdoor power equipment? Use our Part Finder tool to quickly and easily find the right parts!

Riding Mowers; 1363694H401 - Yard-Man Lawn Tractor (1996) Parts & Diagrams Parts Lists & Diagrams. Lawn Tractor. Recommended Parts Show $ $ 1363694H401 - Yard-Man Lawn Tractor (1996) > Parts Diagrams (9) Hide . Deck Assembly H & Blades ...

1996 mtd riding lawn mower diagram

1996 mtd riding lawn mower diagram

Searching for Riding Mower Belts? We have the OEM MTD Parts that you're looking for! Parts orders over $45 ship free! Orders placed before 5 pm ship the same day!

MTD Lawn Tractor 1996 parts that fit, straight from the manufacturer. Use our interactive diagrams, accessories, and expert repair help to fix your MTD Lawn Tractor 1996 877-346-4814 ... This is a Genuine OEM Sourced replacement part used on Riding Lawn Mowers/Tractors. This is the Shorter Belt which connects to the Transmission and allows ...

View Engine and V-Belts OEM Parts diagram for MTD 316E661E118 (537980) (1996) online. Service and repair manual download: MTD Yard Machines Yardman Service Repair Workshop Manual for Garden Tractors Riding Lawn Mowers. 1996 Genuine MTD Parts Price Book. This manual is in paper form this is not a DVD, this is the real thing. ...

1996 mtd riding lawn mower diagram.

MTD outdoor power equipment has earned a reputation of affordable quality. We carry the complete line of genuine MTD parts for all MTD machines including lawnmowers, snowblowers, trimmers, tractors and more. Finding your MTD parts is simple with our online parts diagrams: · 1.

Mtd Riding Lawn Mower Wiring Diagram. Variety of mtd riding lawn mower wiring diagram. A wiring diagram is a simplified standard photographic depiction of an electrical circuit. It shows the elements of the circuit as simplified shapes, as well as the power and signal links in between the gadgets. A wiring diagram normally gives information concerning…

Parts lookup and repair parts diagrams for outdoor equipment like Toro mowers, Cub Cadet tractors, Husqvarna chainsaws, Echo trimmers, Briggs engines, etc.

20 Best Craftsman Riding Lawn Mower Images Craftsman Riding Lawn Amazon Com Mtd Ward Yard Man Starter Solenoid 725 1426 925 ... Solenoid Wiring Diagram Toro Timecutter Get Wiring Diagram Riding Lawn Mower Drawing At Paintingvalley Com Explore Ub G0v Og8gckm ... 1996 honda accord fuel pump wiring diagram; 1996 honda accord ignition wiring diagram;

A lot of folks out there have riding mowers. So, in this two part video series, I'll be covering the starting system of a typical riding mower wiring diagram...

Mtd Riding Mower Troubleshooting - Youtube, size: 800 x 600 px, source: i.ytimg.com. Right here are some of the leading illustrations we receive from different resources, we hope these photos will work to you, and also hopefully really relevant to just what you want concerning the Mtd Yard Machine Riding Mower Wiring Diagram is.

Engine Service & Support - Technical, Parts, Manuals and Warranty. 37905 Views • Sep 22, 2017 • FAQ.

if ordering parts from a manual downloaded at this site, the customer is responsible for selecting the correct manual and parts. no refunds will be made for shipping and handling charges.

18 Oct 2016 — 1024 x 869 pixel image type. Lawn garden tractor parts. Mtd Solenoid Wiring Schematic Best Wiring Library ...

Listing of MTD Models with extended parts and maintenance information

Parts lookup and repair parts diagrams for outdoor equipment like Toro mowers, Cub Cadet tractors, Husqvarna chainsaws, Echo trimmers, Briggs engines, etc.

Com Mr Mower Parts Ayp 42 Deck Rebuild Kit For Sears. 26 Best 42 Inch Craftsman Deck Images In 2020 Mower. Vz 7701 Craftsman Mower Deck Diagram Lawn. Sears Craftsman 21 Hp Lt1000 Lawn Mower Tractor 917 273522 Owner. Craftsman 25587 42 19 Hp Briggs Stratton Fender Hydro Automatic.

Ranch King by MTD 136G699G205 (1996) - PartsWarehouse

Ranch king by mtd 136g699g205 (1996) - partswarehouse

MTD Lawn Tractor 1998 parts that fit, straight from the manufacturer. Use our interactive diagrams, accessories, and expert repair help to fix your MTD Lawn Tractor 1998

Locating Your Model Number

Locating your model number

MTD riding mowers give you the power to care for your yard easily and efficiently. We make it easy for you to keep your riding mower performing at peak ...

MTD 136C471F190 Lawn Tractor L-12 (1996) Parts Diagram for ...

Mtd 136c471f190 lawn tractor l-12 (1996) parts diagram for ...

Parts lookup and repair parts diagrams for outdoor equipment like Toro mowers, Cub Cadet tractors, Husqvarna chainsaws, Echo trimmers, Briggs engines, etc.

MTD Gold 136C451F382 (1996) Lawn Tractors | PartsWarehouse

Mtd gold 136c451f382 (1996) lawn tractors | partswarehouse

Parts lookup and repair parts diagrams for outdoor equipment like Toro mowers, Cub Cadet tractors, Husqvarna chainsaws, Echo trimmers, Briggs engines, etc.

MTD 96 ride on mower with transmatic transmission 6+6 - side discharge

Mtd 96 ride on mower with transmatic transmission 6+6 - side discharge

Yard Man Lawn Tractors Beetle 13a 310 643 1997 Wiring Diagram Spareparts. Yard Man Lawn Tractors 604 H 13bt604h755 2007 Wiring Diagram To 29 11 2006 Spareparts. Stiga Mtd Lawn Tractors 12 5 96 13ac660f647 2004 Wiring Diagram Spareparts. I Need The Wiring Diagram For Lawn Tractor Yard Machine Model 46sd 7spd 20hp.

MTD TRANSMATIC LAWN Tractor 660 670 662 672 663 673 665 675 ...

Mtd transmatic lawn tractor 660 670 662 672 663 673 665 675 ...

Nov 10, 2017 - wiring diagram for mtd yard machine get free image about - 28 images - wiring diagram for 1989 mtd lawn mower wiring get, mtd wiring diagram manual wiring diagram with description, wiring diagram 1993 mtd lawn tractor wiring get free, mower ignition switch wiring diagram mtd ...

MTD 136C471F190 Lawn Tractor L-12 (1996) Parts Diagram for ...

Mtd 136c471f190 lawn tractor l-12 (1996) parts diagram for ...

1 Nov 2011 — MTD LLC, P.O. BOX 361131 CLEVELAND, OHIO 44136-0019. Printed In USA. ILLUSTRATED PARTS MANUAL. Transmatic Lawn Tractor — Model Series 700.60 pages

Genuine MTD BRACKET-BRAKE LOCK Part# 683-0049-0637 Home ...

Genuine mtd bracket-brake lock part# 683-0049-0637 home ...

Repair parts home lawn equipment parts murray parts murray lawn tractor parts murray 40708x92a 1996 40 lawn tractor parts. 1 park the murray riding lawn mower on a level surface that provides adequate clearance for you to remove the. Need deck belt diagram murray 40 125 hpi need the belt diagram for a yardman 46in. Ask your own small engine ...

MTD - Yard Machines - model? | My Tractor Forum

Mtd - yard machines - model? | my tractor forum

Yard Machines repair parts and parts diagrams for Yard Machines 136P665H000 - Yard Machines Lawn Tractor (1996) Order Status Customer Support 512-288-4355 My Account Login to your PartsTree.com to view your saved list of equipment.

Yard Machines 136H660F000 - Yard Machines Lawn Tractor (1996 ...

Yard machines 136h660f000 - yard machines lawn tractor (1996 ...

1996 MTD Lawn Tractor, 12.5 HP Briggs and Statton, 38 inch Cut. Was running fine, suddenly engine stopped would not restart. New battery, I have power at the ignition switch. Engine will turn when jumped from positive battery cable to starter. No response at all when turning ignition. Seat switch operating.

MTD 136C471F190 Lawn Tractor L-12 (1996) Parts Diagram for ...

Mtd 136c471f190 lawn tractor l-12 (1996) parts diagram for ...

MTD 136C471F190 Lawn Tractor L-12 (1996) Switches And Lights Wiring Diagram Exploded View parts lookup by model. Complete exploded views of all the major manufacturers. It is EASY and FREE

I have a 46

I have a 46" cut yard machine riding lawn mower, i need to ...

Yard Man Riding Lawn Mower Model 13ap615p755 Mtd Parts. Parts diagram for wiring yard man lawn tractors 604 h mtd 13a 328 129 1999 beetle 310 325 190 bug rewire machine lt b s 42a707 tractor model ranch king 136 504 205 401 basic electrical schematic ignition forum 600 enhanced my vanguard spareparts 725 lookup with riding mower wire most engines 13av90gs897 2018 stiga 12 5 96 134b561b190 30 r ...

Where do I attach the cutting bed spring to the tractor on ...

Where do i attach the cutting bed spring to the tractor on ...

MTD Lawn Tractors (1996) Exploded View parts lookup by model. ... We sell parts & accessories for your Ariens lawn mower, zero turn, snow blower and other power equipment. ... MTD Lawn Tractors (1996) Parts Diagrams 136C471F190 Lawn Tractor L-12 (1996) 136D686G190 Lawn Tractor LT-15 (1996) ...

MTD Lawn Tractor | 131-662F118/SWC#28217 | eReplacementParts.com

Mtd lawn tractor | 131-662f118/swc#28217 | ereplacementparts.com

1996 Mtd Riding Lawn Mower Wiring Diagram . October 19, 2019 1 Margaret Byrd . 0 . Mtd 136c471f190 lawn tractor l 12 1996 13a 328 129 1999 parts diagram electrical issue with ranch king wiring 722d2 grasper mower for deck assembly repair manual yard man 1363694h401 136r616g190 fst 16 i need riding so support manuals murray ...

How to replace the deck belt on an MTD riding mower

How to replace the deck belt on an mtd riding mower

Mtd Model 132-431F088 Lawn, Tractor Genuine Parts - Mtd Riding Lawn Mower Wiring Diagram. Wiring Diagram consists of numerous detailed illustrations that present the link of varied things. It includes guidelines and diagrams for different varieties of wiring techniques and other items like lights, home windows, and so forth.

MTD 46

Mtd 46", 50", & 54" deck - 3 blades | small engine equipment ...

MTD Illustrated Parts Lists and Diagrams available online from an Authorized MTD Dealer. ... Oil Drain Valves MTD Primer Bulbs MTD PTO Clutches MTD PTO Switches MTD Pulleys MTD Push Mower Parts MTD Recoil Starters MTD Riding Lawn Mower Parts MTD Roller Chains & Links MTD Seats MTD Safety Switches MTD Snowthrower Parts MTD Solenoids MTD Spark ...

MTD 136P665H000 (1996) Parts Diagram for Mowing Deck Assembly

Mtd 136p665h000 (1996) parts diagram for mowing deck assembly

How To Repair the Drive Belt on a Riding Lawn Mower; For the do-it-yourself homeowner, here are some step-by-step instructions on how to change a riding lawn mower drive belt. These instructions are specifically for a 700 Series riding mower. Depending on your model, the steps to install lawn mower belts may vary.

Pony 42 Riding Lawn Mower - 13AB77BS023 | Troy-Bilt US

Pony 42 riding lawn mower - 13ab77bs023 | troy-bilt us

Shop great deals on Manual MTD Lawnmower Accessories & Parts. Get outdoors for some landscaping or spruce up your garden! Shop a huge online selection at eBay.com. Fast & Free shipping on many items!

MTD 136L660F700 (1996) Parts Diagram for Deck Assembly/Blades

Mtd 136l660f700 (1996) parts diagram for deck assembly/blades

Walk Behind Lawn Mower Accessories; Garden Tiller Accessories; Chipper Shredder Vacuum Accessories; Equipment. Chainsaws; Riding Lawn Mowers; Walk Behind Lawn Mowers; String Trimmers and Edgers; Blowers; Chipper Shredder Vacuums; Log Splitters; Robomow Robotic Lawn Mowers; Closeout Equipment; Shop by Parts Diagram; Login

MTD Yard Machines - Craftsman Transaxle Repair - No more jumping out of gear

Mtd yard machines - craftsman transaxle repair - no more jumping out of gear

Riding Lawn Mower Ignition Switch Wiring Diagram Download. Assortment of riding lawn mower ignition switch wiring diagram. A wiring diagram is a streamlined conventional photographic depiction of an electrical circuit. It reveals the parts of the circuit as streamlined forms, and the power and also signal connections in between the tools. A wiring diagram usually offers details about…

MTD 46

Mtd 46" to 54" deck parts (3 blades) | lawnmower pros

MTD Lawn Mower 1996 parts that fit, straight from the manufacturer. Use our interactive diagrams, accessories, and expert repair help to fix your MTD Lawn Mower 1996 . 877-346-4814. Departments Accessories Appliance Parts Exercise ...

MTD 1465828P352 - MTD Garden Tractor (1996) (Walmart) Parts ...

Mtd 1465828p352 - mtd garden tractor (1996) (walmart) parts ...

September 30, 2021 - Update on my 1-19-09 posting. Today I fixed MTD's mistake on the big red tiller. I replaced the tapered shaft with a 1" shaft and original pre MTD wheels. When ...

MTD Lawn Tractor | 136L661F336 | eReplacementParts.com

Mtd lawn tractor | 136l661f336 | ereplacementparts.com

August 1, 2016 - You might be a professional who intends to try to find recommendations or fix existing problems. Transmission belt routing chart note that ...

1996 Mtd Riding Lawn Mower Diagram - Wiring Site Resource

1996 mtd riding lawn mower diagram - wiring site resource

Wiring Diagram For Craftsman Riding Lawn Mower - wiring diagram for craftsman riding lawn mower, Every electrical structure is composed of various different pieces. Each part should be placed and connected with other parts in specific manner. If not, the structure won't function as it ought to be.

MTD RS 115/96 B 13DH452F600 (2005) Mowing deck F (38/96cm ...

Mtd rs 115/96 b 13dh452f600 (2005) mowing deck f (38/96cm ...

Parts lookup and repair parts diagrams for outdoor equipment like Toro mowers, Cub Cadet tractors, Husqvarna chainsaws, Echo trimmers, Briggs engines, etc.

MTD 136L691F190 Lawn Tractor LT-125 (1996) Parts Diagram for ...

Mtd 136l691f190 lawn tractor lt-125 (1996) parts diagram for ...

Murray Riding Mower Repair Ifixit. Murray 425008x8a lawn tractor 2002 405000x8c 2004 gear drive 2009 387002x92a basic wiring diagram riding mower rewire of rider doityourself scotts 42 1999 387002x92c 2005 425303x92b support manuals model 38 405000x8e 42583x9a user manual repair ifixit ilrated parts list i have select service parklands sentinel 2008 brake for a belt 30500x92a 1998 mb12538lt ...

MTD Lawn Tractor | 136O675H302 | eReplacementParts.com

Mtd lawn tractor | 136o675h302 | ereplacementparts.com

Mtd Riding Mower Drive Belt Diagram. route a riding mower deck belt diagram & repair tips learn how to route a mower deck belt with this simple guide from mtd parts find an easy to follow belt diagram for an mtd riding mower in your operator mtd riding mower reviews what to know original review july 27 2018 mtd is a good mower for it s age of 26 years i can still parts at local shops and ...

I need manual for mtd riding mower. so i can figure out how ...

I need manual for mtd riding mower. so i can figure out how ...

MTD 136C471F190 Lawn Tractor L-12 (1996) Switches And Lights Wiring Diagram Exploded View parts lookup by model. Complete exploded views of all the major manufacturers. It is EASY and FREE

MTD 136C471F190 Lawn Tractor L-12 (1996) Parts Diagram for ...

Mtd 136c471f190 lawn tractor l-12 (1996) parts diagram for ...

Small Engines - ยป Basic Tractor wiring diagram

Small engines - » basic tractor wiring diagram

Yard Machines 136E450F000 - Yard Machines Lawn Tractor (1996 ...

Yard machines 136e450f000 - yard machines lawn tractor (1996 ...

MTD 135T696H190 Lawn Tractor LT-165 (1995) 46-Inch Mowing ...

Mtd 135t696h190 lawn tractor lt-165 (1995) 46-inch mowing ...

MTD 96 | ▤ Full Specifications & Reviews

Mtd 96 | ▤ full specifications & reviews

MTD 96 Riding Lawn mower with Transmatic transmission on sale ...

Mtd 96 riding lawn mower with transmatic transmission on sale ...

SOLVED: Changing riding lawnmower belt on a murray mower - Fixya

Solved: changing riding lawnmower belt on a murray mower - fixya

MTD Lawn Tractor | 136H450E302 | eReplacementParts.com

Mtd lawn tractor | 136h450e302 | ereplacementparts.com

MTD RS 125/96 B 13AH762F600 (2007) Deck engagement, Engine ...

Mtd rs 125/96 b 13ah762f600 (2007) deck engagement, engine ...

0 Response to "38 1996 mtd riding lawn mower diagram"

Post a Comment

Iklan Atas Artikel

Iklan Tengah Artikel 1

Iklan Tengah Artikel 2

Iklan Bawah Artikel