41 audiobahn aw1251t wiring diagram
Audiobahn AW1251T 12" subwoofer features: 12" natural sound subwoofer with dual 4-ohm voice coils. 2 or 8 ohm operation. 400W RMS Power Handling. 1400W Max Power Handling. Frequency Response: 24Hz - 1000Hz. Efficiency 92.1dB. Poly coated 2 layer non-pressed paper cone. Wiring diagram for aw1251t audiobahn subwoofer - AudioBahn Car Audio & Video question.
26 Mar 2009 — audiobahn aw1251j wiring diagram for natural soun subwoofer and it will be hooked to a 2 ch amp bridgable. how audio.

Audiobahn aw1251t wiring diagram
Aw1251t DVC diagram wiring 2 ohms - AudioBahn AW1251 Car Subwoofer. Posted by Anonymous on Aug 29, 2013. Want Answer 0. Clicking this will make more experts ... Btm56rb34d3.7m Wiring Diagram; Audiobahn Aw1251t Wiring Diagram; Bush Hog M2260 Wiring Diagram; Kenwood Kdc 210u Wiring Diagram; 2005 Gmc Envoy Serpentine Belt Diagram; M54 Coil Wiring Diagram; Naze32 Rev6 Wiring Diagram; 06 Chevy Express 4.3l Wiring Diagram; Recent Comments. Chris F. on Nutone intercom wiring diagram Audiobahn aw1051t wiring diagram wiring diagram is a simplified within acceptable limits pictorial representation of an electrical circuit it shows the components of the circuit as simplified shapes and the gift and signal friends in the company of the devices. Aw1251t subwoofer pdf manual download. View and download audiobahn aw1251t operating ...
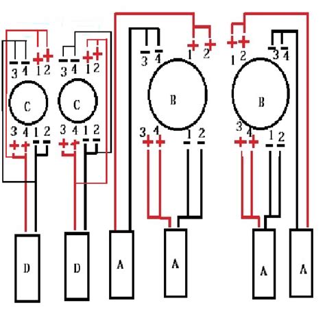
Audiobahn aw1251t wiring diagram. This diagram is drawn as if the cone of the subwoofer is facing down. toward the ground and you are looking down at the voice coils. Parallel Wiring. Audiobahn Aw1251t Wiring Diagram Download Audiobahn Aw1251t Wiring Diagram Recognizing the showing off ways to get this books Audiobahn Aw1251t Wiring Diagram is additionally useful. You have remained in right site to begin getting this info. acquire the Audiobahn Aw1251t Wiring Diagram associate that we provide here and check out the link. Audiobahn Aw1251t Wiring Diagram If I have 2 Audiobahn AWT subs which are 4 ohm dual voice coil then how would I wire them to get the loudest bass out of them. View and Download Audiobahn AWT operating instructions manual online. For some upgrades and recent news about (Awesome Audiobahn Aw1251t Wiring Diagram ) pictures, please kindly follow us on twitter, path, Instagram and google plus, or you mark this page on bookmark section, We attempt to offer you up grade periodically with fresh and new shots, love your searching, and find the right for you.
23 Dec 2010 — It has dual voice coils which are driven independently. Hope the diagrams help out. Just make sure you know how many ohms your amp is. Wiring ... Audiobahn Aw1251t Wiring Diagram. View and Download Audiobahn AWT operating instructions manual online. Natural Sound Subwoofer. AWT Subwoofer pdf manual download. If I have 2 Audiobahn AWT subs which are 4 ohm dual voice coil then how would I wire them to get the loudest bass out of them. Right, here are the specs: Audiobahn AWT 12" subwoofer ... 13 Sep 2011 — I used to have exactly the same subwoofer. It has dual voice coils which are driven independently. Hope the diagrams help out. Just make sure ... audiobahn aw1251t wiring diagram for natural soun subwoofer it has termanails on bothsides and it will be the only - Car Audio & Video question.
39 Audiobahn Aw1251t Wiring Diagram. Written By Darlene J Gonzalez Wednesday, September 1, 2021 Add Comment. Edit. Audiobahn aw1251t wiring diagram. Audiobahn Aw1051t Aw 1051t 10 Dual 4 Ohm Natural Sound Sub. Instructions And Maintenance Handbook Pto Powered Gen Sets. Wiring Diagrams Bartolini Pickups Amp Electronics. Audiobahn Aw1251x R B. Wiring 2 Audiobahn AW1251T - Audio experts know tricks to making subs beat harder. If I have 2 Audiobahn AW1251T subs which are 4 ohm dual voice coil... then how would I wire them to get the loudest bass out of them. I've seen ppl take the same set of speakers and hook them up one way and they beat View and Download AudioBahn AW1251T operating instructions manual online. Natural Sound Subwoofer. AW1251T subwoofer pdf manual download. Also for: Aw1051t, Aw1571t, Aw831t. Audiobahn aw1051t wiring diagram wiring diagram is a simplified within acceptable limits pictorial representation of an electrical circuit it shows the components of the circuit as simplified shapes and the gift and signal friends in the company of the devices. Aw1251t subwoofer pdf manual download. View and download audiobahn aw1251t operating ...
Btm56rb34d3.7m Wiring Diagram; Audiobahn Aw1251t Wiring Diagram; Bush Hog M2260 Wiring Diagram; Kenwood Kdc 210u Wiring Diagram; 2005 Gmc Envoy Serpentine Belt Diagram; M54 Coil Wiring Diagram; Naze32 Rev6 Wiring Diagram; 06 Chevy Express 4.3l Wiring Diagram; Recent Comments. Chris F. on Nutone intercom wiring diagram
Aw1251t DVC diagram wiring 2 ohms - AudioBahn AW1251 Car Subwoofer. Posted by Anonymous on Aug 29, 2013. Want Answer 0. Clicking this will make more experts ...
    
    Audiobahn Natural Sound Subwoofer Aw1051t Natural Sound Subwoofer Aw831t Natural Sound Subwoofer Aw1251t Natural Sound Subwoofer Aw1571t User Manual
    
    
    
    
    
    
    
    
    
    
    
    
    
    
    
    
    
    
    
    
    
    
    
    
    
    
    
0 Response to "41 audiobahn aw1251t wiring diagram"
Post a Comment