40 exmark lazer z wiring diagram
View and download exmark lazer z operators manual online. Exmark lazer z electrical diagram displaying sections and components for the exma... Also See for Exmark Lazer Z. Exmark Lazer Z Operator's Manual 80 pages. Exmark Turf Tracer TT20KCC. Turf Tracer HP 4500-359 Wiring Diagrams.
In some cases we may have to slightly change the style color or even equipment. Ashland avenue beatrice ne exmark lazer z electrical...

Exmark lazer z wiring diagram
Wiring Diagram Exmark Lazer Z. Sep 18 2021. Recognizing the quirk ways to get this books Wiring Diagram Exmark Lazer Z is additionally useful. eXmark Lazer HP Parts - Shank's Lawn Equipment eXmark Lazer Z X Series Parts; eXmark Phazer our Parts Assistance service. of Genuine OEM replacement parts to keep your eXmark Exmark Lazer Z - Sluggish performance -Hello everyone, I hope this is the right place to post this thread. Free Wiring Diagram. Assortment of exmark lazer z wiring schematic. A wiring diagram generally gives info concerning the family member placement as well as arrangement of gadgets and also terminals on the gadgets, to assist in structure or servicing the device.
Exmark lazer z wiring diagram. Exmark reserves the right to make changes or add improvements to its products at any time without incurring any obligation to make such changes to Exmark, or its distributors and dealers, accept no responsibility for variations which may be evident in the actual specifications of its products and the... Search anything about Wallpaper Ideas in this website. Exmark Lazer Z Ignition Switch Wiring Diagram. The start relay energizes the orangeblack Electrical system 226v grasshopper mower parts 20105 the mower throughout exmark lazer z parts diagram image size 680 x 954 px and to view... Assortment of exmark lazer z wiring schematic. A wiring diagram is a streamlined conventional photographic representation of an electric circuit. It shows the elements of the circuit as simplified shapes, as well as the power and signal links between the devices. Exmark Lazer Z Starter Wiring Diagram vincegray2014. Exmark Lazer Z Wiring Diagram Exmark Lazer Z Exmark Lazer Z Zero Turn Mower Sn 160000 169999 is one of the pictures that are related to the picture before in the collection gallery, uploaded by autocardesign.org.
The belt came off of the deck 52 inch deck and there is no manual or diagram on the deck to show how it is threaded back on. Exmark lazer z... You can get any ebooks you wanted like Exmark Lazer Z Xp Operators Manual in easy step and you can save it now. Everyone knows that reading Exmark Lazer Z Xp Operators Manual is helpful, because we can easily get a lot of information from the reading materials. Exmark Lazer Z Belt Diagram Exmark Wiring Diagram Today Diagram Database. Exmark Lazer Z Belt Diagram Details About New Stens 265 500 Oem Replacement Belt Exmark Lazer Z Xs Zero Turn Lawn Mower. Exmark Lazer Z Wiring Diagram from ww2.justanswer.com. Print the cabling diagram off and use highlighters in order to trace the routine. When you employ your finger or stick to the circuit together with your eyes, it is easy to mistrace the circuit. A single trick that I actually 2 to print a similar wiring...
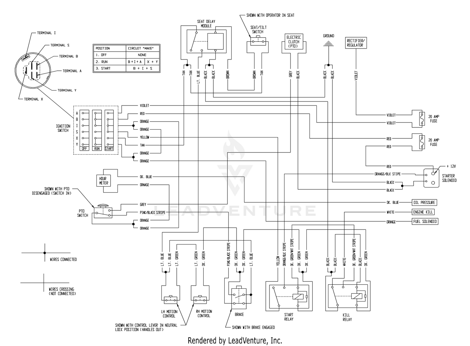
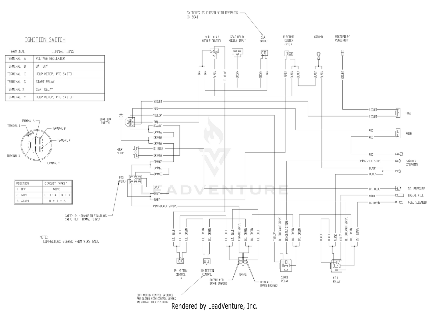
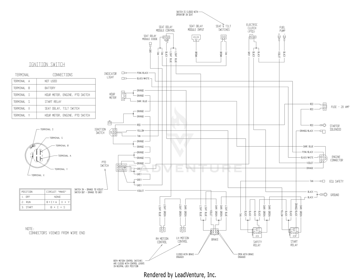
Exmark Lazer Z Wiring Schematic. By facybulkaPosted on March 2, 20197 views. The creation of the hydro drive life extension program. A wiring diagram is a streamlined conventional photographic representation of an electric circuit. Assortment of exmark lazer z wiring schematic. In part four of our maintenance series, customer service director, Paul Jurgens, shows you tips to keep your Lazer Z running smoothly. The Exmark Lazer Z... Официальный документ инструкции продукта Exmark Lazer Z предоставленный производителем Exmark. - 15 - 3.8.8 Route the long, unattached wiring harness lead up the left hand side of the handle and connect the two leads, in any order, to the Страница 39. - 34 - 8. wiring diagrams. Schematics. Electrical Diagram — Kohler. Violet. Dk green. Om. Wire end. Terminal. Connections. Lazer Z HP 465. Popular Brands.
07 Exmark Lazer Z Wiring Diagram. Wiring Issue Of Lazer Hp. Exmark Lazer Wiring Diagram. You may need not certainly be a networking professional in getting the chance to wire CAT6 cable to an RJ-45 connector.

Diagram Based Wiring Diagram Exmark Lazer Z Completed Exmark Lze740ekc604 S N 313 000 000 Up Parts Diagrams
Exmark Lazer Z Wiring Diagram- wiring diagram is a simplified tolerable pictorial representation of an electrical circuit. It shows the components of the circuit as simplified shapes, and the capability and signal links between the devices. A wiring diagram usually gives recommendation approximately the...
Exmark Lazer Z Wiring Diagram from ww2.justanswer.com. Effectively read a wiring diagram, one provides to know how the components in the system operate. For example , when a module will be powered up and it sends out a signal of fifty percent the voltage and the technician would not know...
Exmark mower part diagram 48 belt wiring hub lazer z get free image about oem spec replacement belt for exmark 706087 1 633127 lazer z 60 exmark pioneer s series mower overview shank lawn blog 48 inch parts belt diagram exmark drive belt diagram beautiful encore zero turn basic guide wiring of.
These Wiring Diagram Exmark Lazer Z s may be mounted by making use of cable ties, cable trays and so on. The twisted pair Wiring Diagram Exmark Lazer Z s are suitable for carrying indicators as it contains distinctive pairs of conductors that happen to be twisted jointly.
Exmark lazer z manual PDF exmark lazer z 26 HP wiring diagram schematron org.
Exmark lazer z mower wiring diagrams. Air-cooled models (56 pages) Page Wiring.Solenoid wiring help on older Exmark Lazer HP | LawnSiteEXMARK LAZER Z OPERATOR'S MANUAL Pdf Download.

Exmark Lzas26lka604 Exmark 60 Lazer Z As Zero Turn Mower 26hp Kawasaki Sn 850000 919999 2010 Air Cooled Electrical Logic Schematic Parts Lookup With Diagrams Partstree
Print the wiring diagram off plus use highlighters to trace the signal. When you make use of your finger or perhaps the actual circuit with your eyes, it is easy I printing the schematic and highlight the signal I'm diagnosing in order to make sure Im staying on right path. Exmark Lazer Z Ignition Switch Wiring...
Exmark Lazer Wiring Diagram. If you have any questions or concerns contact the Exmark Customer Service department at 402-223-6375 or visit Displaying Electrical Diagram Kohler 26 HP EFI parts for the eXmark Lazer Z - Exmark Lazer Z Zero-Turn Mower SN. Cub Cadet Xt1 Deck Belt Diagram.

I Am Rewireing A 26 Hp Kawasaki On A Exmark Mower Can You Give A Quick Breakdown Of What The Essentials Are
Explore the Lazer Z X-Series and the 96. Exmark Radius X-Series delivers the cut quality and durability professionals demand with a host of new features and innovations.
5 21 2021 diagram exmark lazer wiring diagram full credit hd setting wiring diagram artofdiagrams accademia archi it schematics electrical diagram kohler 7 14 2019 exmark lazer z wiring diagram wiring diagram is a simplified suitable pictorial representation of an electrical circuit it shows the...

Exmark Lazer Z Wiring Schematic 35 Images Exmark Lazer Z Ignition Switch Wiring Diagram Exmark Lazer Z Wiring Schematic Free Wiring Diagram Exmark Wiring Diagram Lhp19ka4650
View online (52 pages) or download PDF (1 MB) Exmark Lazer Z CT User manual • Lazer Z CT lawnmowers PDF manual download and more Exmark online manuals. Remove spark plug wire(s) or remove key before adjusting, servicing, or performing maintenance. 7. ELECTRICAL DIAGRAM.

Exmark Lazer Z Xs S N 540 000 599 999 Lz31bv604 S N 540 000 599 999 2005 Late Lz31bv724 S N 540 000 599 999 2005 Late Electrical Diagram Shanks Lawn
Free Wiring Diagram. Assortment of exmark lazer z wiring schematic. A wiring diagram generally gives info concerning the family member placement as well as arrangement of gadgets and also terminals on the gadgets, to assist in structure or servicing the device.
eXmark Lazer HP Parts - Shank's Lawn Equipment eXmark Lazer Z X Series Parts; eXmark Phazer our Parts Assistance service. of Genuine OEM replacement parts to keep your eXmark Exmark Lazer Z - Sluggish performance -Hello everyone, I hope this is the right place to post this thread.
Exmark Lazer Z Ct S N 720 000 Up Lct18bv483 S N 720 000 Up Lct21bv523 S N 720 000 Up Lct23bv603 S N 720 000 Up Electrical Diagram
Wiring Diagram Exmark Lazer Z. Sep 18 2021. Recognizing the quirk ways to get this books Wiring Diagram Exmark Lazer Z is additionally useful.

Exmark Lz27kc604 Exmark 60 Lazer Z Zero Turn Mower 27hp Kohler Sn 510000 539999 2005 Electrical Diagram 23 27 Hp Kohler Air Cooled Parts Lookup With Diagrams Partstree

Exmark Lzas29ka724 Exmark 72 Lazer Z As Zero Turn Mower 29hp Kawasaki Sn 850000 919999 2010 Air Cooled Electrical Diagram Parts Lookup With Diagrams Partstree
Kohler 26 And 28 Efi Problems Page 2 Lawnsite Is The Largest And Most Active Online Forum Serving Green Industry Professionals

Exmark Lz26kc604 S N 320 000 369 999 2002 Parts Diagram For Electrical Group Kawasaki 27 Hp Liquid Cooled
Exmark Lazer Z Hp S N 320 000 369 999 Lhp4417ka S N 320 000 369 999 2002 Lhp4420kc S N 320 000 369 999 2002 Lhp4820kc S N 320 000 369 999 2002 Lhp4821ka S N 320 000 369 999 2002 Lhp5220kc S N 320 000 369 999 2002 Lhp5223ka S N 320 000 369 999

Exmark Lz22kc603 Exmark 60 Lazer Z Zero Turn Mower 22hp Kohler Sn 150000 189999 1998 Electrical Diagram Parts Lookup With Diagrams Partstree

Exmark Lazer Z As S N 600 000 669 999 Las25kc604 S N 600 000 669 000 2006 Las23kc524 S N 600 000 669 000 2006 Kohler Electrical Diagram Shanks Lawn
Exmark Lazer Z As S N 600 000 669 999 Las23kc524 S N 600 000 669 000 2006 Las25kc604 S N 600 000 669 000 2006 Kohler Electrical Diagram

Exmark Lazer Z Xs Air Cooled S N 510 000 599 999 Lz31bv724 S N 510 000 599 999 2005 Early Lz31bv604 S N 510 000 599 999 2005 Early Electrical Diagram Shanks Lawn
Exmark Lazer Z Hp Died While Mowing Will Restart Dies When Release Park Brake Lawnsite Is The Largest And Most Active Online Forum Serving Green Industry Professionals
0 Response to "40 exmark lazer z wiring diagram"
Post a Comment