40 delonghi magnifica parts diagram
Com Delonghi Ec680m Dedica 15 Bar Pump Espresso Machine Stainless Steel Kitchen Dining. Delonghi Ec9 Espresso Spares. Delonghi Ec702 Parts List And Diagram Ereplacementparts Com Blueprints Espresso Maker. Delonghi Coffee Maker Esam5500 B Ereplacementparts Com. Delonghi Magnifica Esam3300 Ereplacementparts Com. If you intend to get another reference about Delonghi Magnifica Parts Diagram Please see more wiring amber you will see it in the gallery below. Many thanks for visiting our website to search Delonghi Magnifica Parts Diagram. Hopefully we provide this can be useful for you.
Need to fix your EAM3400 Magnifica? Use our part lists, interactive diagrams, accessories and expert repair advice to make your repairs easy.

Delonghi magnifica parts diagram
Hot Water Boiler Connector for PTFE Tube. Includes three red O-rings (2 o-rings for boiler side and one for PTFE tube) (5313217761 (1), 5313217701 (2). Need to fix your ESAM4500 Magnifica? Use our part lists, interactive diagrams, accessories and expert repair advice to make your repairs easy. Need to fix your EAM4500 Magnifica? Use our part lists, interactive diagrams, accessories and expert repair advice to make your repairs easy.
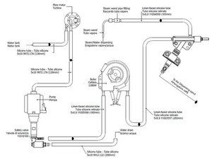
Delonghi magnifica parts diagram. Super automatic espresso maker ( pages) For all accessories, spare parts or replacement parts, please contact our parts division at DeLonghi ESAM Magnifica Parts. Page A. Delonghi Magnifica Hot water dispenser and milk frother/steamer do not work It is part 64 (generator) on the above diagram. Repair Parts Home Appliance Parts DeLonghi Parts DeLonghi Coffee Maker Parts DeLonghi EAM3200 Magnifica Parts. ... By inspecting the parts diagram. It looks like to me that all of the 5332149100 are all the same.-WJA Join our VIP Email list. Receive money-saving advice and special discounts! Need to fix your EAM3400.N Magnifica? Use our part lists, interactive diagrams, accessories and expert repair advice to make your repairs easy. Use our part lists, interactive diagrams, accessories and expert repair advice to make your repairs easy. 877-346-4814. Departments Accessories ... Repair Parts Home Appliance Parts DeLonghi Parts DeLonghi Coffee Maker Parts DeLonghi ESAM3300 Magnifica Parts.
Need to fix your ECAM22.110.SB Coffee Maker? Use our part lists, interactive diagrams, accessories and expert repair advice to make your repairs easy. DeLonghi ESAM Magnifica Parts. Page A. Delonghi Magnifica Hot water dispenser and milk frother/steamer do not work It is part 64 (generator) on the above diagram. It's the part that heats the water and if you look at the diagram it appears like two pieces of metal sandwiched together. Need to fix your ESAM4400 Magnifica? Use our part lists, interactive diagrams, accessories and expert repair advice to make your repairs easy. Delonghi magnifica parts diagram. Delonghi magnifica parts delonghi espresso machine parts delonghi espresso machine replacement parts delonghi ecam parts. Delonghi magnifica coffee maker w grinder eam 3200 part water tank lid cover see more like this delonghi magnifica coffee maker w grinder eam 3200 bean container w adjustment parts only.
Delonghi Esam 3500 Spare Parts. Delonghi Esam 4500 Rialto Starbucks Exclusive Espresso Maker. All The Spare Parts You Need For Your Delonghi Ec 680 Coffee Machine. Ecam22110sb Delonghi Replacement Parts. Magnifica Esam 3300 Espresso Cappuccino Machine De Longhi Us. ESAM5600SL 0132215132 Part Diagram Download ESAM4400 0132214013 Part Diagram Download MAGNIFICA ESAM3300 0132213013 Download MAGNIFICA AUTOMATIC CAPPUCCINO ... Delonghi magnifica eam3500 ereplacementparts com delonghi ec155 parts list and diagram ereplacementparts com all the spare parts you need for your delonghi esam 6600 delonghi coffee maker ecam22 110 sb ereplacementparts com. Whats people lookup in this blog: Delonghi Magnifica Spare Parts; Delonghi Magnifica Spare Parts Australia Need to fix your EAM4500 Magnifica? Use our part lists, interactive diagrams, accessories and expert repair advice to make your repairs easy.

Delonghi Ecam General Alarm Message Service Bulletin Service Manual Download Schematics Eeprom Repair Info For Electronics Experts
Need to fix your ESAM4500 Magnifica? Use our part lists, interactive diagrams, accessories and expert repair advice to make your repairs easy.
Hot Water Boiler Connector for PTFE Tube. Includes three red O-rings (2 o-rings for boiler side and one for PTFE tube) (5313217761 (1), 5313217701 (2).

Delonghi Coffee Maker Ecam 22 110 B Food Drink Maker Coffee Tea Maker Dapur Tokopedia Com Inkuiri Com

Compare Best Espresso Coffee Machines Delonghi La Specialista Vs Breville The Barista Express Top Product Comparisons

Amazon Com De Longhi Ecam22110s Magnifica Xs Fully Automatic Espresso Machine With Manual Cappuccino System 9 4 X 17 X 13 8 Inches Silver And Black Home Kitchen
0 Response to "40 delonghi magnifica parts diagram"
Post a Comment