40 craftsman 42 mower deck diagram
Craftsman 247203724 front-engine lawn tractor parts - manufacturer-approved parts for a proper fit every time! We also have installation guides, diagrams and manuals to help you along the way! AYP 36" to 42" Deck Parts available online at LawnMowerPros and ready to ship direct to your door. We carry a large selection of AYP 36" to 42" Deck Parts. If you do not see the AYP 36" to 42" Deck Parts you need, please complete the Lawn Mower Parts Request Form and we will be happy to assist you.
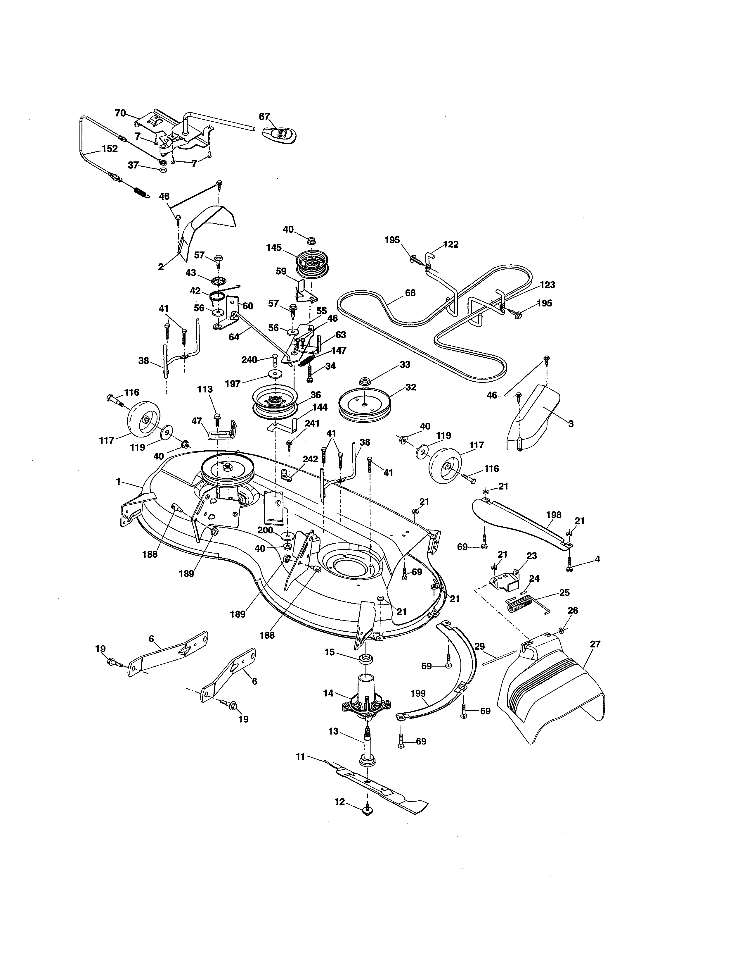
Craftsman 917270671 front-engine lawn tractor parts - manufacturer-approved parts for a proper fit every time! We also have installation guides, diagrams and manuals to help you along the way!

Craftsman 42 mower deck diagram
Service and restore a Craftsman Riding Lawnmower COMMON Cutting DECK. 42" inch model. Remove change Replace belt, blades. Restoring a Riding Lawn Mower cut... EPR Distribution EPR Full Deck Rebuild Kit for Craftsman 42" LT1000 LT2000 130794 134149 144959 95" Belt. 0. Sold by GrowKart. $76.99. All world Bearings 42" DECK REBUILD Replacement KIT for Husqvarna/ Sears / Craftsman LT 1000 and LT 2000. 0. Sold by All world bearings. $39.90 $36.25. Lawnmowers Parts & Accessories -NEW Sears Craftsman LT3000 42" Lawn Mower Deck Rebuild Kit 144959 134149 130794. 4.6 out of 5 stars 7. $129.98 $ 129. 98. Get it Tue, Nov 2 - Wed, Nov 3. FREE Shipping. Only 9 left in stock - order soon.
Craftsman 42 mower deck diagram. Re idler pulley mount. Mtd 13al78st099 247288852 2012 mower deck 46 inch parts diagram. Number 36 and number 145. Belt diagram for craftsman 46. There are two idler pulleys on this deck. Mtd 954 04122 46 inch deck drive belt for riding mowertractors 12 inch by 90 14 inch. The craftsman 46 inch lawn tractor is equipped with a 46 inch mower deck. Sep 15, 2019 - Craftsman 42 Inch Mower Deck Belt Diagram Sears Craftsman LT1000 42" Lawn Mower Deck Parts Kit 130794 134149 Oregon Blades. Rating * Name *Email *Review Subject *Comments 1 Review Hide Reviews Show Reviews 5 Riding mower spindles and blades. Posted by Mike geczi on May 22nd 2020 Fast shipping, great fit ! Find Similar Products by Category ... Craftsman 42 inch mower deck belt diagram. If you lawn is straight line, ( or basically a May 23, 2019 · 260 hp 54 mower electric start automatic transmission. Zero Turn Riding Mower 26HP B&S Engine / Side Discharge / 52-inch Wide. for parts or whole good 54 inch deck 3 blade good transaxle good hood rear tires 23-9. . Default Title.
MTD 13AN77SS099 (247.288811) (2011) Mower Deck 42-Inch Exploded View parts lookup by model. Complete exploded views of all the major manufacturers. It is EASY and FREE Com Mr Mower Parts Ayp 42 Deck Rebuild Kit For Sears. 26 Best 42 Inch Craftsman Deck Images In 2020 Mower. Vz 7701 Craftsman Mower Deck Diagram Lawn. Sears Craftsman 21 Hp Lt1000 Lawn Mower Tractor 917 273522 Owner. Craftsman 25587 42 19 Hp Briggs Stratton Fender Hydro Automatic. Spu Deck Idler Pulley For 42" Mower Deck Craftsman LT1000 AYP Husqvarna Poulan 104360X. 0. Sold by SPU Parts. $26.80 $24.36. Belt Diagram For Craftsman Riding Mower Lt1000. Simplicity 50 Mower Deck Belt Diagram. Gravely Mower Deck Belt Diagram. Husqvarna 54 Inch Deck Belt Diagram. Craftsman Riding Lawn Mower Drive Belt Diagram. Husqvarna Yth2348 Mower Deck Belt Diagram. Mtd Yard Machine 42 Inch Deck Belt Diagram. John Deere D130 42 Inch Deck Belt Diagram.
This video provides step-by-step instructions for replacing the deck v-belt (or deck drive belt) on Craftsman lawn mowers. The most common reason for replaci... Craftsman 42 inch mower deck diagram a deck is really a gigantic prolonged place from the home usually made from wood planks to assistance bodyweight. Craftsman 917270671 42 lawn tractor repair and replacement parts. Aikai 42 clutch cable for craftsman lt1000 dlt lawn tractor rider mower deck fits new. Here are the repair parts and diagrams for ... Ayp Husqvarna 36 To 46 Mower Deck With 2 Blades Small Engine Equipment Parts. Craftsman 46 Mower Deck Belt Diagram. 12 Craftsman Riding Lawn Mower Ideas Mowers. Ayp Husqvarna 44 46 50 And 54 Mower Deck Ipl 3 Blades Small Engine Equipment Parts. Craftsman Riding Lawn Mower Deck V Belt Replacement 532429636 Repair Clinic. Description: Craftsman Lawn Tractor Deck Parts Diagram | Tractor Parts Diagram throughout Craftsman Mower Deck Parts Diagram, image size 750 X 499 px, and to view image details please click the image.. Here is a picture gallery about craftsman mower deck parts diagram complete with the description of the image, please find the image you need.
Craftsman 247290000 rear-engine riding mower parts - manufacturer-approved parts for a proper fit every time! We also have installation guides, diagrams and manuals to help you along the way!
The CRAFTSMAN® T210 front engine riding mower provides an effortless mowing experience. It’s powered by a 18 HP KOHLER® single-cylinder 5400 series engine and features a 42-in. steel deck.
Find parts for your Craftsman T110 Riding Lawn Mower CMXGRAM1130036. Parts diagrams and manuals available. ... Shop by Parts Diagram; ... Riding Mower 42-inch Deck ...
From CRAFTSMAN's gas lawn mowers, cordless lawn mowers, and corded lawn mowers, we've got the match for you. Find the lawn mower that meets the demands of your yard.
The Blade Drive Belt on a mower deck is more of a serpentine belt.. as a perfect replacement to the 144959 belt (Craftsman 42" riding mower). The Craftsman LT1000 is a basic riding mower designed to cut residential lawns. It's equipped with an automatic transmission, and it cuts 42 inches across.

Craftsman 247 203695 13b226jd299 Craftsman R1000 Rear Engine Riding Mower 2017 Deck Parts Lookup With Diagrams Partstree
Mower Deck 42-Inch diagram and repair parts lookup for Craftsman 247.289020 (13AJ77SS099) - Craftsman LT2000 Lawn Tractor (2010) (Sears) Order Status Customer Support 512-288-4355 My Account Login to your PartsTree.com to view your saved list of equipment.
Craftsman 247203704 front-engine lawn tractor parts - manufacturer-approved parts for a proper fit every time! We also have installation guides, diagrams and manuals to help you along the way!
Features. RESISTS WEAR: Belts are manufactured using specifically engineered materials, including high-strength tensile cords designed to resist wear and provide superior durability. DURABLE: These belts are designed for the repeated engagement and disengagement of the mower's cutting deck. CMXGZAM500054.
Craftsman Riding Lawn Mower Drive Belt Diagram - Craftsman 19 5 Hp Electric Start 42 Lawn. parts diagram for craftsman lt2000 parts automotive parts diagram for craftsman lt2000 john deere 112 parts diagram likewise murray 12 5 riding lawn mower as well cutting deck mower drive belt fits.
The CRAFTSMAN® Z5200 zero-turn riding mower provides an optimum mowing experience. Its strong 20 HP Kohler® 7,000 twin-cylinder engine provides the power and reliability you need to get the job done. Equipped with a 42-inch steel deck, robust steel frame design, and dual range hydrostatic transmission for durability and control.
Craftsman 42 Inch Mower Deck Diagram. Choose the correct tab and go to the mower deck. I don't have a deck diagram but you should be able to figure it out it you put the back part of the belt (flat) up against the pulleys that are wide and the narrow part (v) into the smaller pulleys. OEM Warranty Repair Part for MTD.
Mr mower parts deck rebuild kit for craftsman poulan Husqvarna included 2 heavy duty spindles , 2 mulcher blades , 2 pulleys , deck belt 95". Search for "Mower belt for craftsman lt" 25 Products Mower belt for craftsman lt 25 items. Category Press enter to collapse or expand the menu. Lawn Mowers (25) 1/2 in. x in. for 38 in. & 42 in.

Amazon Com Sears Craftsman 42 Mower Deck Parts Rebuild Kit Spindle Assemblies Blades Belt Idler Pulleys Patio Lawn Garden
Another Craftsman Lt1000 42 Deck Belt Replacement Oil Change regarding measurements 1280 X 720. Craftsman 42 Inch Mower Deck Diagram - A deck is really a gigantic prolonged place from the home, usually made from wood planks, to assistance bodyweight. For instance, if your deck will fasten a lot of daytime sun, be ready for fading and regular re-staining of pure wood decks.

Mower Deck Diagram Parts List For Model 917289720 Craftsman Parts Riding Mower Tractor Parts Searspa Diagram Riding Lawn Mowers Craftsman Riding Lawn Mower
craftsman model number 917 276391 lt1000 parts; used lawn tractor parts; john deere salvage parts; toro wheel horse 10/32 rear motor throttle cable; used lawn mower parts; john deere m00673x mower deck parts 42 inch; removing starter on john deere z245 mower briggs and stratton 23 HP; john deere saber 42 inh mower deck diagram; gx25342 rod
Brand New Craftsman 42" Riding Lawn Mower Deck OEM # 176031 144393 & FITS POULAN Husqvarna. 4.2 out of 5 stars 4. $550.00 $ 550. 00. Get it Mon, Nov 8 - Mon, Nov 15. FREE Shipping. Only 1 left in stock - order soon. 8TEN Deck Rebuild Kit for Craftsman Husqvarna 42 inch LT1000 LT2000 130794 144959.
MOWER DECK diagram and repair parts lookup for Craftsman 917.252520 - Craftsman Lawn Tractor Order Status Customer Support 512-288-4355 My Account Login to your PartsTree.com to view your saved list of equipment.
Written By Pelvic Diagram Tuesday, March 30, 2021. Edit. Craftsman 42 Inch Mower Deck Belt Diagram. Replacing the mower deck belt doesn't require any tools, but it's a complex process that requires safety precautions to prevent injuries or damage to the mower system. Look on deck or under foot pedal there is usually a diagram in those places.
Lawnmowers Parts & Accessories -NEW Sears Craftsman LT3000 42" Lawn Mower Deck Rebuild Kit 144959 134149 130794. 4.6 out of 5 stars 7. $129.98 $ 129. 98. Get it Tue, Nov 2 - Wed, Nov 3. FREE Shipping. Only 9 left in stock - order soon.

Amazon Com Lawnmowers Parts New Craftsman 42 Riding Lawn Mower Deck Belt 144959 Poulan Pp 12012 532144959
EPR Distribution EPR Full Deck Rebuild Kit for Craftsman 42" LT1000 LT2000 130794 134149 144959 95" Belt. 0. Sold by GrowKart. $76.99. All world Bearings 42" DECK REBUILD Replacement KIT for Husqvarna/ Sears / Craftsman LT 1000 and LT 2000. 0. Sold by All world bearings. $39.90 $36.25.
Service and restore a Craftsman Riding Lawnmower COMMON Cutting DECK. 42" inch model. Remove change Replace belt, blades. Restoring a Riding Lawn Mower cut...

Pin By Alejandro On Craftsman Lt 1000 In 2021 Craftsman Riding Lawn Mower Riding Lawn Mowers Diagram
0 Response to "40 craftsman 42 mower deck diagram"
Post a Comment