40 bobcat 873 wiring diagram
BOBCAT MT55 Operation & Maintenance Manual. S/N A3WT11001 & Above. S/N B38T11001 & Above. SKID STEER LOADER. BOBCAT 873 SKID STEER LOADER Service Repair ... This is in very good condition. Complete with no missing pages.
Bobcat 873 (S/N 514140001 And Above) (S/N 514240001 And Above) (S/N 517911001 And Above). 883 (S/N 520111001 And Above) (S/N 520211001 And Above) Skid Steer ...

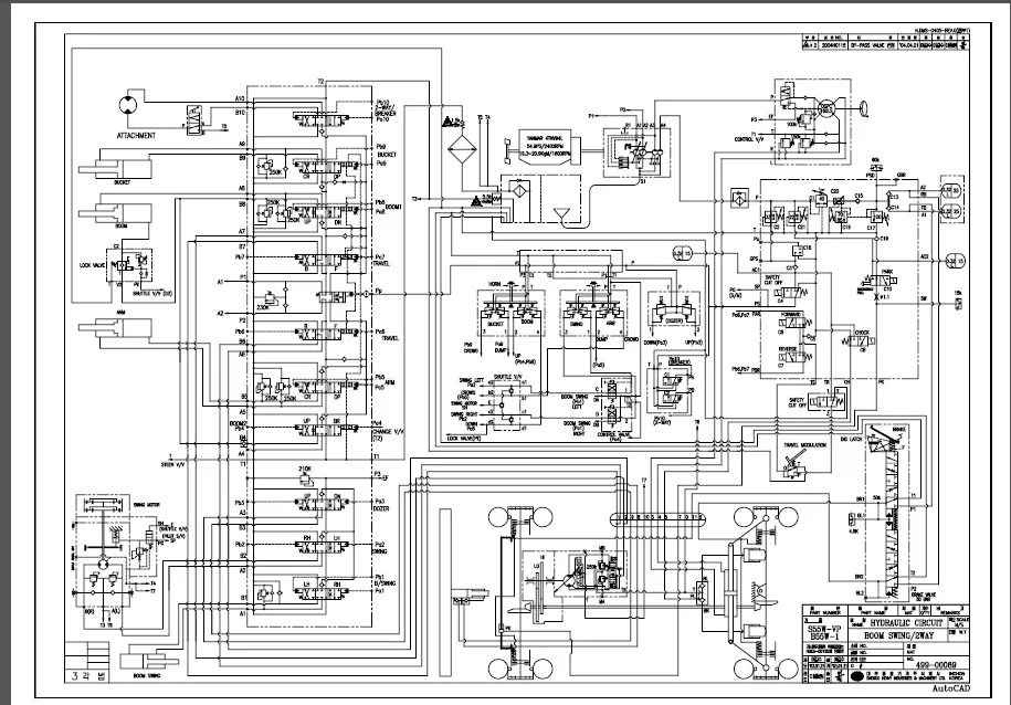
Bobcat 873 wiring diagram
All 873 Bobcat loaders are equipped with the following standard items;. Bob-Tach. Seat Belt ... Connects To 0 Engine Wiring Diagram - Sheet 3.506 pages May 16, 2020 - Complete WIRING/HYDRAULIC/HYDROSTATIC SCHEMATIC for the Bobcat 873, 883 Skid Steer Loader. This manual contains high quality images, ... Bobcat 873 (S/N 514140001 And Above) (S/N 514240001 And Above) (S/N 517911001 And Above). 883 (S/N 520111001 And Above) (S/N 520211001 And Above) Skid Steer ...
Bobcat 873 wiring diagram. Bobcat 873 (S/N 514140001 And Above) (S/N 514240001 And Above) (S/N 517911001 And Above). Skid Steer Electrical Wiring Diagram Schematic Manual. Bobcat 873 (S/N 514146928 And Above) (S/N 514241010 And Above) (S/N 518012016 And Above). Skid Steer Electrical Wiring Diagram Schematic Manual. Bobcat TRACTION LOCK 6681512 price line hotels Solenoid S185 7136559 Screw 6708267 S160 S175 S205(Heavy Equipment, Parts & Attachments) 2021-11-26 01:51:30 This is in very good condition. Complete with no missing pages.
Bobcat 873 (S/N 514140001 And Above) (S/N 514240001 And Above) (S/N 517911001 And Above). 883 (S/N 520111001 And Above) (S/N 520211001 And Above) Skid Steer ... May 16, 2020 - Complete WIRING/HYDRAULIC/HYDROSTATIC SCHEMATIC for the Bobcat 873, 883 Skid Steer Loader. This manual contains high quality images, ... All 873 Bobcat loaders are equipped with the following standard items;. Bob-Tach. Seat Belt ... Connects To 0 Engine Wiring Diagram - Sheet 3.506 pages
Back Up Lights And Alarm Circuit On Bobcat 873 514150701 Previous Owner Disabled Back Alert Lights Somehow I Can T
Bobcat Full Models Updated 2019 Dvd Hydraulic Electrical Schematic Auto Repair Software Auto Epc Software Auto Repair Manual Workshop Manual Service Manual Workshop Manual
Bobcat 743 Ignition Switch Wiring On Bobcat Images Free Download Wiring Diagrams Bobcat Skid Steer Skid Steer Loader Bobcat
Suneducationgroup Com Business Office Industrial Skid Steer Loaders Bobcat Diesel Fuel Lift Pump 6677830 6666522 For Deutz 863 864 873 883
Bobcat Skid Steer Loaders S70 S100 Repair Service Manuals Operation Maintenance Manuals A Repair Manual Store
Suneducationgroup Com Business Office Industrial Skid Steer Loaders Bobcat Diesel Fuel Lift Pump 6677830 6666522 For Deutz 863 864 873 883
Bobcat Loader Service Library 2017 Auto Repair Software Auto Epc Software Auto Repair Manual Workshop Manual Service Manual Workshop Manual
Ozzy With The 2006 Bobcat T180 With 500 Hours Serial Xxxxxxxxx Well The Bobcat Is Not Traveling Forward Again To
0 Response to "40 bobcat 873 wiring diagram"
Post a Comment