39 chevy suburban suspension diagram
Chevrolet Suburban 1500 suspension systems are great but when the Chevrolet Suburban 1500 struts fail or the Chevrolet Suburban 1500 air springs go out, it's almost impossible to drive. Find everything you need for your air suspension repair and maintenance at Strutmasters. Save even more money if you convert to our Chevrolet Suburban 1500 conversion kit for a smooth and soft ride. Moog-Suspension-Parts.com for Chevrolet Suburban 1500, Chevrolet Suburban 1500 Suspension Replacement Parts.
We have 191 Chevrolet Vehicles Diagrams, Schematics or Service Manuals to choose from, all free to download! 1923 chevrolet car wiring [846 KB] 1923 chevrolet general wiring [321 KB] 1923 chevrolet superior model [290 KB] 1923 chevrolet wiring [237 KB] 1925 chevrolet superior model series k [910 KB] 1927 chevrolet capitol and national [365 KB]

Chevy suburban suspension diagram
Chevrolet Suburban 1500 4wd 2005 Suspension Parts reorder Filters Clear Filters close. Home » Chevrolet » Suburban 1500 » 4WD - 1500 - 2005. Chevrolet Suburban Complete Bushing Rebuild Kit 4wd 00-06. Part Number: chevrolet-suburban-complete-bushing-rebuild-kit-4wd-2000-2006-es. Strut Silverado, sierra. Code-6a1,7a1,6a7,7a7,6a8,7a8,6a9,7a9,6d7,7d7,6fq,7fq,6h3,7h3. 2wd, 1/2 ton, 6lk, 6ln, 6lp & 6lr. 2wd, 1/2 ton, delco# 580-369. Suspension ... Tahoe, Yukon, Escalade. Without magneride. 4wd. Yukon XL, Suburban. Escalade ESV. 2wd. Sierra, silverado. MSRP $15.86. $9.76. Add to ...
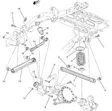
Chevy suburban suspension diagram. Chevy Suburban Forum (GMC Yukon XL) 2008 Suburban - Air suspension problem. Jump to Latest Follow 1 - 4 of 4 Posts. M. Matracer · Registered. Joined May 19, 2014 · 32 Posts . Discussion Starter · #1 · Jun 10, 2020. I have a 2008 suburban with air supension. ... I went on the internet and found the attached diagram, which may not be good for ... This part contains hazardous materials. Extra shipping costs apply. Suspension Components for 2001 Chevrolet Suburban 1500 #3. 1/2 ton. Suburban, Yukon XL. Tahoe, Yukon, Escalade. Lower. Escalade ESV. Avalanche, Escalade EXT. MSRP $13.78. $7.44. Add ... All models. Tahoe, Yukon, Escalade. Yukon XL, Suburban. 1500 series. 1/2 ton. Avalanche, Escalade EXT. Escalade ESV. Hummer H2. MSRP $75.14.
I've found parts diagrams online however they are too small to pick out the correct part. Does anyone know where I can find a copy of an exploded view of the front suspension on a 2005 GMC Sierra 1500, or any vehicle with an identical front suspension.----- Post added at 07:52 PM ----- Previous post was at 07:50 PM ----- Chevy just revealed the 2021 Tahoe and Suburban, and they have a new independent rear suspension design. This design change is a massive improvement for the Tahoe in many ways. This part contains hazardous materials. Extra shipping costs apply. Rear Suspension for 2018 Chevrolet Suburban #1. Right. 4wd. Tahoe, Yukon, Escalade. Yukon XL, Suburban. Avalanche, Escalade EXT. Escalade ESV. 2wd. Silverado, sierra hybrid. MSRP $290.76. $178.99.
Products 1 - 30 of 3073 — Suspension parts deteriorate over time. Don't wait for total failure, restore ride and handling on your Chevy Suburban with our ... 9 Feb 2016 — 2000 Chevy Suburban Front Suspension Parts Diagram – Chevrolet Suburban is a full-size car SUV produced by the US company General Motors ... Front Hub. With awd. Express, savana. 4wd, 1/2 ton. 4wd, 1500. 2wd, with torsion bar, 1500 series. Incl.ABS Wheel Speed Sensor. Vacuum booster system. 7,200 gvwr. GM's full-sized SUVs, the Chevrolet Avalanche, Tahoe and Suburban, the GMC Denali, Yukon and Yukon XL and the Cadillac Escalade, came with several different suspension options. It can be confusing when buying replacement shocks and suspension to try to figure out if your SUV has a premium Smooth Ride or Autoride.
Coil Spring 1/2 ton, without 4wd, without auto lvlg cntrl. Yukon XL, Suburban. 2wd. With off road chassis. Coil Spring Exc.Magnetic Ride Control. Code-aak4. Yukon XL ...
Tahoe, Yukon, Escalade. Without magneride. 4wd. Yukon XL, Suburban. Escalade ESV. 2wd. Sierra, silverado. MSRP $15.86. $9.76. Add to ...
Strut Silverado, sierra. Code-6a1,7a1,6a7,7a7,6a8,7a8,6a9,7a9,6d7,7d7,6fq,7fq,6h3,7h3. 2wd, 1/2 ton, 6lk, 6ln, 6lp & 6lr. 2wd, 1/2 ton, delco# 580-369. Suspension ...
Chevrolet Suburban 1500 4wd 2005 Suspension Parts reorder Filters Clear Filters close. Home » Chevrolet » Suburban 1500 » 4WD - 1500 - 2005. Chevrolet Suburban Complete Bushing Rebuild Kit 4wd 00-06. Part Number: chevrolet-suburban-complete-bushing-rebuild-kit-4wd-2000-2006-es.

Suspension Bell (Bo) 东周时期青铜镈 (Eastern Zhou dynasty (770–256 B.C.), first half of 5th century B.C.) // China

Suburban House with Parabolic Roof, Perspective Rendering (1947) // Hugh Mackie Gordon Garden American, born Canada, 1873–1961
0 Response to "39 chevy suburban suspension diagram"
Post a Comment